GM Service Manual Online
For 1990-2009 cars only
Makes
🢒
Cadillac
🢒
2007
🢒
DTS
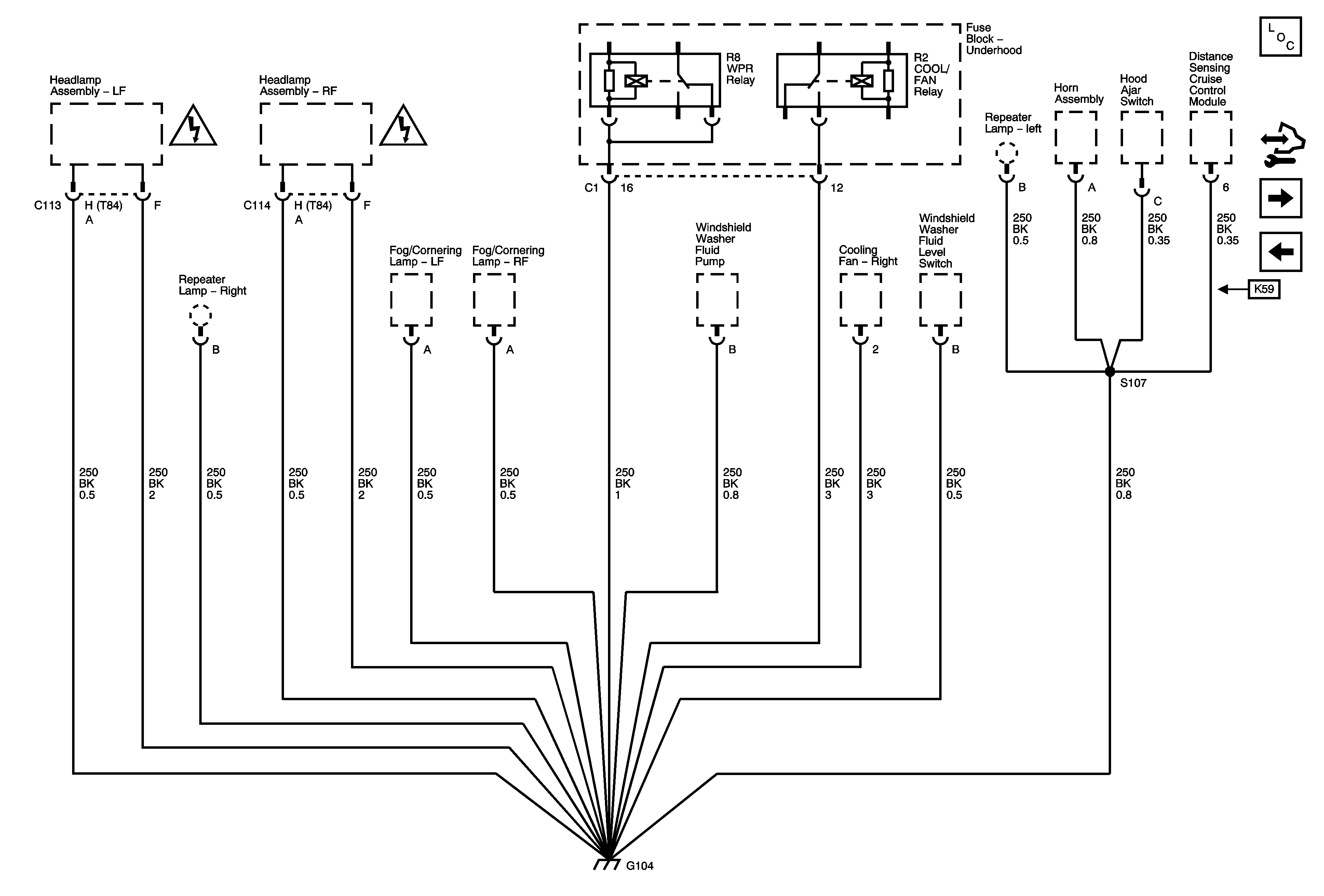
🢒 G104
G104
G104
G300
G100, G112
Power and Grounding Schematic Icons
Power and Grounding Schematic Icons