GM Service Manual Online
For 1990-2009 cars only
Makes
🢒
Cadillac
🢒
2007
🢒
DTS
🢒 High Speed Serial Data
High Speed Serial Data
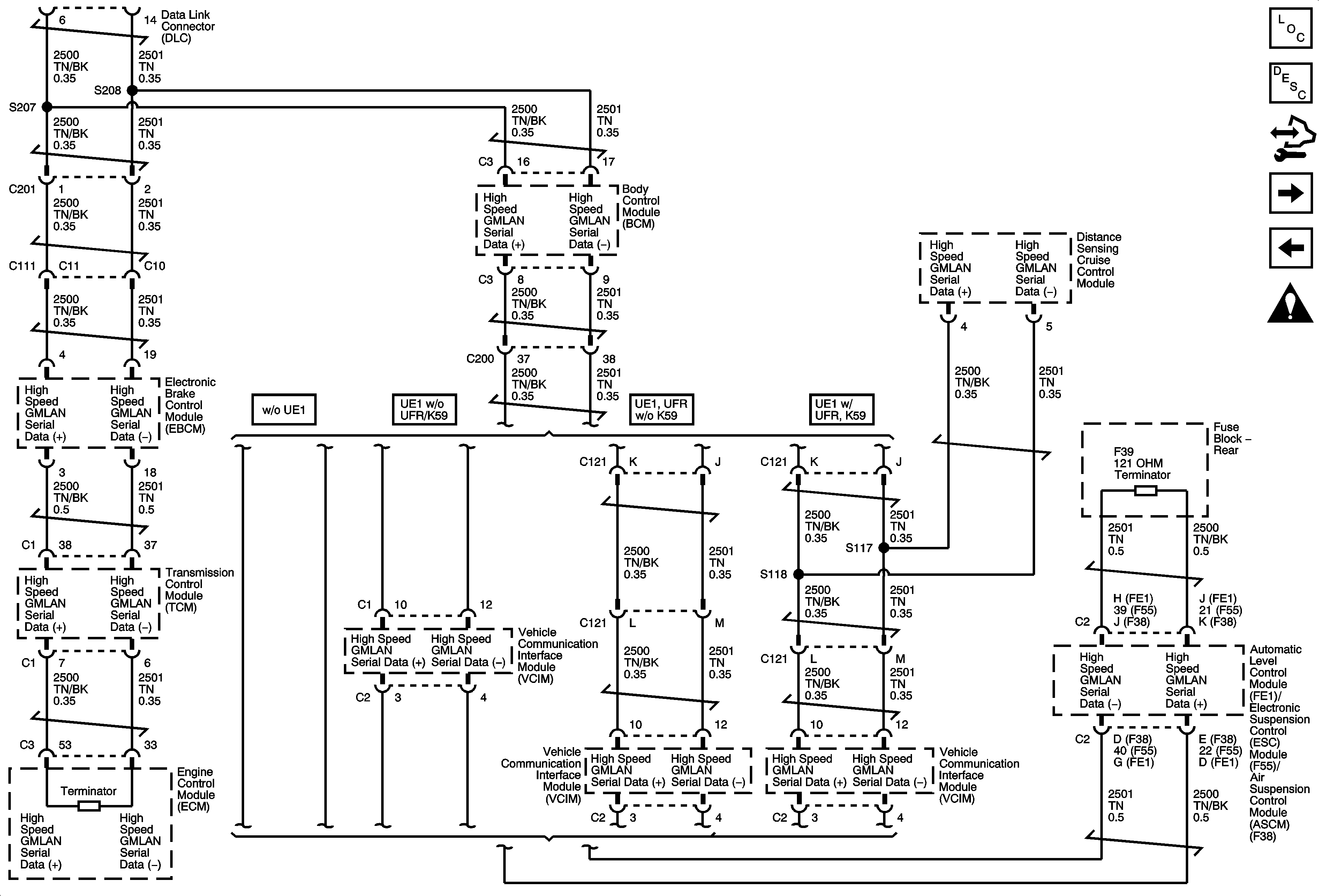
DLC High Speed Serial Data
Data Link Communications Description and Operation
High Speed Serial Data, Wake Up
Power, Ground and Low Speed GMLAN
Data Communication Schematic Icons