GM Service Manual Online
For 1990-2009 cars only
Makes
🢒
Cadillac
🢒
2007
🢒
DTS
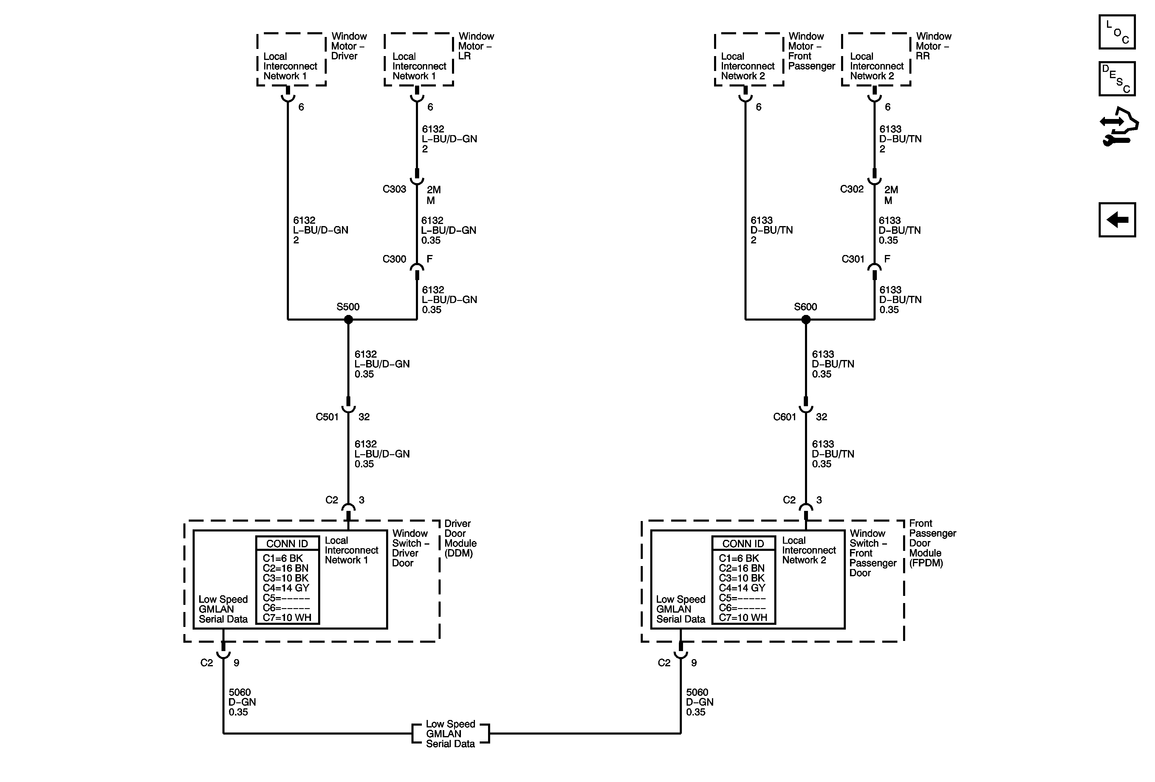
🢒 Local Interconnect Network (LIN)
Local Interconnect Network (LIN)
Local Interconnect Network (LIN)
Data Link Communications Description and Operation
High Speed Serial Data, Wake Up
Power, Ground and Low Speed GMLAN