GM Service Manual Online
For 1990-2009 cars only
Makes
🢒
Cadillac
🢒
2007
🢒
DTS
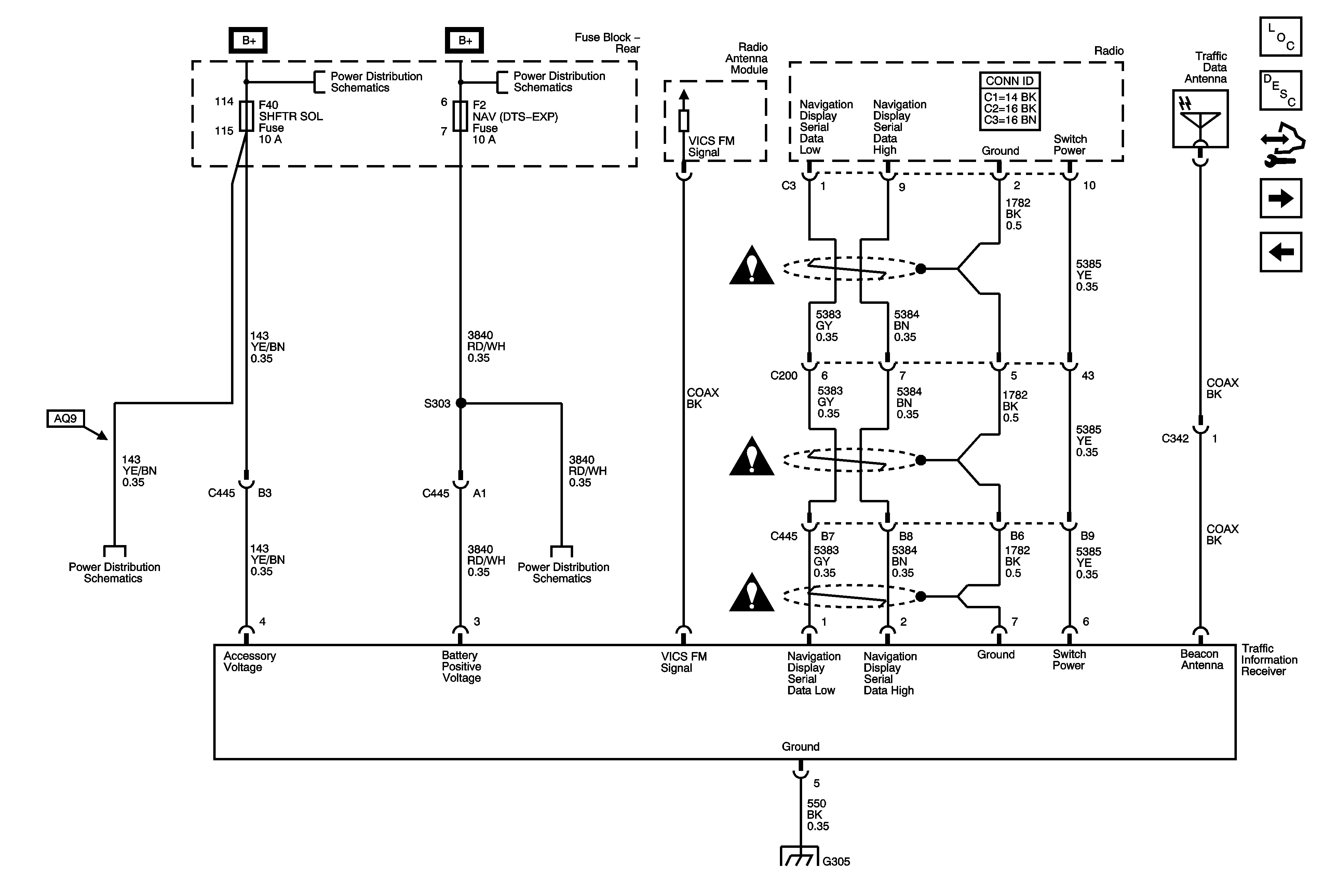
🢒 Traffic Information Receiver U3Q
Traffic Information Receiver U3Q
Traffic Information Receiver - U3Q
Navigation System Description and Operation
Radio w/o UE1
Redundant Steering Wheel Controls
Rear Fuse Block B+
Rear Fuse Block B+
Rear Fuse Block - RAP Relay, CTSY/RF TRN, S/ROOF, SHFTR SOL, RAP, REAR SEAT LUM Fuses
Rear Fuse Block - REAR HTD/SEAT, HTD/COOL, DDM, PDM, RDO, AMP, NAV Fuses
Entertainment/Communication Schematic Icons
Entertainment/Communication Schematic Icons
Entertainment/Communication Schematic Icons
G305