GM Service Manual Online
For 1990-2009 cars only

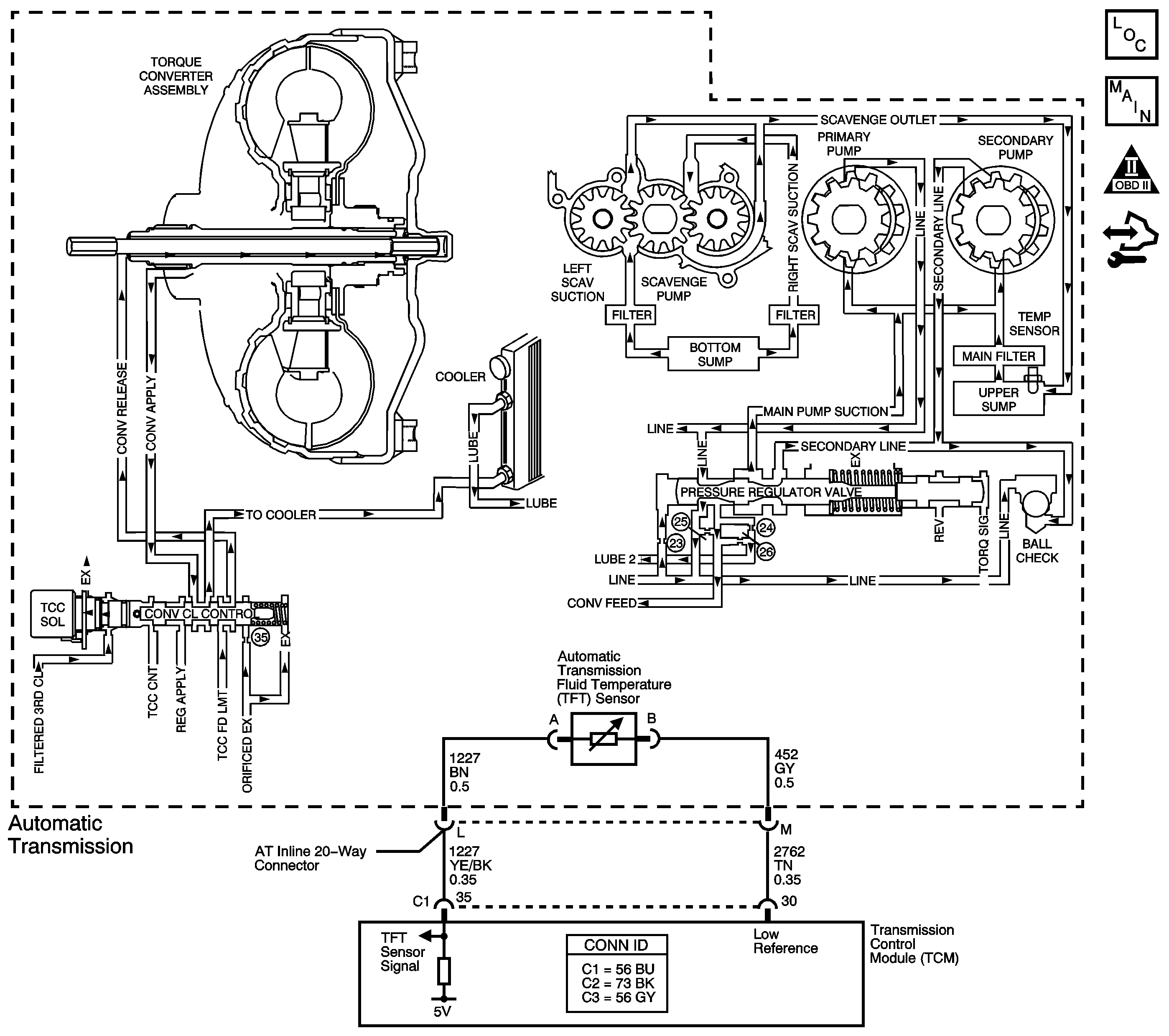
Object Number: 1650961  Size: LF
Master Electrical Component List
Automatic Transmission Controls Schematics
OBD II Symbol Description Notice
Control Module References

Circuit Description

The automatic transmission fluid temperature (TFT) sensor is a negative coefficient thermistor. When the transmission fluid is cold, the sensor resistance is high. As the transmission fluid warms up, the sensor resistance becomes lower. The transmission control module (TCM) uses TFT information to control torque converter clutch apply and release, line pressure, and shift time. The TFT range is from -40 to +151°C (-40 to +305°F).

If the TCM detects a high transmission fluid temperature for an extended period of time on the TFT sensor circuit, then DTC P0218 sets. DTC P0218 is a type C DTC.

DTC Descriptor

This diagnostic procedure supports the following DTC:

DTC P0218 Transmission Condition Overtemperature

Conditions for Running the DTC

The transmission fluid temperature is -39 to +149°C (-38 to +300°F) for 5 seconds.

Conditions for Setting the DTC

The transmission fluid temperature is at least 140°C (284°F) for 1 minute.

Action Taken When the DTC Sets

    • The TCM does not request the engine control module (ECM) to illuminate the malfunction indicator lamp (MIL).
    • TRANSMISSION HOT message displays on the driver information center (DIC).
    • The TCM freezes transmission adaptive functions.
    • The TCM records the operating conditions when the Conditions for Setting the DTC are met. The TCM stores this information as Failure Records.
    • The TCM stores DTC P0218 in TCM history.

Conditions for Clearing the DIC/DTC

    • The TCM clears the DIC message when the condition no longer exists.
    • The transmission fluid temperature is 135°C (275°F) or less for 5 seconds.
    • A scan tool can clear the DIC/DTC.
    • The TCM clears the DTC from TCM history if the vehicle completes 40 warm-up cycles without a non-emission-related diagnostic fault occurring.
    • The TCM cancels the DTC default actions when the fault no longer exists and the DTC passes.

Diagnostic Aids

    • Verify the driving habits of the customer, such as trailer towing, etc.
    • The scan tool transmission fluid temperature (TFT) should rise steadily during warm-up cycles then stabilize.

Test Description

The numbers below refer to the step numbers on the diagnostic table:

  1. DTC P0218 may set approximately 60 seconds after DTC P0711 has set. Follow the diagnostic table for DTC P0711 before proceeding to the diagnostic table for DTC P0218. Repair of the condition that set DTC P0711 will likely eliminate DTC P0218.

  2. This step ensures that the transmission fluid is at the proper level. A low fluid level may cause an overtemperature condition.

  3. This step inspects for air restrictions and loss of transmission fluid flow causing an extremely high TFT.

DTC P0218

Step

Action

Values

Yes

No

1

Did you perform the Diagnostic System Check - Vehicle?

--

Go to Step 2

Go to Diagnostic System Check - Vehicle

2

  1. Install a scan tool.
  2. Turn ON the ignition, with the engine OFF.
  3. Important: Before clearing the DTCs, use the scan tool in order to record the Failure Records. Using the Clear Info function erases the Failure Records from the TCM.

  4. Record the Failure Records.
  5. Clear the DTCs.

Did DTC P0711 also set?

--

Go to DTC P0711

Go to Step 3

3

Perform the Transmission Fluid Checking Procedure.

Refer to Transmission Fluid Check .

Did you perform the Transmission Fluid Checking Procedure?

--

Go to Step 4

Go to Transmission Fluid Check

4

  1. Inspect the engine cooling system for the following conditions:
  2. • Air flow restrictions
    • Air flow blockage
    • System fluid level and condition
    • Debris in the radiator
  3. Inspect the transmission cooling system for the following conditions:
  4. • Air flow restrictions
    • Air flow blockage
    • Debris
    • Pinched, plugged, twisted or damaged cooler lines or hoses
    • Insufficient cooler flow
    • Low AT fluid cooler flow. Refer to Transmission Fluid Cooler Flushing and Flow Test .
  5. The transmission fluid and filter for:
  6. • Fluid that has become contaminated with engine coolant. Refer to Engine Coolant/Water in Transmission .
    • A clogged filter or a filter that is not seated correctly. Refer to Auxiliary Control Valve Body Cover, Fluid Filter Seal, and Filter Removal .
    • Clogged scavenger screens. Refer to Transfer Oil Pump Inlet Screen and Pipe Seal Replacement .
  7. The upper control valve body for:
  8. • Torque converter clutch control valve (317) stuck in the OFF position.
    • Fluid circuits leaking or blocked with debris. Refer to Control Valve Upper Body Disassemble .

Did you find and correct the condition?

--

Go to Step 7

Go to Step 5

5

Perform the Line Pressure Check Procedure.

Refer to Line Pressure Check .

Did you find and correct the condition?

--

Go to Step 7

Go to Step 6

6

Inspect the torque converter stator for damage.

Refer to Torque Converter Diagnosis .

Did you find and correct the condition?

--

Go to Step 7

Go to Symptoms - Automatic Transmission

7

Perform the following procedure in order to verify the repair:

  1. Select DTC.
  2. Select Clear Info.
  3. Operate the vehicle under the following conditions:
  4. • Turn ON the ignition, with the engine OFF.
    • The TFT must be 135°C (275°F) or less for 5 seconds.
  5. Select Specific DTC.
  6. Enter DTC P0218.

Has the test run and passed?

--

Go to Step 8

Go to Step 2

8

With the scan tool, observe the stored information, capture info. and DTC info.

Does the scan tool display any DTCs that you have not diagnosed?

--

Go to Diagnostic Trouble Code (DTC) List - Vehicle

System OK