GM Service Manual Online
For 1990-2009 cars only

Removal Procedure


    Object Number: 1663951  Size: SH
  1. Disconnect the negative battery cable. Refer to Battery Negative Cable Disconnection and Connection .
  2. Remove the radiator. Refer to Radiator Replacement .
  3. Remove the drive belt. Refer to Drive Belt Replacement .
  4. Disconnect the engine wiring harness electrical connector (5) from the generator.

  5. Object Number: 1670187  Size: SH
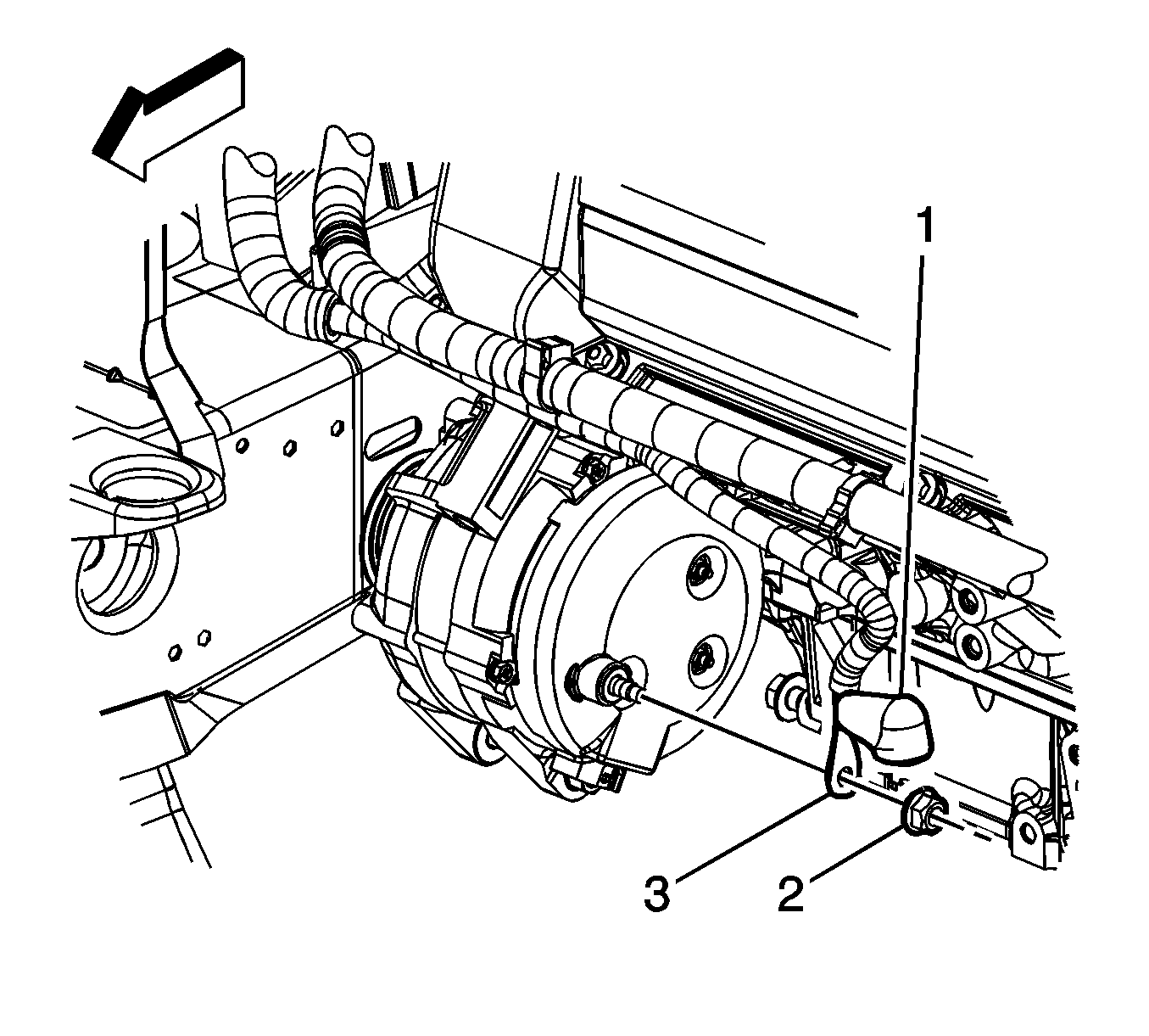
  6. Reposition the starter solenoid cable protective boot (1) at the generator.
  7. Remove the generator terminal nut (2).
  8. Remove the starter solenoid cable terminal (3) from the generator.

  9. Object Number: 1669928  Size: SH
  10. Remove the generator bolts.
  11. Reposition the engine ground cable.
  12. Remove the generator.

Installation Procedure


    Object Number: 1669928  Size: SH
  1. Position the generator to the engine.
  2. Install the generator bolts finger tight in the following sequence.
  3. 2.1. Upper bolt
    2.2. Side bolt
    2.3. Lower bolt

    Notice: Refer to Fastener Notice in the Preface section.

  4. Tighten the generator bolts.
  5. Tighten
    Tighten the bolts to 50 N·m (37 lb ft).


    Object Number: 1670187  Size: SH
  6. Install the starter solenoid cable terminal (3) to the generator.
  7. Install the generator terminal nut (2).
  8. Tighten
    Tighten the nut to 12 N·m (106 lb in).

  9. Position the starter solenoid cable protective boot (1) at the generator.

  10. Object Number: 1663951  Size: SH
  11. Connect the engine wiring harness electrical connector (5) to the generator.
  12. Install the drive belt. Refer to Drive Belt Replacement .
  13. Install the radiator. Refer to Radiator Replacement .
  14. Connect the negative battery cable. Refer to Battery Negative Cable Disconnection and Connection .