GM Service Manual Online
For 1990-2009 cars only
Makes
🢒
Cadillac
🢒
2008
🢒
DTS
🢒
Engine
🢒
Engine Electrical
🢒 Starting and Charging Schematics
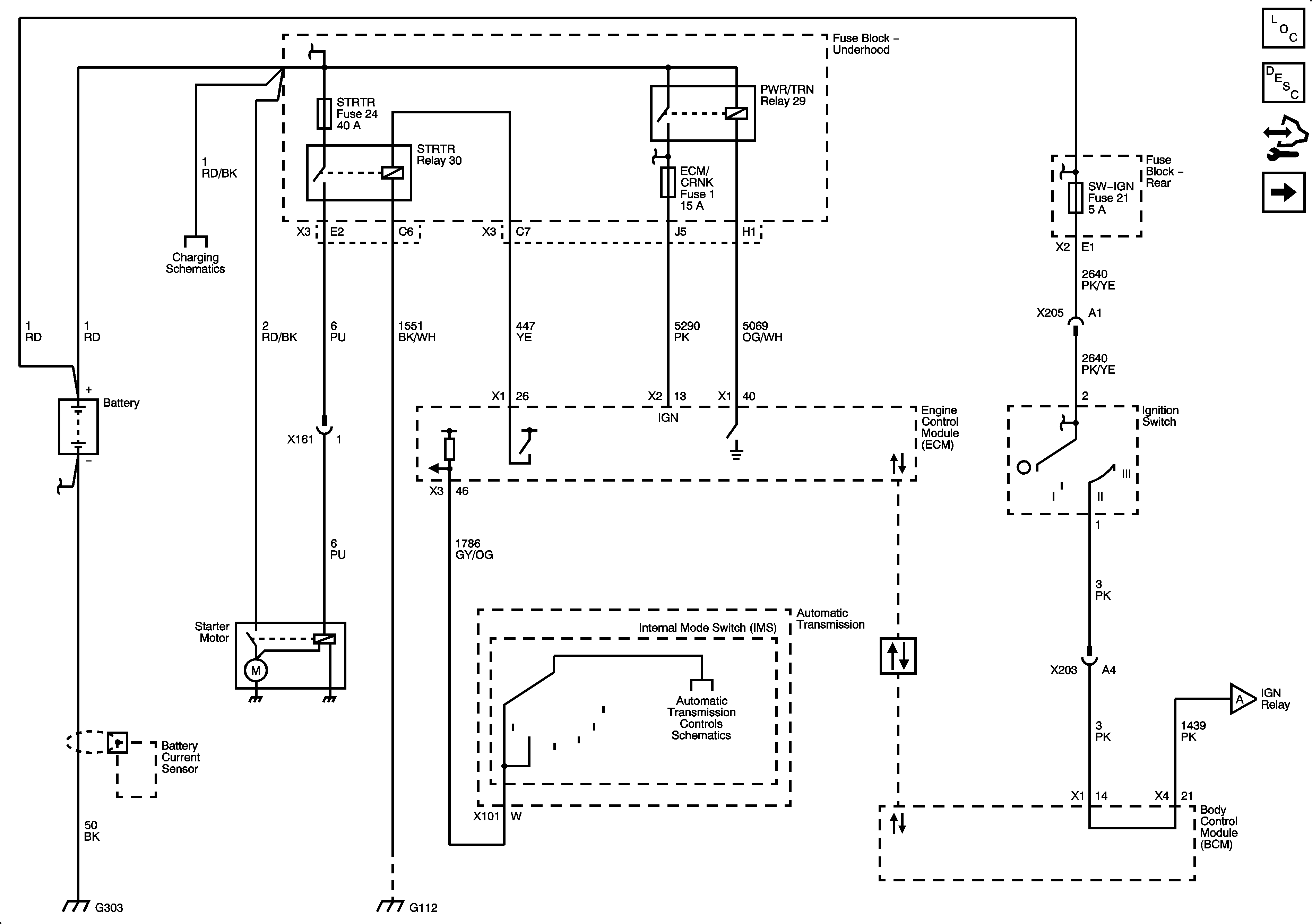
Figure
1:
Starting 1 of 2
Master Electrical Component List
Starting System Description and Operation
Control Module References
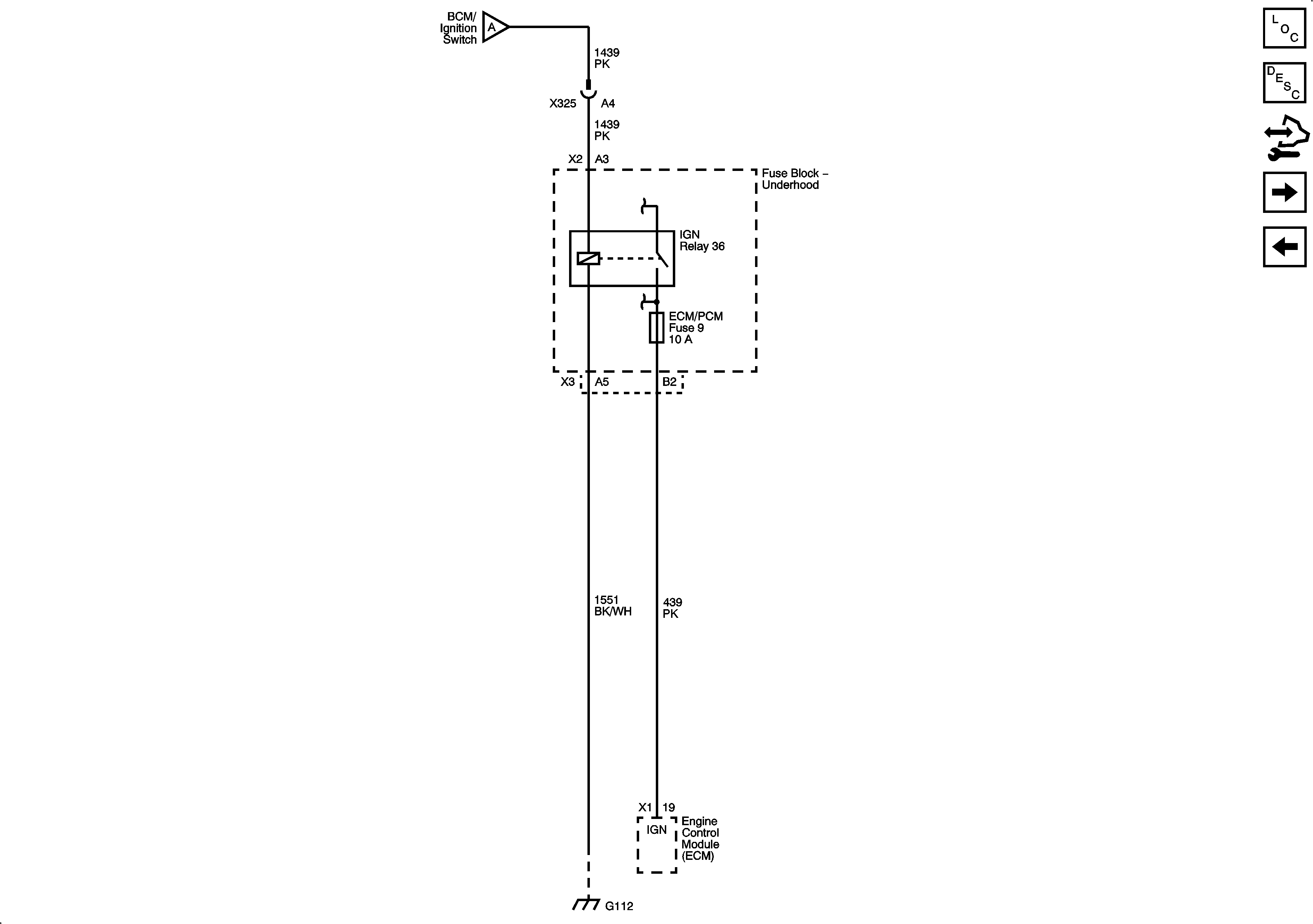
Starting 2 of 2
Figure
2:
Starting 2 of 2
Master Electrical Component List
Starting System Description and Operation
Control Module References
Starting 1 of 2
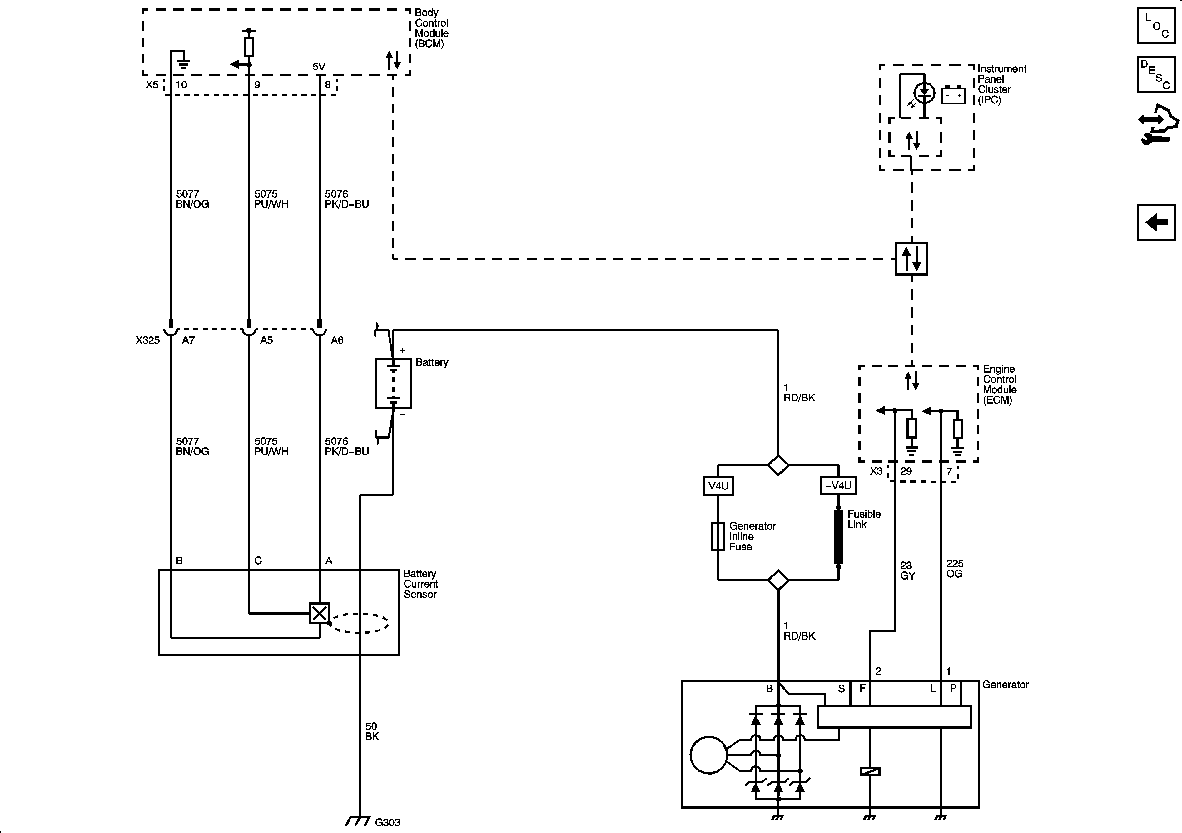
Charging
Figure
3:
Charging
Master Electrical Component List
Charging System Description and Operation
Control Module References
Starting 2 of 2