GM Service Manual Online
For 1990-2009 cars only

    Notice: Refer to Fastener Notice in the Preface section.


    Object Number: 1207095  Size: SH
  1. Install the air conditioning compressor stud.
  2. Tighten
    Tighten the air conditioning compressor stud to 25 N·m (18 lb ft).


    Object Number: 1207096  Size: SH
  3. Slide the air conditioning compressor over the air conditioning compressor stud and hold in position.

  4. Object Number: 1207098  Size: SH
  5. Install the front air conditioning compressor bolt finger tight.

  6. Object Number: 1207092  Size: SH
  7. Install the front air conditioning compressor nut finger tight.
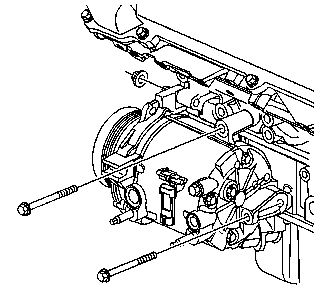
  8. Install the side air conditioning compressor bolts finger tight.

  9. Object Number: 1207102  Size: SH
  10. Tighten the front air conditioning compressor fasteners in sequence.
  11. Tighten
    Tighten the front air conditioning compressor fasteners to 50 N·m (36 lb ft).


    Object Number: 1207103  Size: SH
  12. Tighten the side air conditioning compressor fasteners in sequence.
  13. Tighten

    1. Tighten the side upper air conditioning compressor bolt to 50 N·m (36 lb ft).
    2. Tighten the side lower/rear air conditioning compressor bolt to 25 N·m (18 lb ft).