GM Service Manual Online
For 1990-2009 cars only
Makes
🢒
Cadillac
🢒
2008
🢒
DTS
🢒
Diagnostic Navigation
🢒
Vehicle Diagnostic Information
🢒 Passenger Seat Schematics
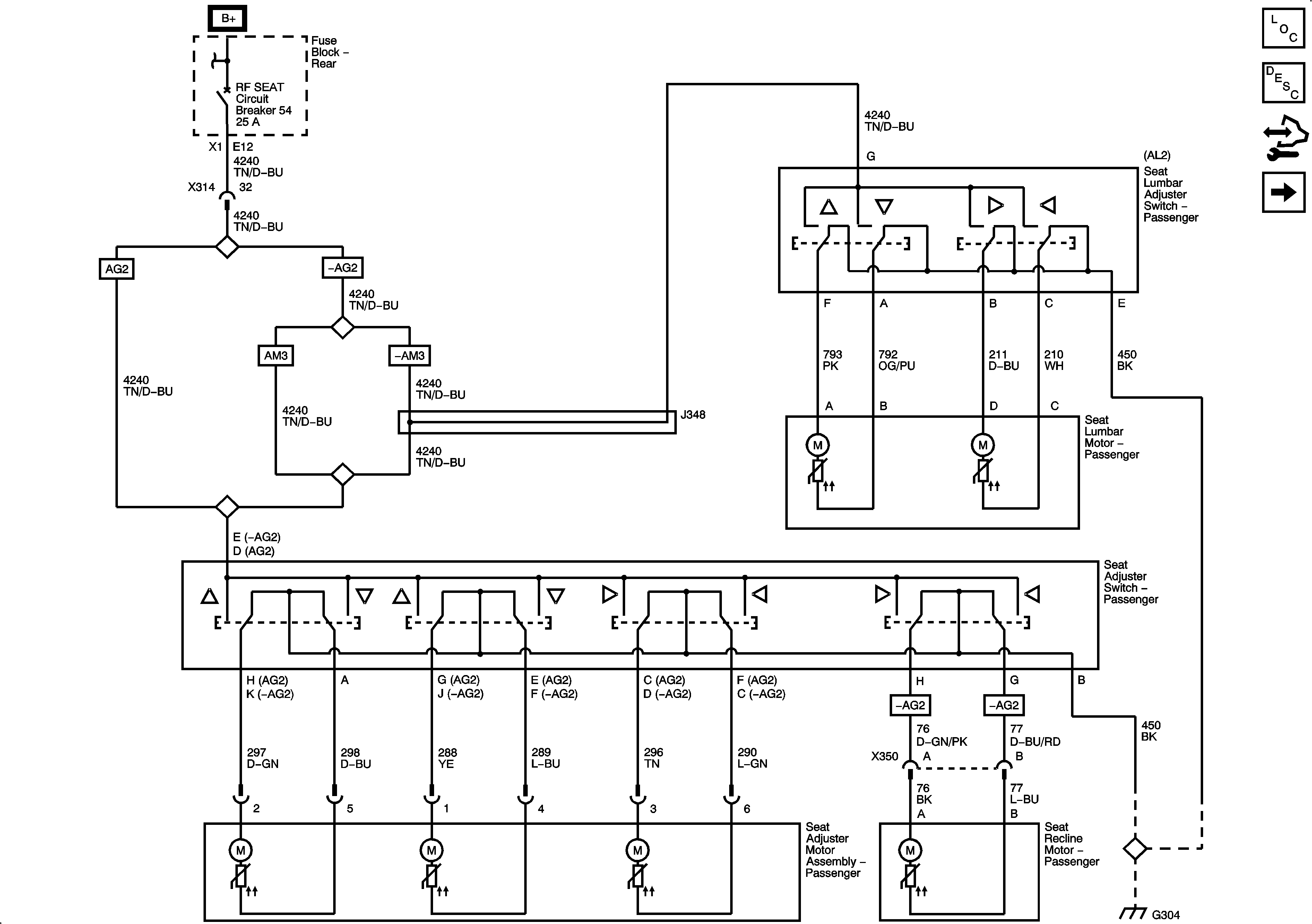
Figure
1:
Seat Position Controls and Lumbar Controls (Except AM3)
Master Electrical Component List
Power Seats System Description and Operation
Control Module References
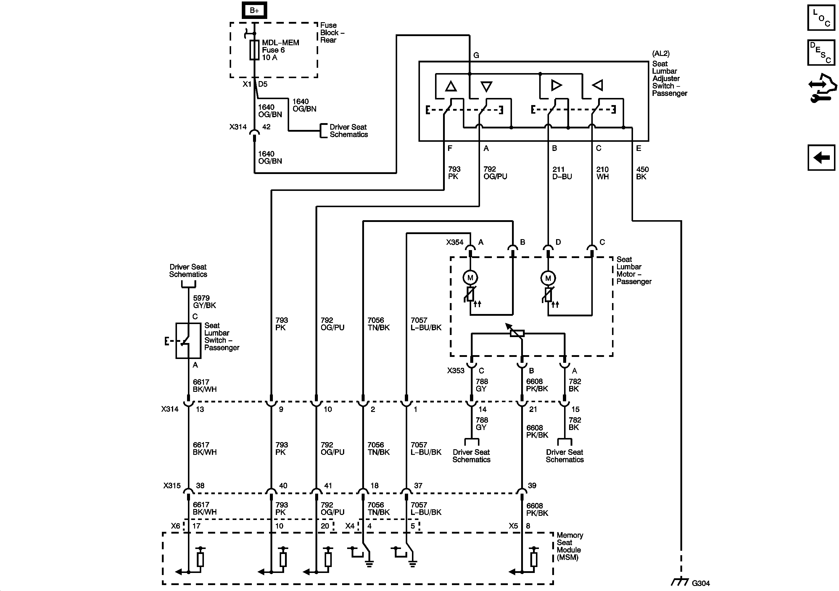
Lumbar and Massage Controls (AM3)
Figure
2:
Lumbar and Massage Controls (AM3)
Master Electrical Component List
Memory Seats Description and Operation
Control Module References
Seat Position Controls and Lumbar Controls (Except AM3)