GM Service Manual Online
For 1990-2009 cars only
Figure 1:

Power, Ground, MIL and DLC


Object Number: 1885157  Size: FS
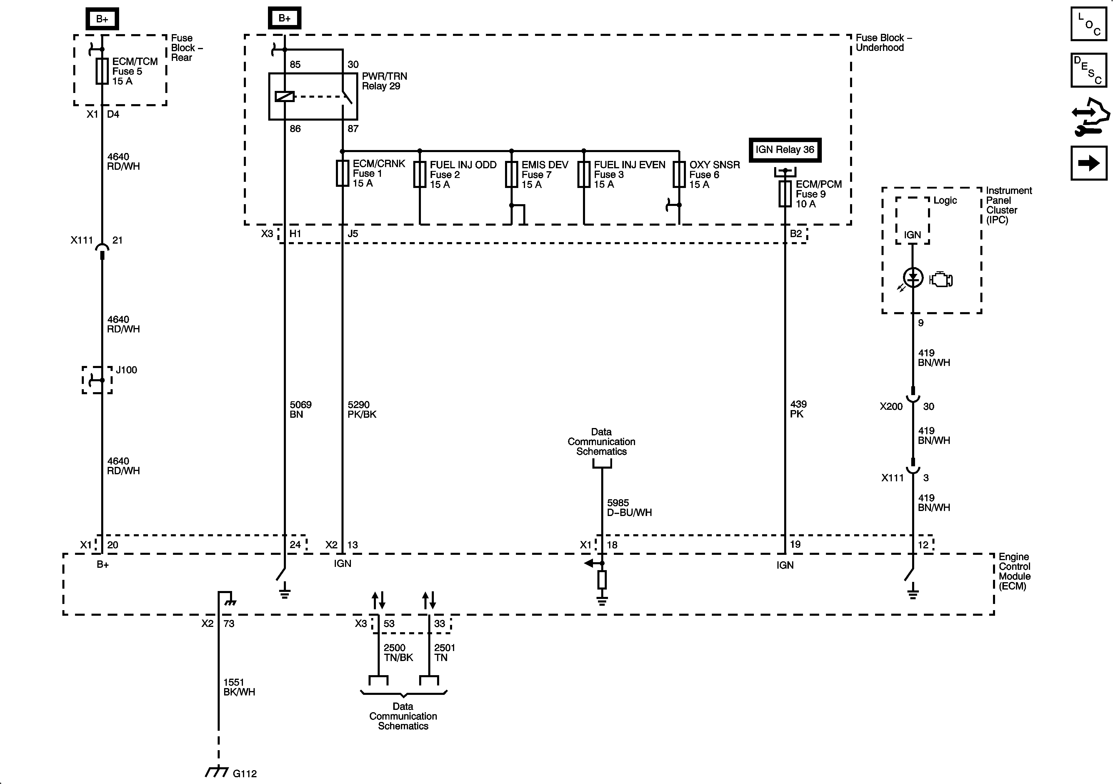
Master Electrical Component List
Engine Control Module Description
Control Module References
Engine Data Sensors, 5V Reference Bussing
Figure 2:

Engine Data Sensors, 5-Volt Reference Bussing


Object Number: 1885164  Size: FS
Master Electrical Component List
Engine Control Module Description
Control Module References
Power, Ground, MIL and DLC
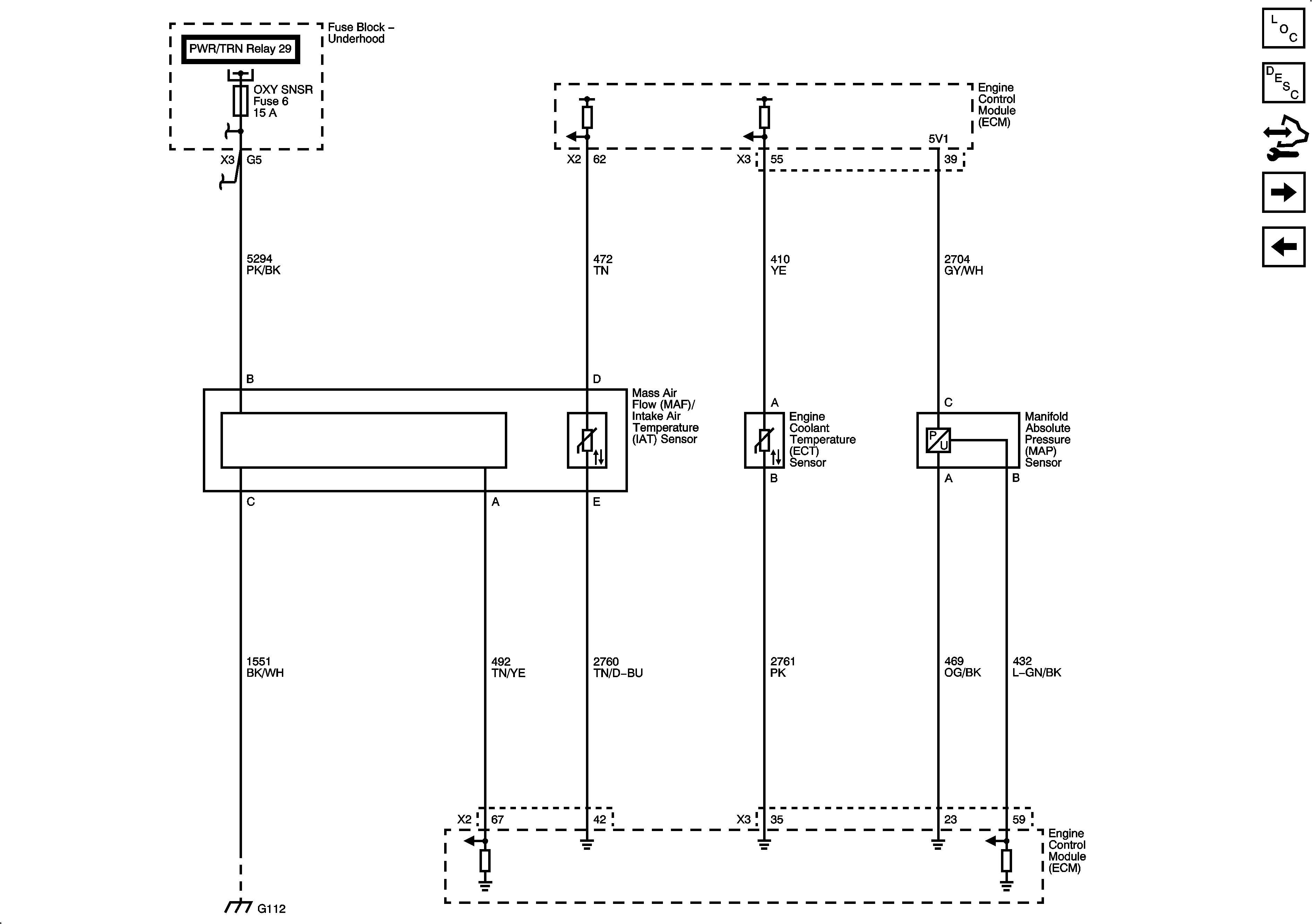
Engine Data Sensors, Pressure, Temp and MAF/IAT
Figure 3:

Engine Data Sensors, Pressure, Temp and MAF/IAT


Object Number: 1885167  Size: FS
Master Electrical Component List
Engine Control Module Description
Control Module References
Engine Data Sensors, 5V Reference Bussing
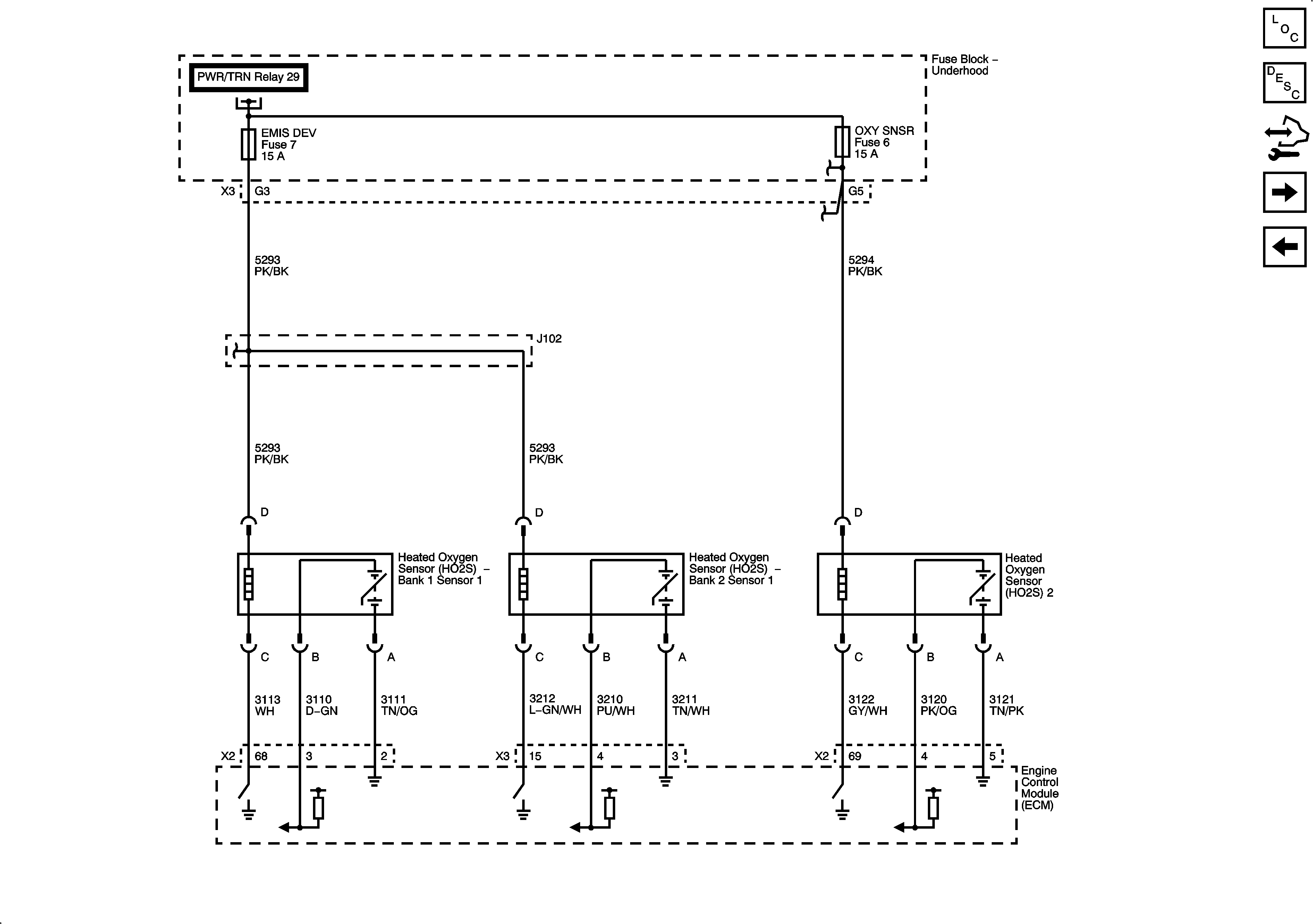
Engine Data Sensors, HO2S
Figure 4:

Engine Data Sensors, HO2S


Object Number: 1885169  Size: FS
Master Electrical Component List
Engine Control Module Description
Control Module References
Engine Data Sensors, Pressure, Temp and MAF/IAT
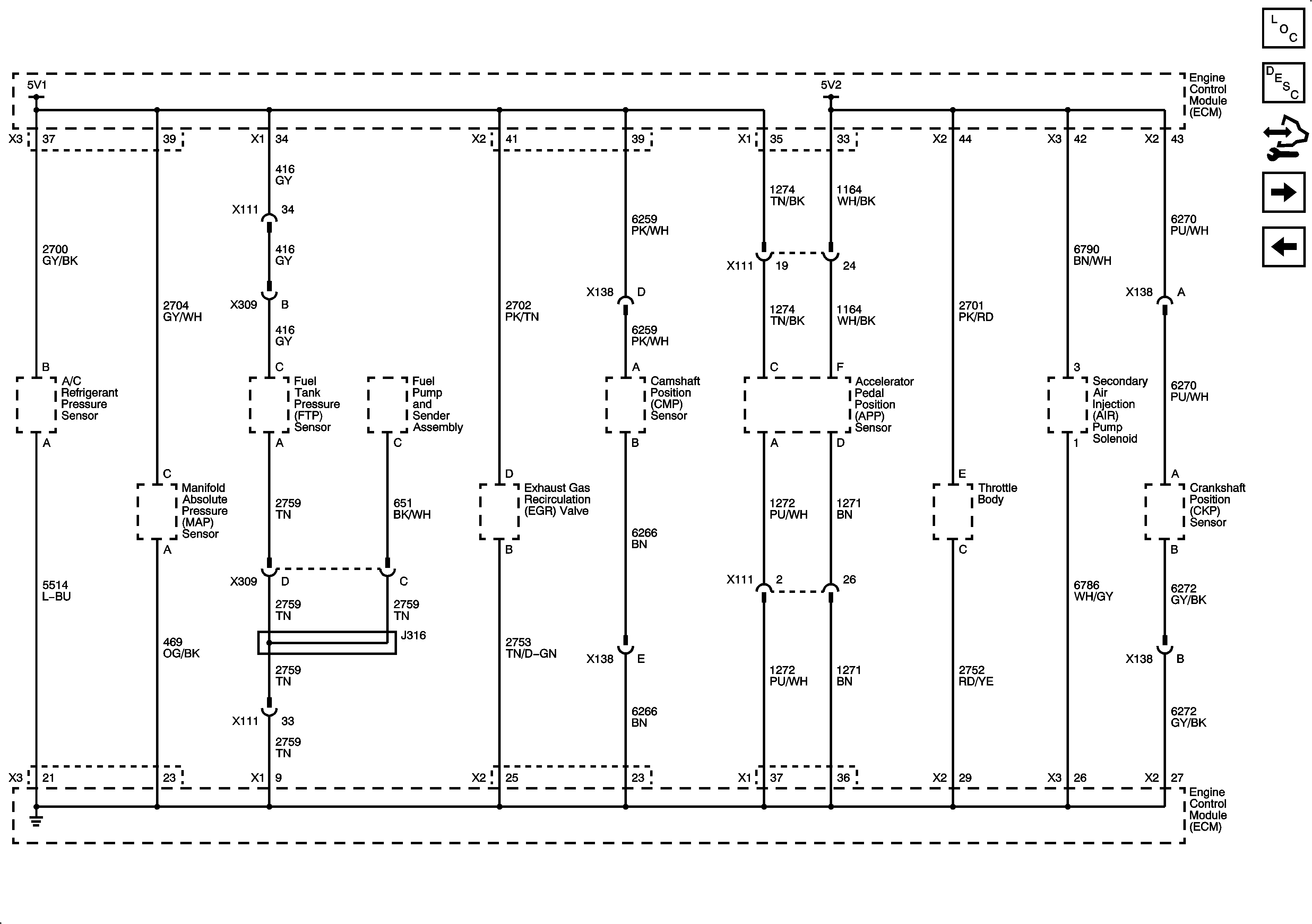
Engine Data Sensors, APP and Throttle Body Assembly
Figure 5:

Engine Data Sensors, APP and Throttle Body Assembly


Object Number: 1885173  Size: FS
Master Electrical Component List
Engine Control Module Description
Control Module References
Engine Data Sensors, HO2S
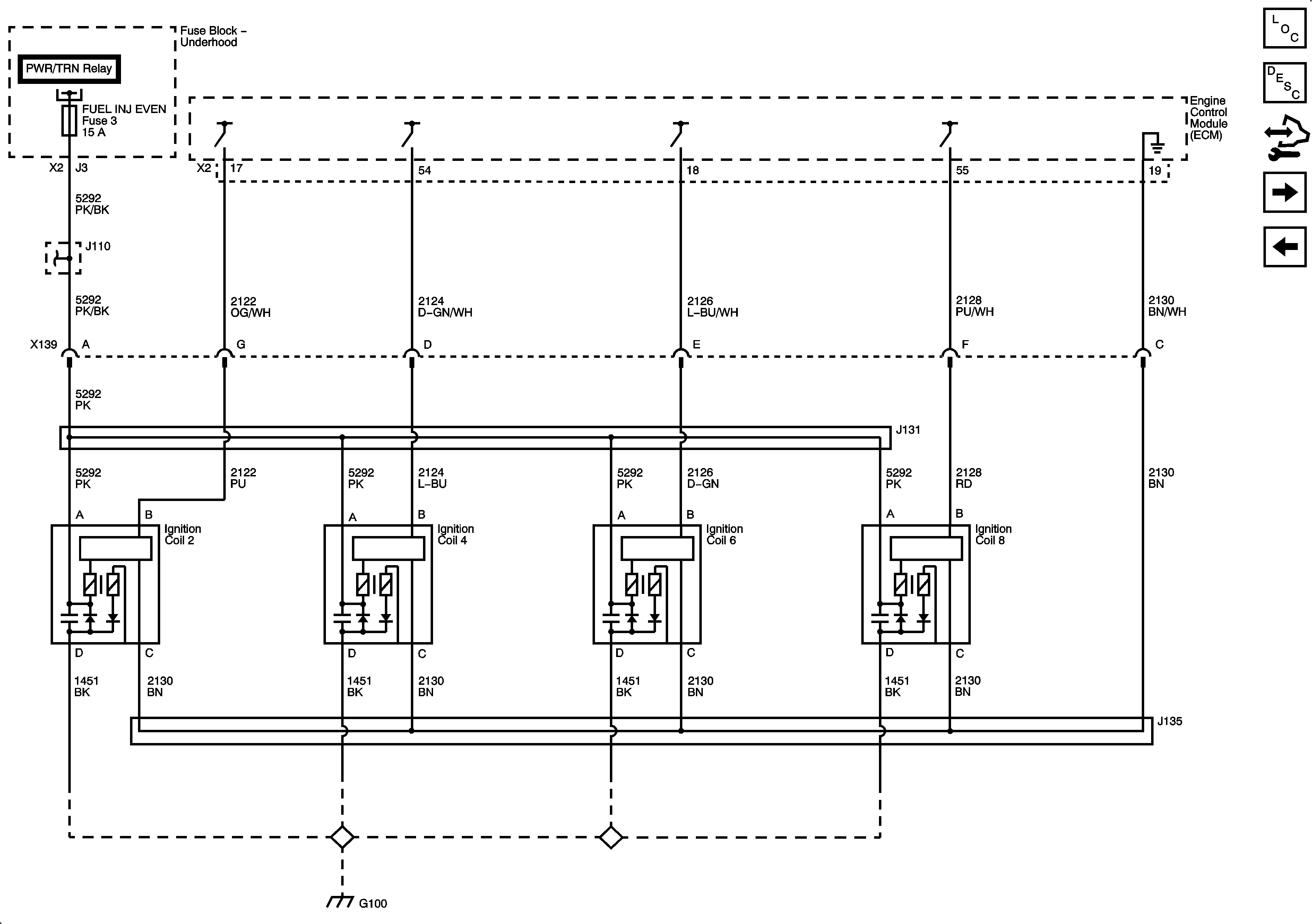
Ignition Controls 1 of 2
Figure 6:

Ignition Controls 1 of 2


Object Number: 1885175  Size: FS
Master Electrical Component List
Electronic Ignition (EI) System Description
Control Module References
Engine Data Sensors, APP and Throttle Body Assembly
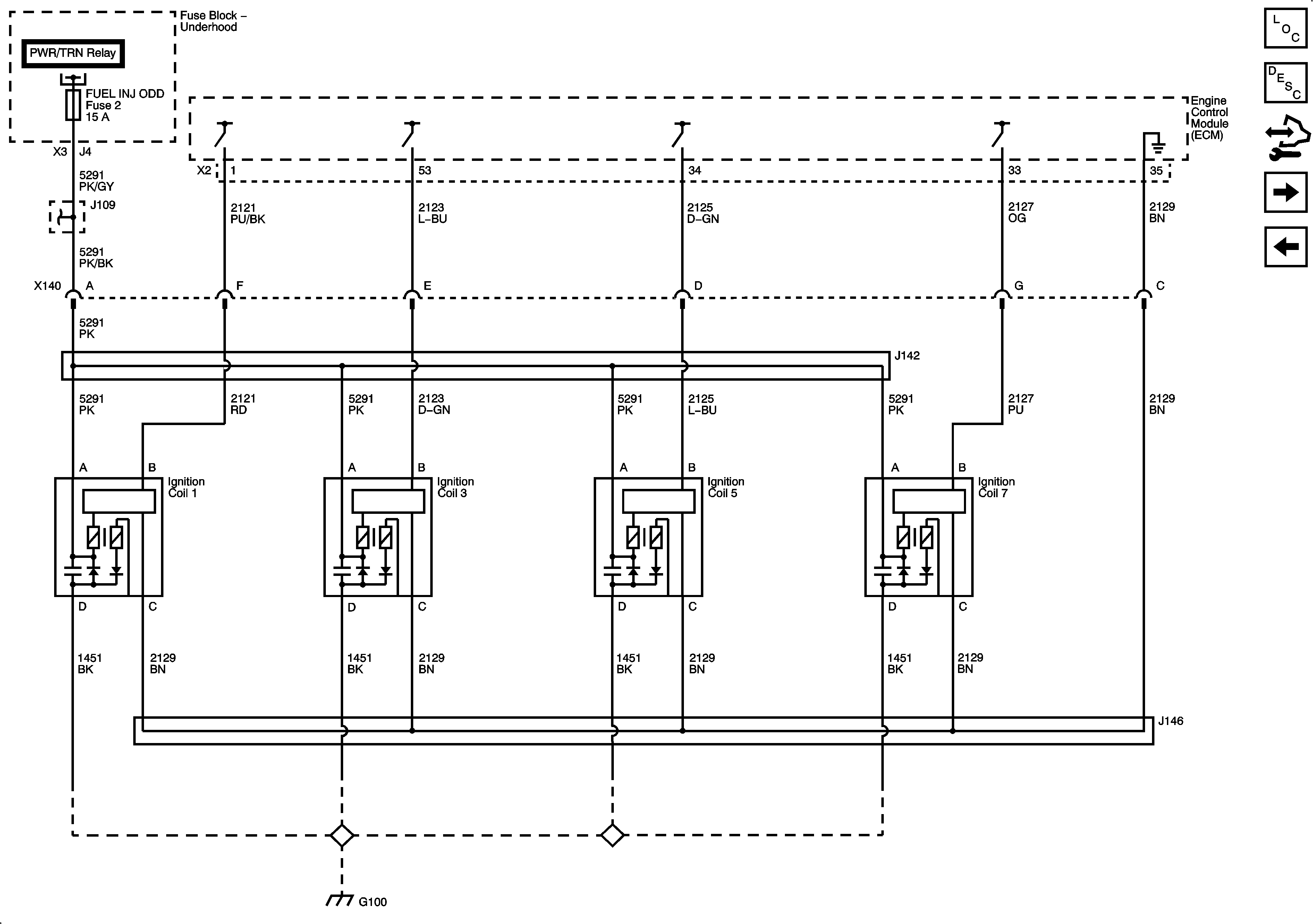
Ignition Controls 2 of 2
Figure 7:

Ignition Controls 2 of 2


Object Number: 1885177  Size: FS
Master Electrical Component List
Electronic Ignition (EI) System Description
Control Module References
Ignition Controls 1 of 2
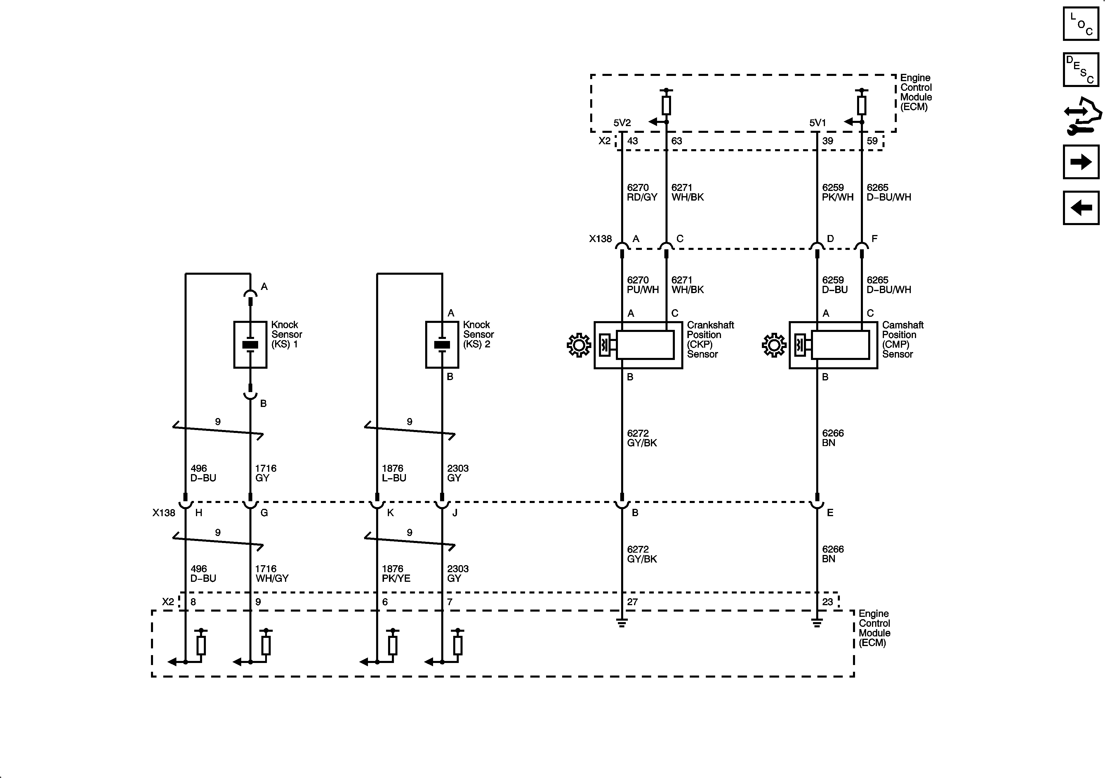
CKP, CMP, Knock Sensors
Figure 8:

CKP, CMP, Knock Sensors


Object Number: 1885179  Size: FS
Master Electrical Component List
Engine Control Module Description
Control Module References
Ignition Controls 2 of 2
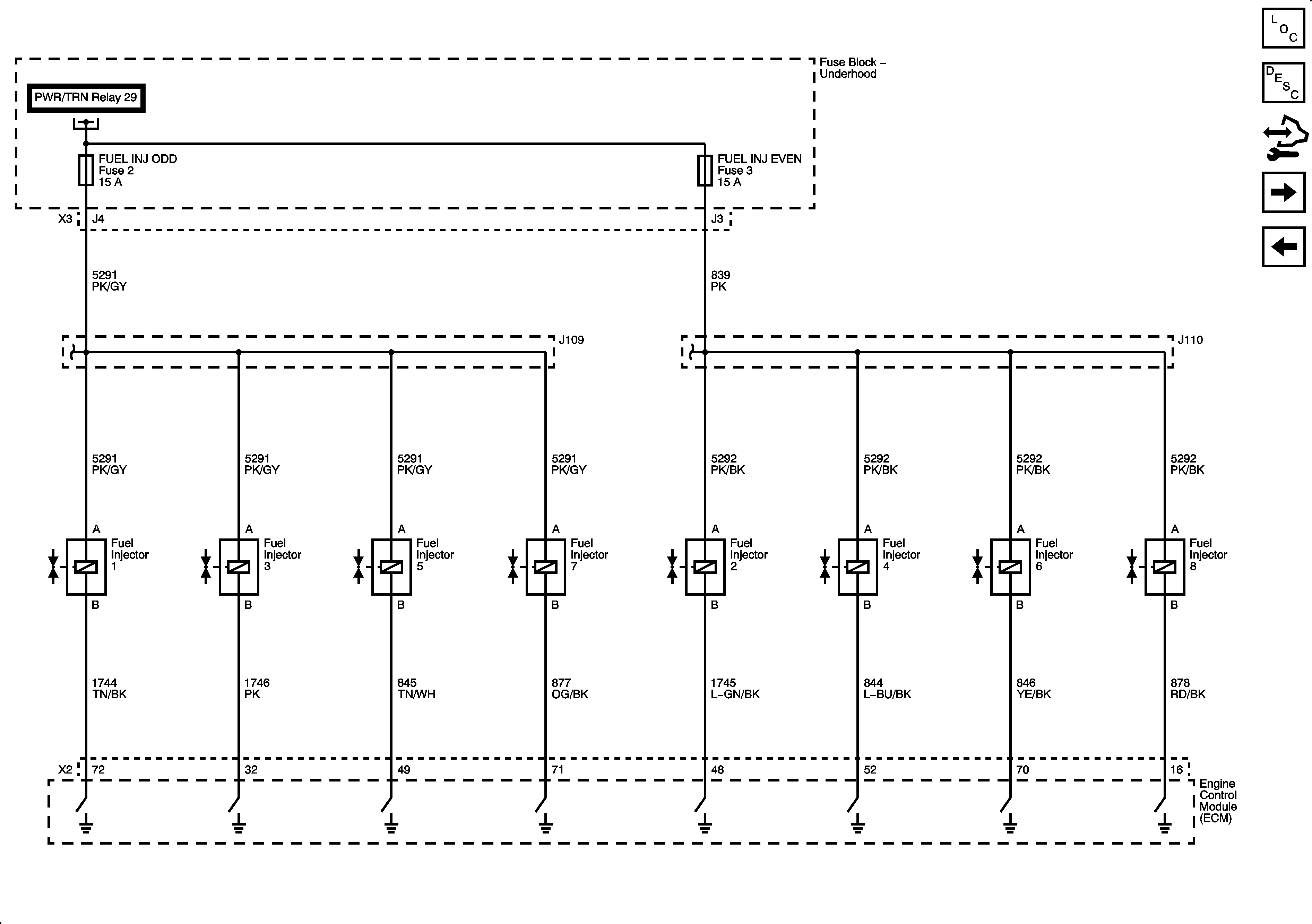
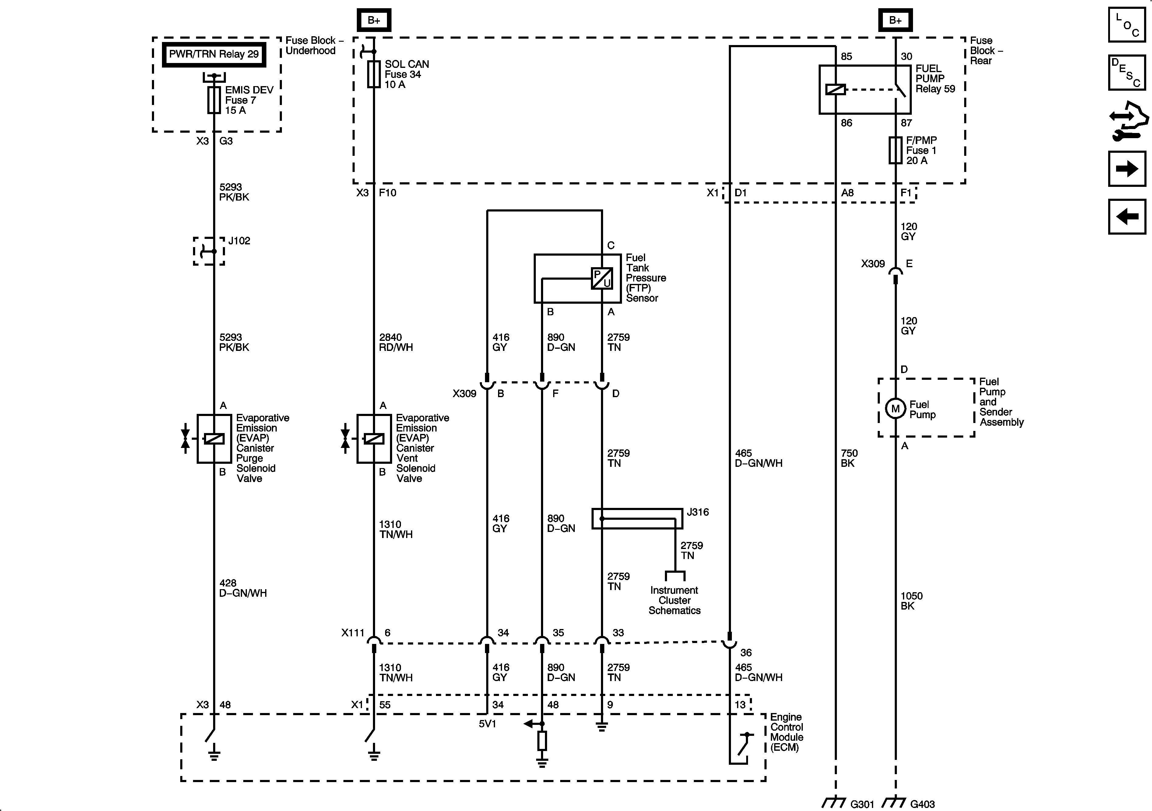
Fuel Controls
Figure 9:

Fuel Controls


Object Number: 1885182  Size: FS
Master Electrical Component List
Fuel System Description
Control Module References
CKP, CMP, Knock Sensors
EVAP Controls
Figure 10:

EVAP Controls


Object Number: 1885186  Size: FS
Master Electrical Component List
Evaporative Emission Control System Description
Control Module References
Fuel Controls
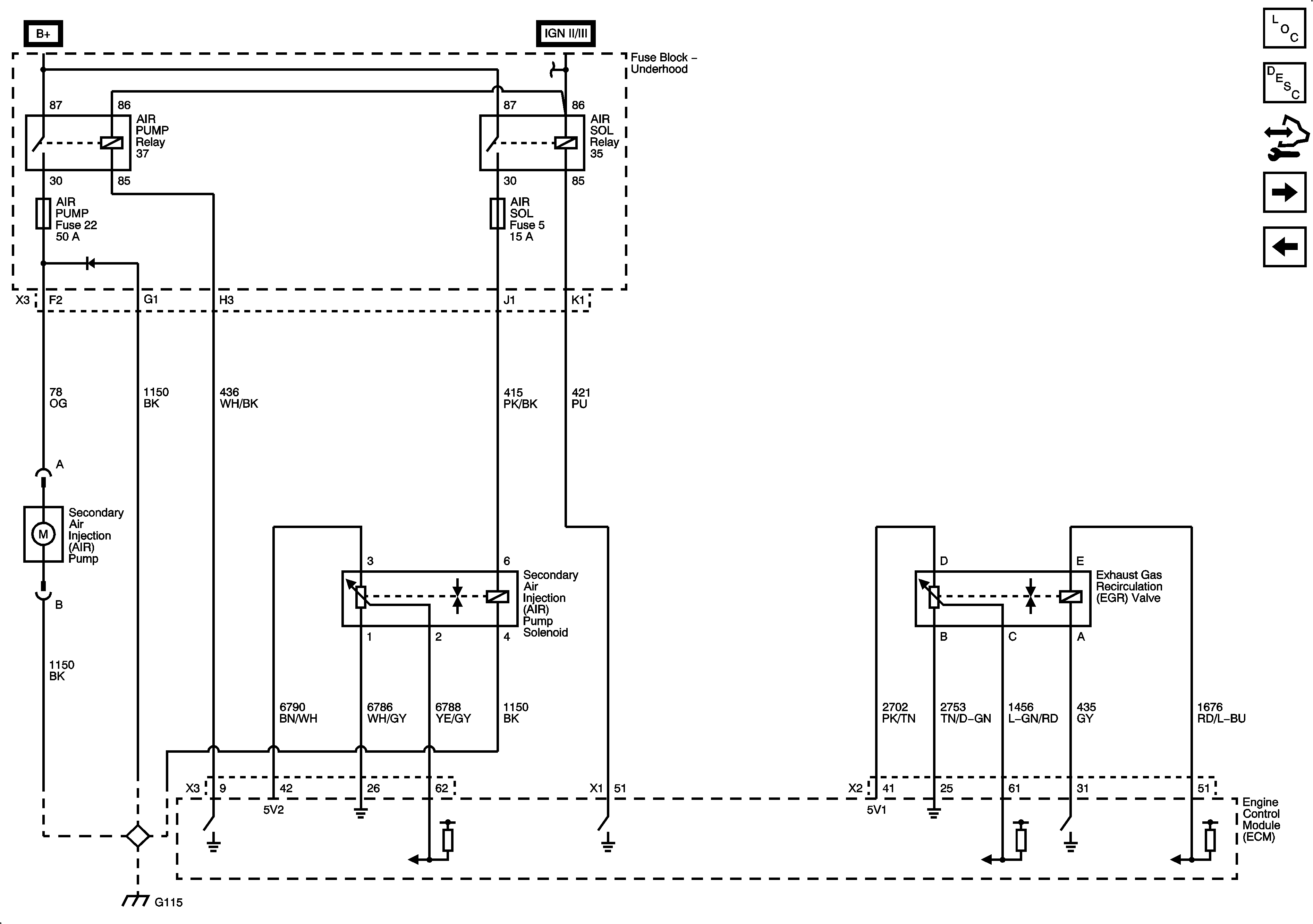
AIR, EGR
Figure 11:

AIR, EGR


Object Number: 1885189  Size: FS
Master Electrical Component List
Exhaust Gas Recirculation (EGR) System Description
Control Module References
EVAP Controls
Controlled/Monitored Subsystem References
Figure 12:

Controlled/Monitored Subsystem References


Object Number: 1885192  Size: FS
Master Electrical Component List
Engine Control Module Description
Control Module References
AIR, EGR