GM Service Manual Online
For 1990-2009 cars only
Makes
🢒
Cadillac
🢒
2008
🢒
DTS
🢒
Suspension
🢒
Automatic Level Control
🢒 Automatic Level Control Schematics
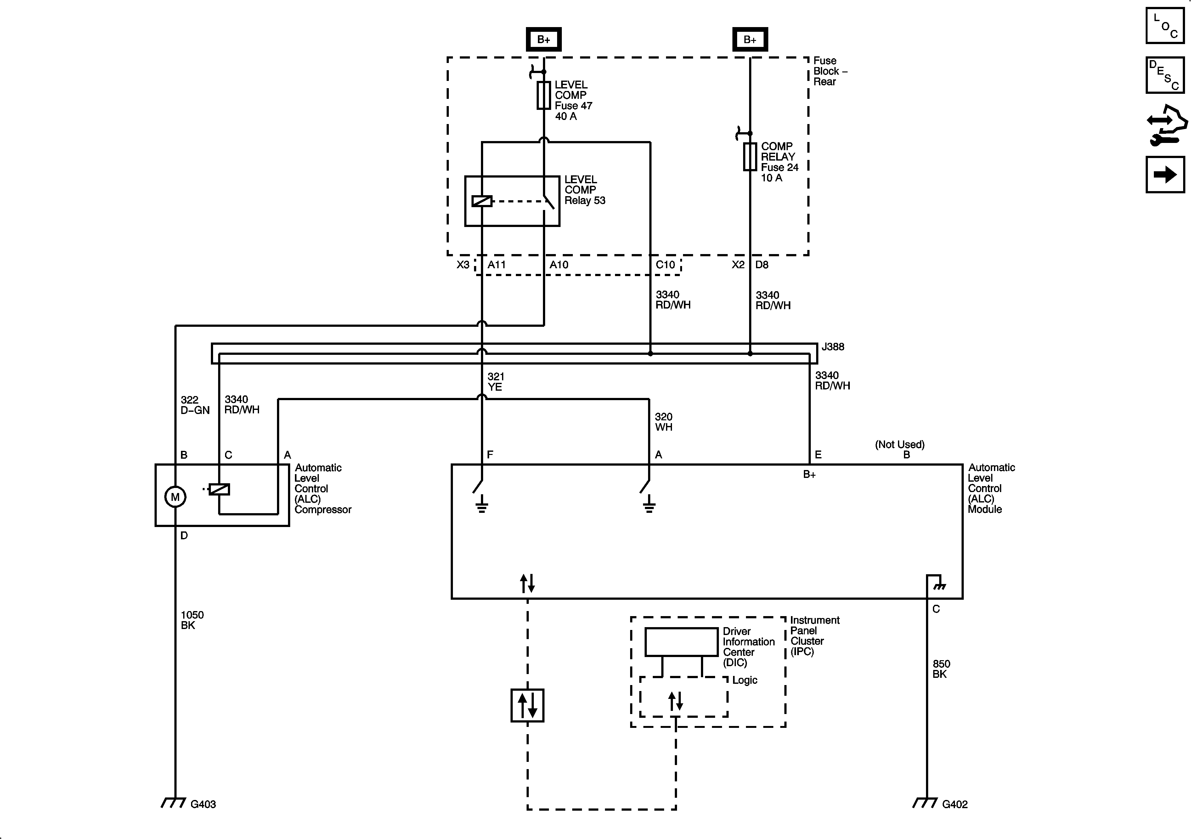
Figure
1:
Automatic Level Control (ALC) w/FE1
Master Electrical Component List
Automatic Level Control Description and Operation (W/O F55)
Control Module References
Automatic Level Control (ALC) w/F55
Figure
2:
Automatic Level Control (ALC) w/F55
Master Electrical Component List
Automatic Level Control Description and Operation (With F55)
Control Module References
Automatic Level Control (ALC) w/FE1