GM Service Manual Online
For 1990-2009 cars only

Coil Spring Replacement FE1 and FE3

Tools Required

J 24319-B Steering Linkage Puller

Removal Procedure


    Object Number: 472979  Size: SH
  1. Raise and support the vehicle. Refer to Lifting and Jacking the Vehicle .
  2. Remove the tire and the wheel. Refer to Tire and Wheel Removal and Installation .
  3. Support the lower control arm with a suitable jack.
  4. Remove the automatic level control link from the lower control arm.
  5. Remove the shock absorber lower retaining bolts.

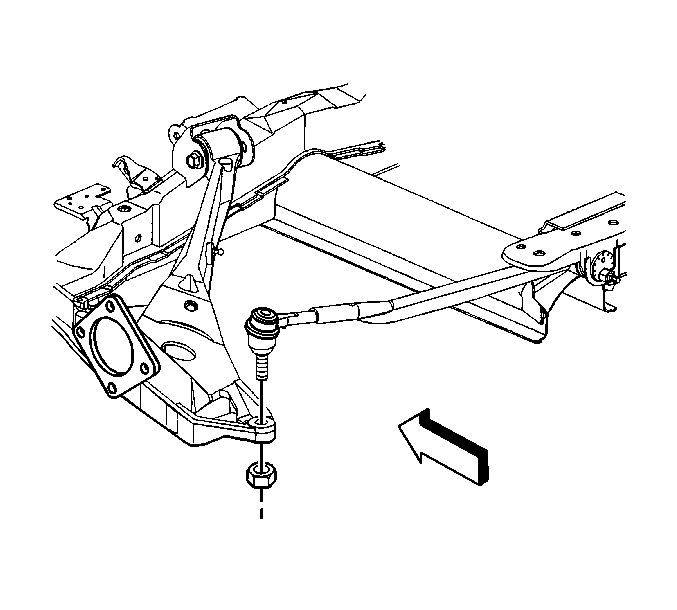
  6. Object Number: 643351  Size: SH
  7. Remove the adjustment link retaining nut.
  8. Using J 24319-B

  9. Object Number: 561653  Size: SH
  10. Slowly lower the lower control arm until it bottoms on the support assembly.
  11. Remove the coil spring.

Installation Procedure


    Object Number: 561653  Size: SH
  1. Install the coil spring ensuring the insulator is seated in the lower control arm.

  2. Object Number: 472979  Size: SH

    Notice: Use the correct fastener in the correct location. Replacement fasteners must be the correct part number for that application. Fasteners requiring replacement or fasteners requiring the use of thread locking compound or sealant are identified in the service procedure. Do not use paints, lubricants, or corrosion inhibitors on fasteners or fastener joint surfaces unless specified. These coatings affect fastener torque and joint clamping force and may damage the fastener. Use the correct tightening sequence and specifications when installing fasteners in order to avoid damage to parts and systems.

  3. Raise the lower control arm and install the shock absorber lower retaining bolts.
  4. Tighten
    Tighten the shock absorber lower retaining bolts to 25 N·m (18 lb ft).


    Object Number: 472989  Size: SH
  5. Install the adjustment link to the control arm.
  6. Install the adjustment link retaining nut.
  7. Tighten
    Tighten the adjustment link retaining nut to 30 N·m (22 lb ft) then tighten an additional 180 degrees.

  8. Connect the automatic level control link to the lower control arm.
  9. Install the tire and wheel. Refer to Tire and Wheel Removal and Installation .
  10. Lower the vehicle.

Coil Spring Replacement FE7

Tools Required

    • J 24319-B Steering Linkage Puller
    • J 44255 Coil Spring Compressor

Removal Procedure


    Object Number: 567535  Size: SH
  1. Raise the vehicle and support. Refer to Lifting and Jacking the Vehicle .
  2. Remove the tires and the wheels. Refer to Tire and Wheel Removal and Installation .
  3. Support the control arm with a suitable jack.
  4. Remove the electronic level control air tube from the shock.
  5. Remove the 2 bolts securing the shock to the control arm.

  6. Object Number: 643351  Size: SH
  7. Remove the hex nut.
  8. Using the J 24319-B

  9. Object Number: 629633  Size: SH
  10. Install the J 44255 .
  11. Slowly lower the control arm until it bottoms on the support assembly.
  12. Remove the coil spring.

Installation Procedure


    Object Number: 629633  Size: SH
  1. Install the coil spring in the J 44255 .

  2. Object Number: 561653  Size: SH
  3. Install the spring ensuring the insulator is seated in the control arm.
  4. Notice: Refer to Fastener Notice in the Preface section.


    Object Number: 472979  Size: SH
  5. Raise the lower control arm and install the 2 shock bolts in the control arm.
  6. Tighten
    Tighten the shock bolts to 25 N·m (18 lb ft).


    Object Number: 567535  Size: SH
  7. Install the adjustment link to the control arm.
  8. Tighten
    Tighten the adjustment link to 30 N·m (22 lb ft), then tighten an additional 180 degrees.

  9. Connect the electronic level control air tube to the shock.
  10. Install the tires and the wheels. Refer to Tire and Wheel Removal and Installation .
  11. Tighten
    Tighten the wheel nuts to 125 N·m (80 lb ft).

  12. Lower the vehicle.
  13. Check the toe and adjust if necessary. Refer to Rear Toe Adjustment .