GM Service Manual Online
For 1990-2009 cars only
Figure 1:

G101, G110, G111, G114, G115, G302, G303, G306, G307


Object Number: 1885845  Size: FS
Master Electrical Component List
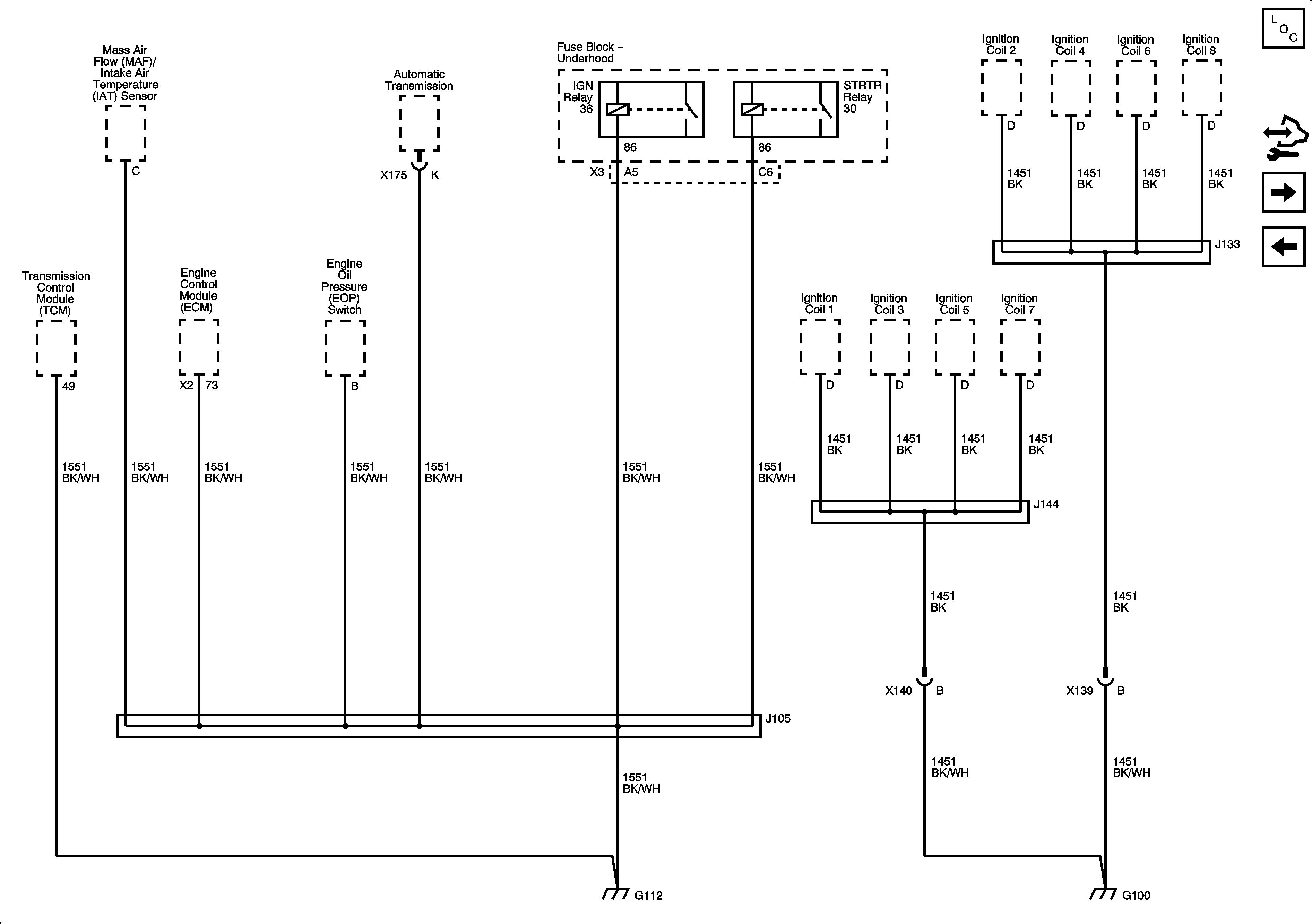
Control Module References
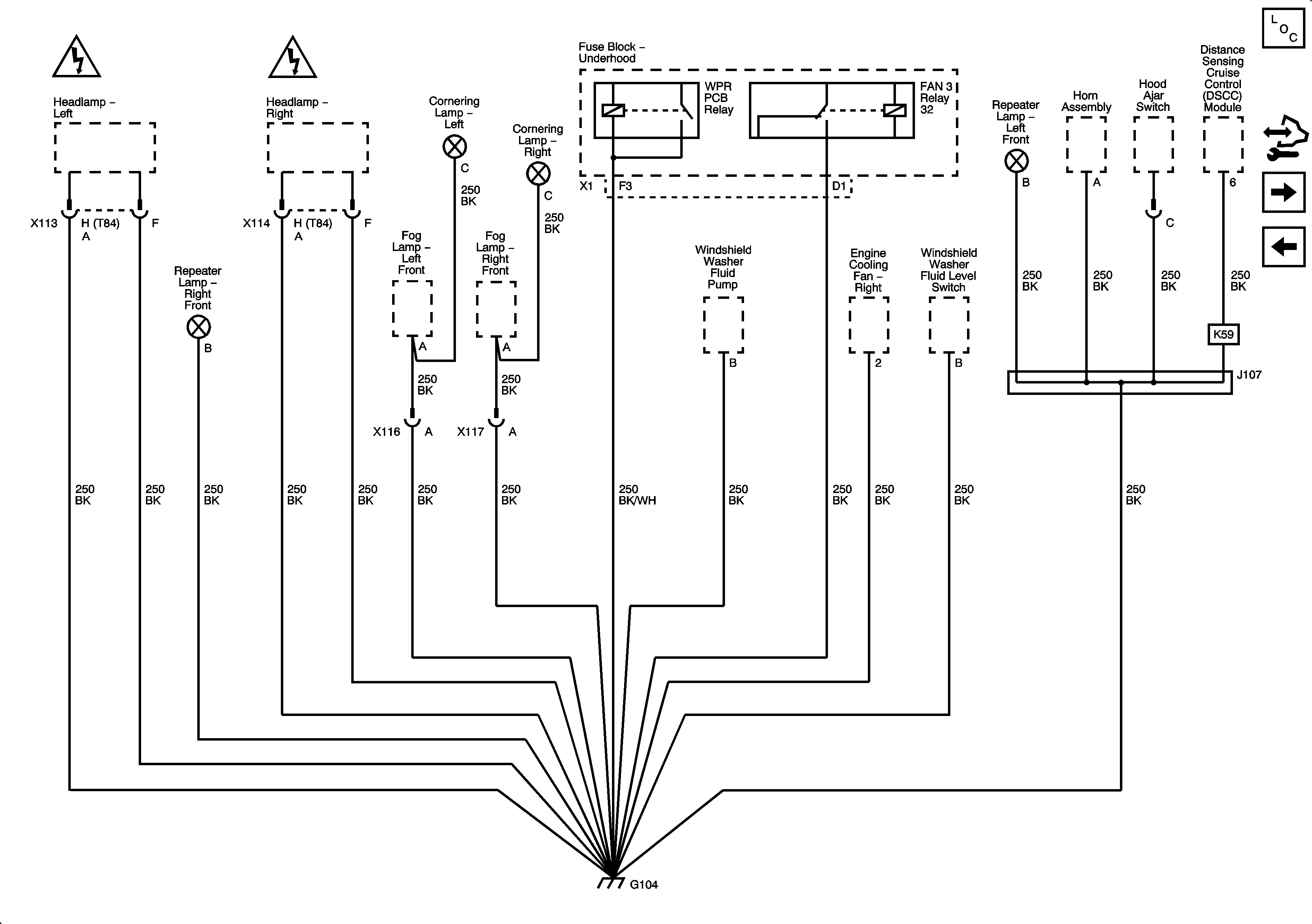
G100, G112
Figure 2:

G100, G112


Object Number: 1885849  Size: FS
Master Electrical Component List
Control Module References
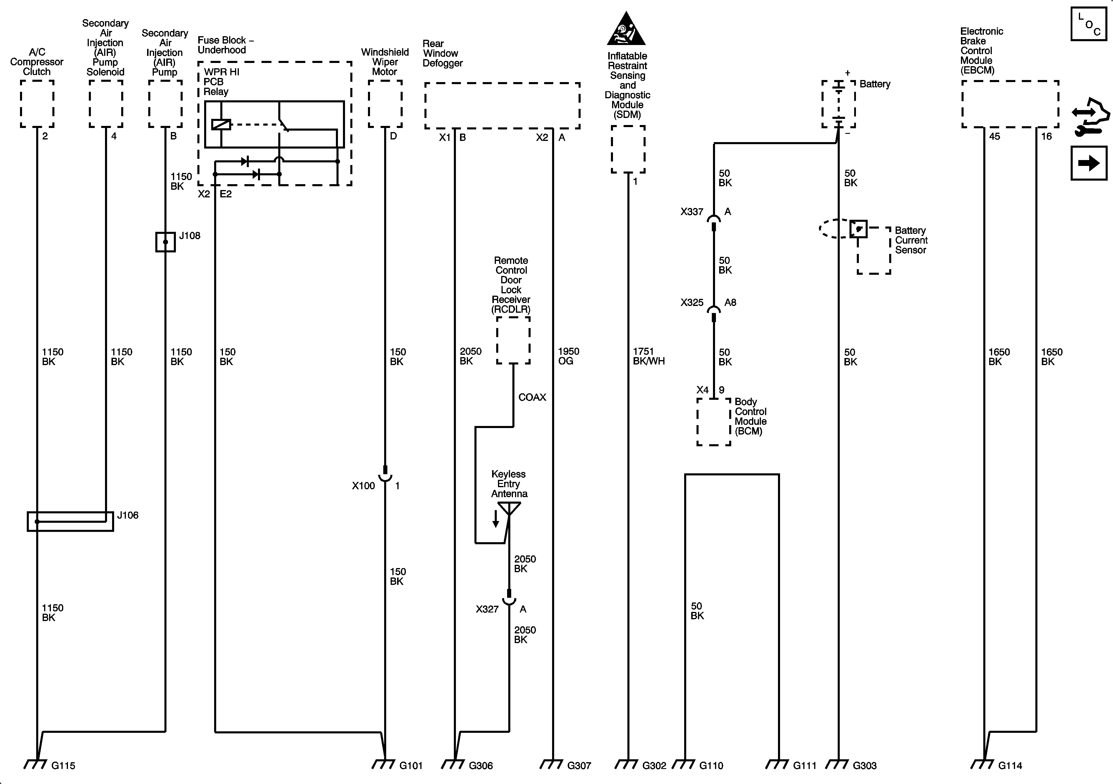
G101, G110, G111, G114, G115, G302, G303, G306, G307
G104
Figure 3:

G104


Object Number: 1885854  Size: FS
Master Electrical Component List
Control Module References
G100, G112
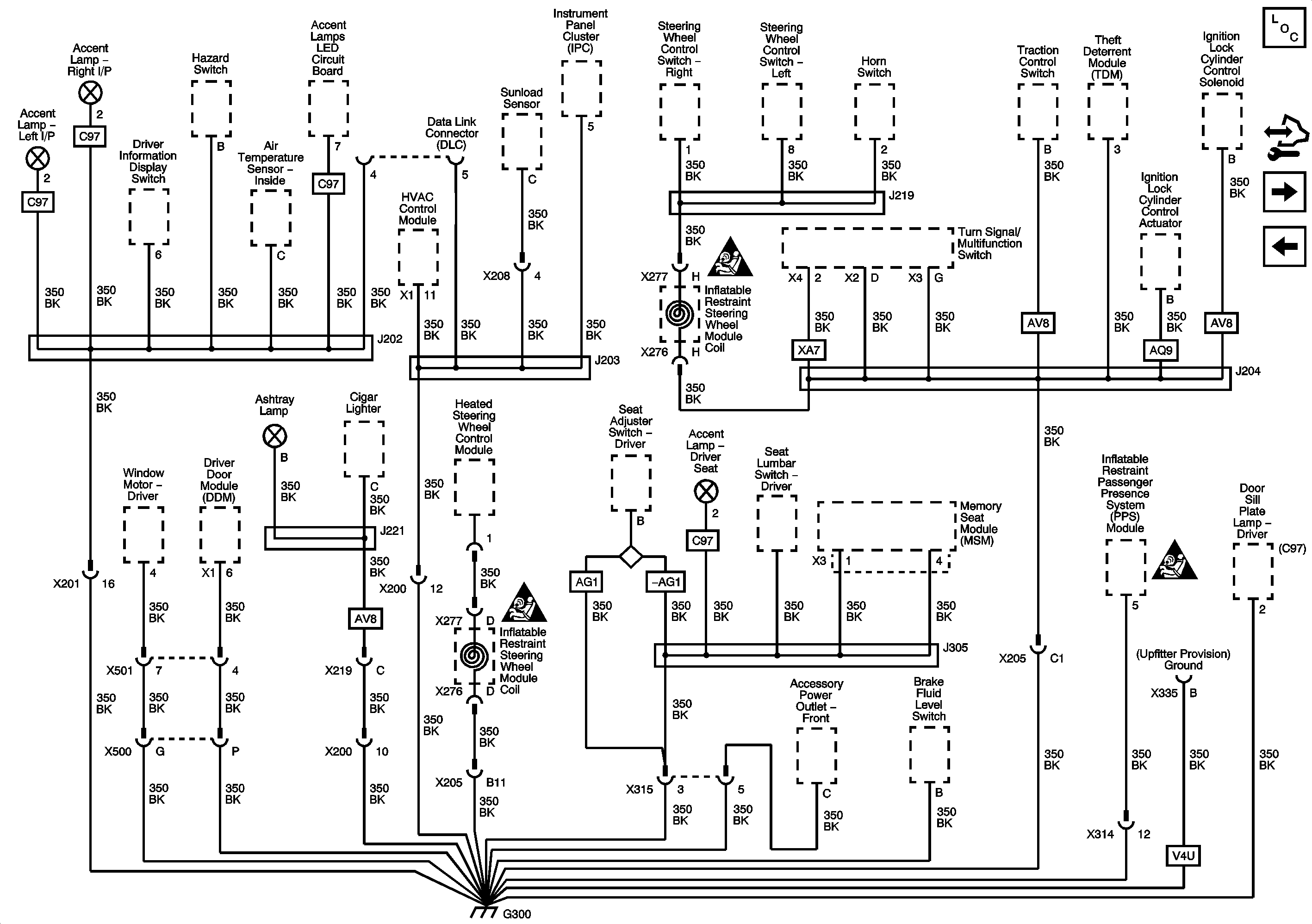
G300
Figure 4:

G300


Object Number: 1885858  Size: FS
Master Electrical Component List
Control Module References
G104
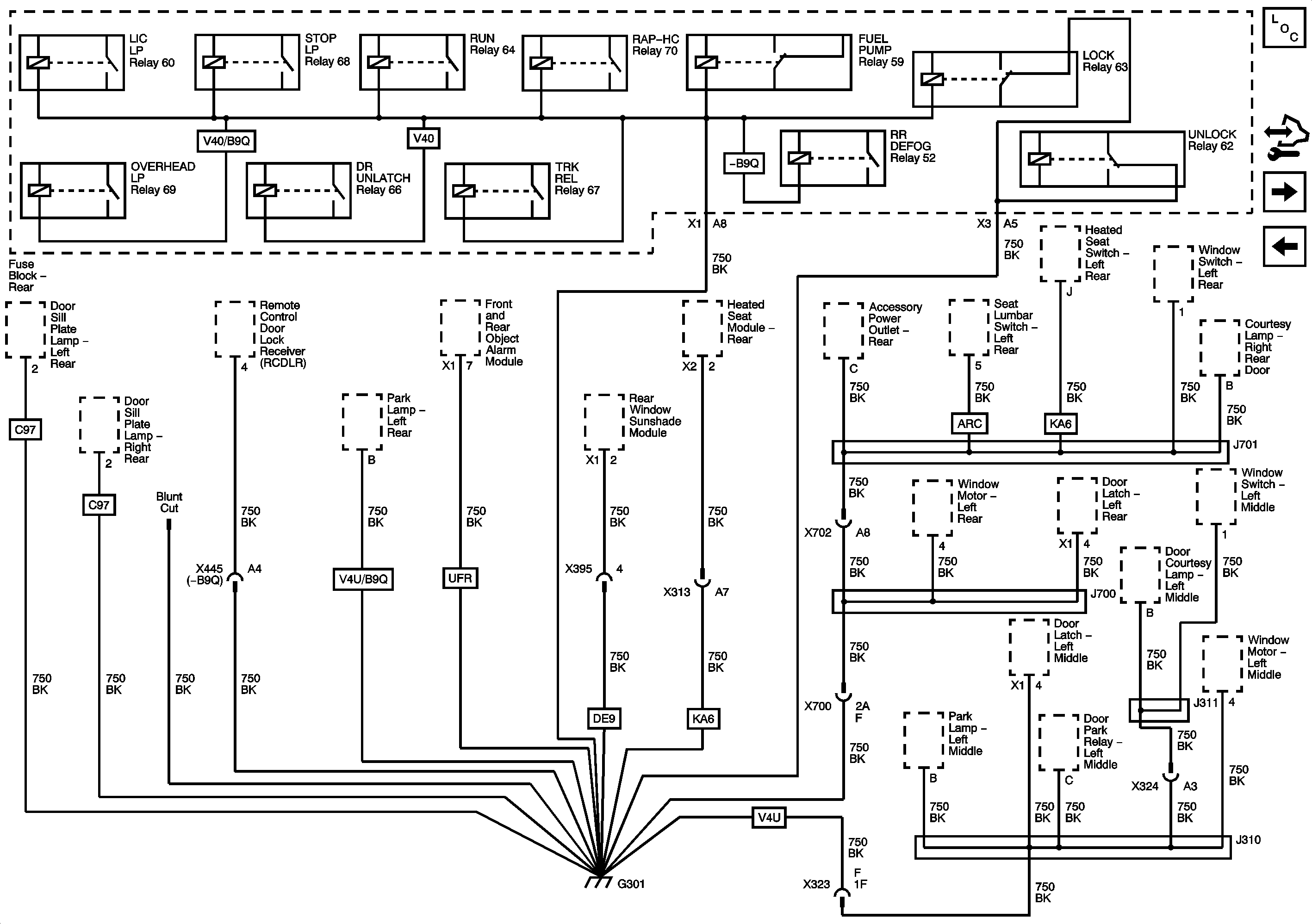
G301
Figure 5:

G301


Object Number: 1885862  Size: FS
Master Electrical Component List
Control Module References
G300
G304
Figure 6:

G304


Object Number: 1885865  Size: FS
Master Electrical Component List
Control Module References
G301
G305
Figure 7:

G305


Object Number: 1885870  Size: FS
Master Electrical Component List
Control Module References
G304
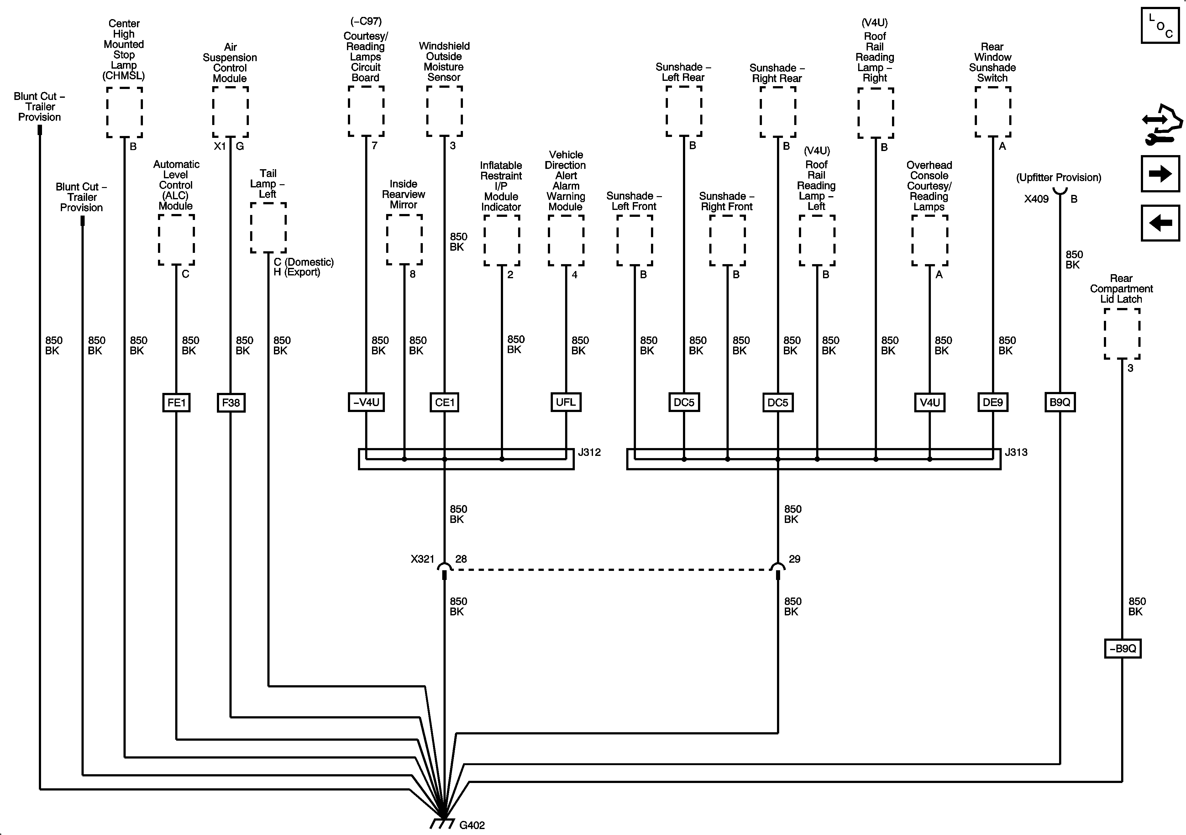
G402
Figure 8:

G402


Object Number: 1885873  Size: FS
Master Electrical Component List
Control Module References
G305
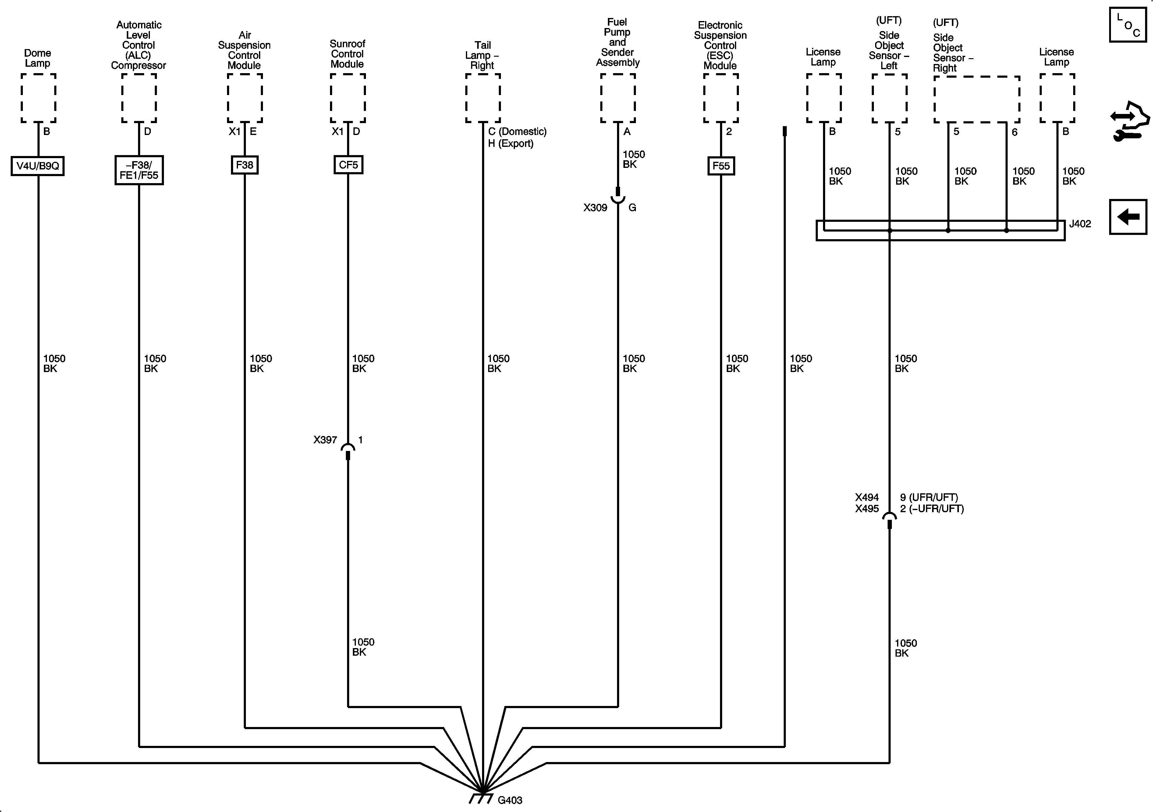
G403
Figure 9:

G403


Object Number: 1885875  Size: FS
Master Electrical Component List
Control Module References
G402