GM Service Manual Online
For 1990-2009 cars only
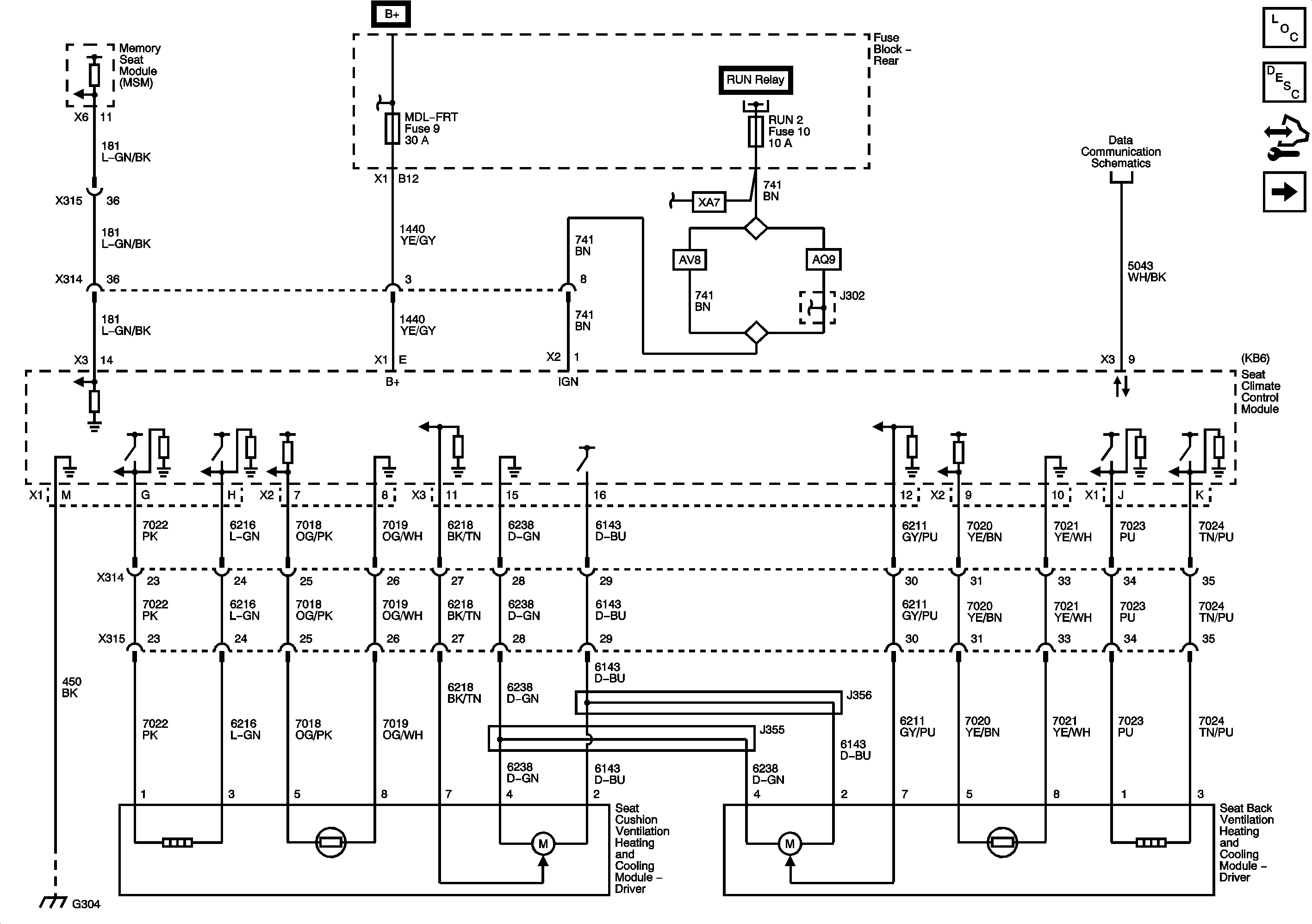
Figure 1:

Driver Heated and Cooled Seat - KB6


Object Number: 1885912  Size: FS
Master Electrical Component List
Heated/Cooled Seats Description and Operation
Control Module References
Driver Heated and Cooled Seat Switch KA1 KB6
Figure 2:

Driver Heated/Cooled Seat Switch - KB6


Object Number: 1885919  Size: FS
Master Electrical Component List
Heated/Cooled Seats Description and Operation
Control Module References
Driver Heated and Cooled Seat KB6
Passenger Heated and Cooled Seat KB6
Figure 3:

Passenger Heated and Cooled Seat - KB6


Object Number: 1885929  Size: FS
Master Electrical Component List
Heated/Cooled Seats Description and Operation
Control Module References
Driver Heated and Cooled Seat Switch KA1 KB6
Passenger Heated and Cooled Seat Switch KA1 KB6
Figure 4:

Passenger Heated/Cooled Seat Switch - KB6


Object Number: 1885934  Size: FS
Master Electrical Component List
Heated/Cooled Seats Description and Operation
Control Module References
Passenger Heated and Cooled Seat KB6
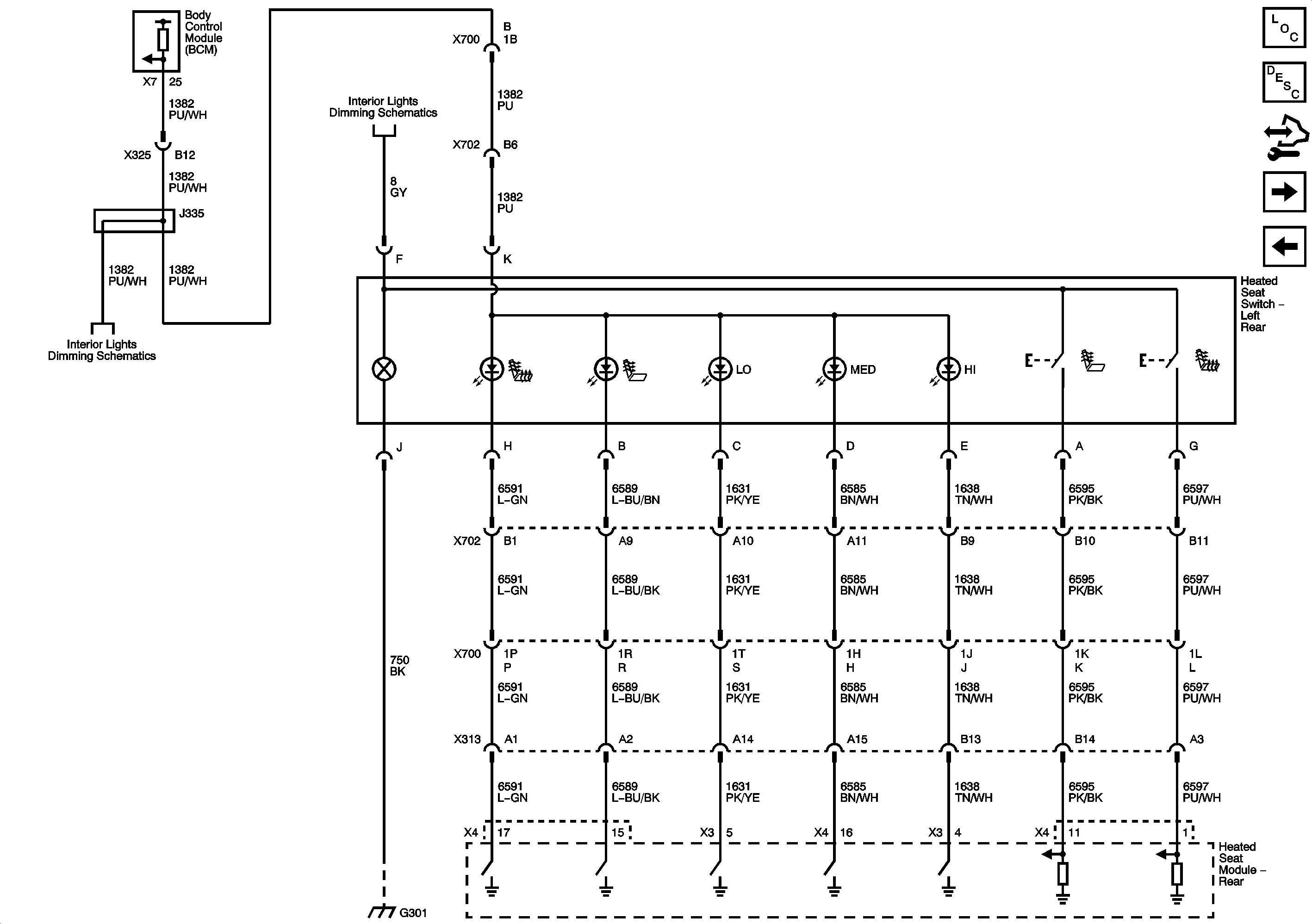
Left Rear Heated Seat Switch w/ KA6
Figure 5:

Left Rear Heated Seat Switch - w/KA6


Object Number: 1885937  Size: FS
Master Electrical Component List
Rear Heated Seats Description and Operation
Control Module References
Passenger Heated and Cooled Seat Switch KA1 KB6
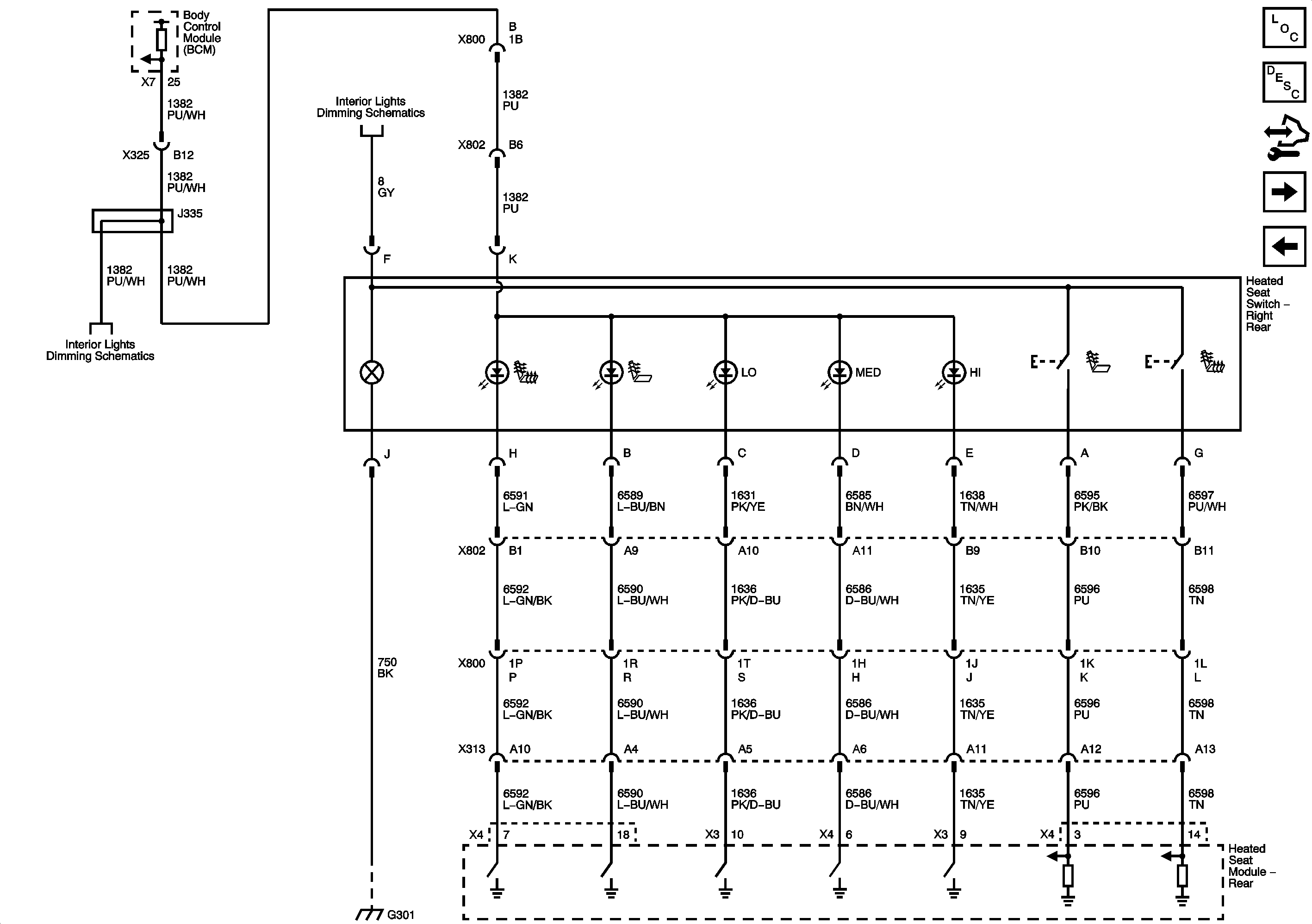
Right Rear Heated Seat Switch w/ KA6
Figure 6:

Right Rear Heated Seat Switch - w/KA6


Object Number: 1885939  Size: FS
Master Electrical Component List
Rear Heated Seats Description and Operation
Control Module References
Left Rear Heated Seat Switch w/ KA6
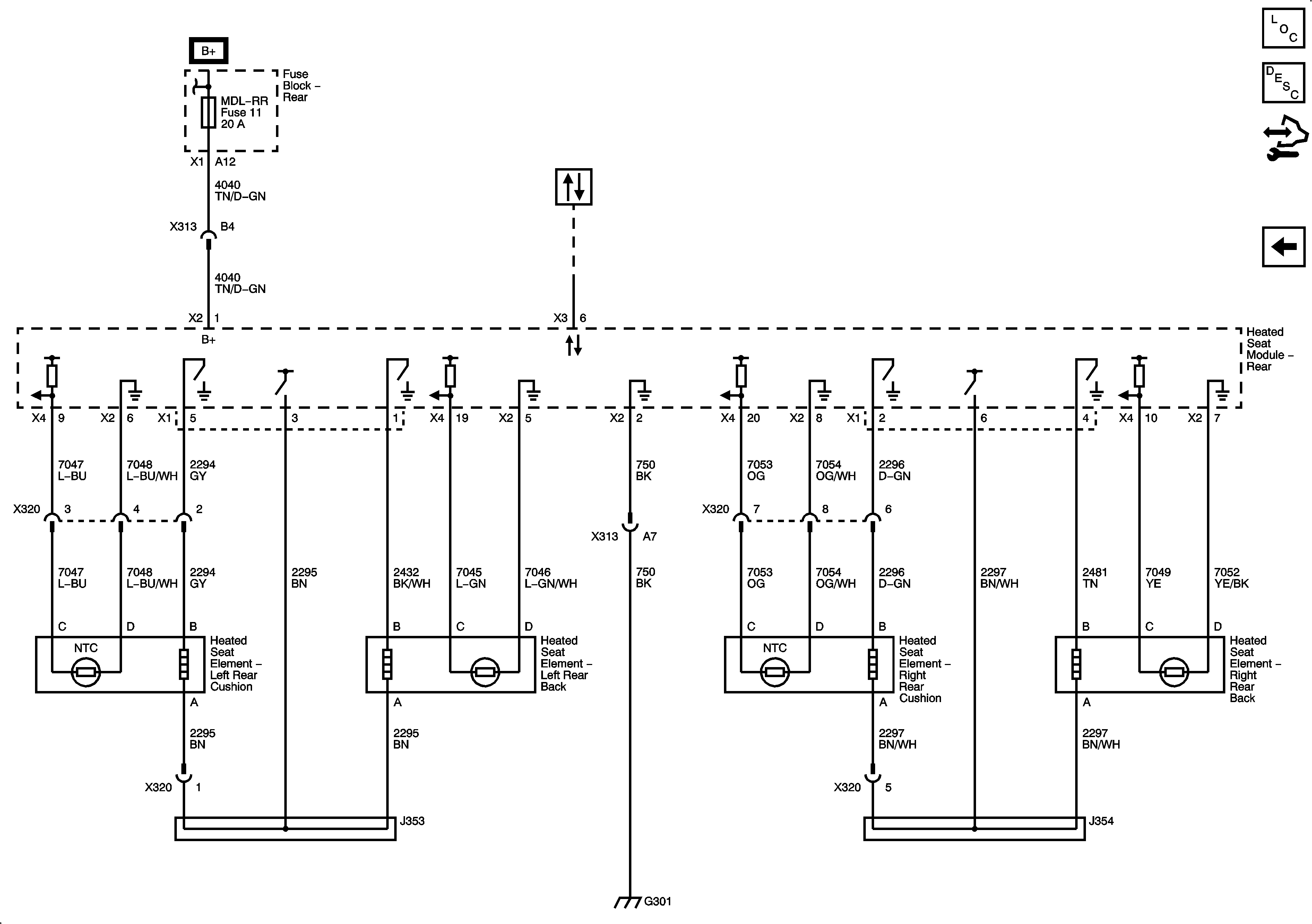
Rear Heated Seat Elements w/ KA6
Figure 7:

Rear Heated Seat Elements - w/KA6


Object Number: 1885943  Size: FS
Master Electrical Component List
Rear Heated Seats Description and Operation
Control Module References
Right Rear Heated Seat Switch w/ KA6