GM Service Manual Online
For 1990-2009 cars only
Makes
🢒
Cadillac
🢒
2008
🢒
DTS
🢒
Safety and Security
🢒
Object Detection
🢒 Object Detection Schematics
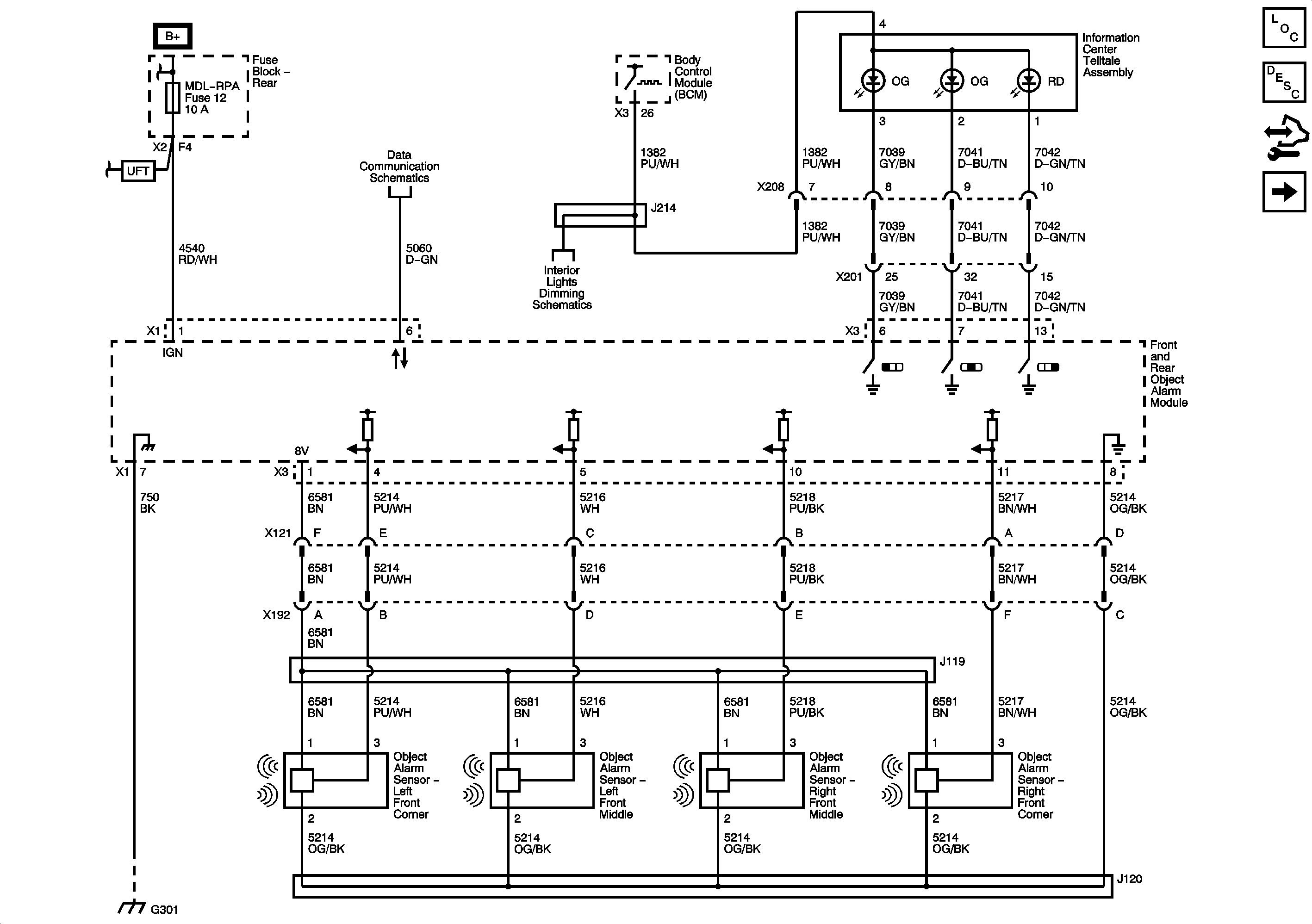
Figure
1:
Front Park Assist - UFR
Master Electrical Component List
Object Detection Description and Operation (Rear Park Assist)
Control Module References
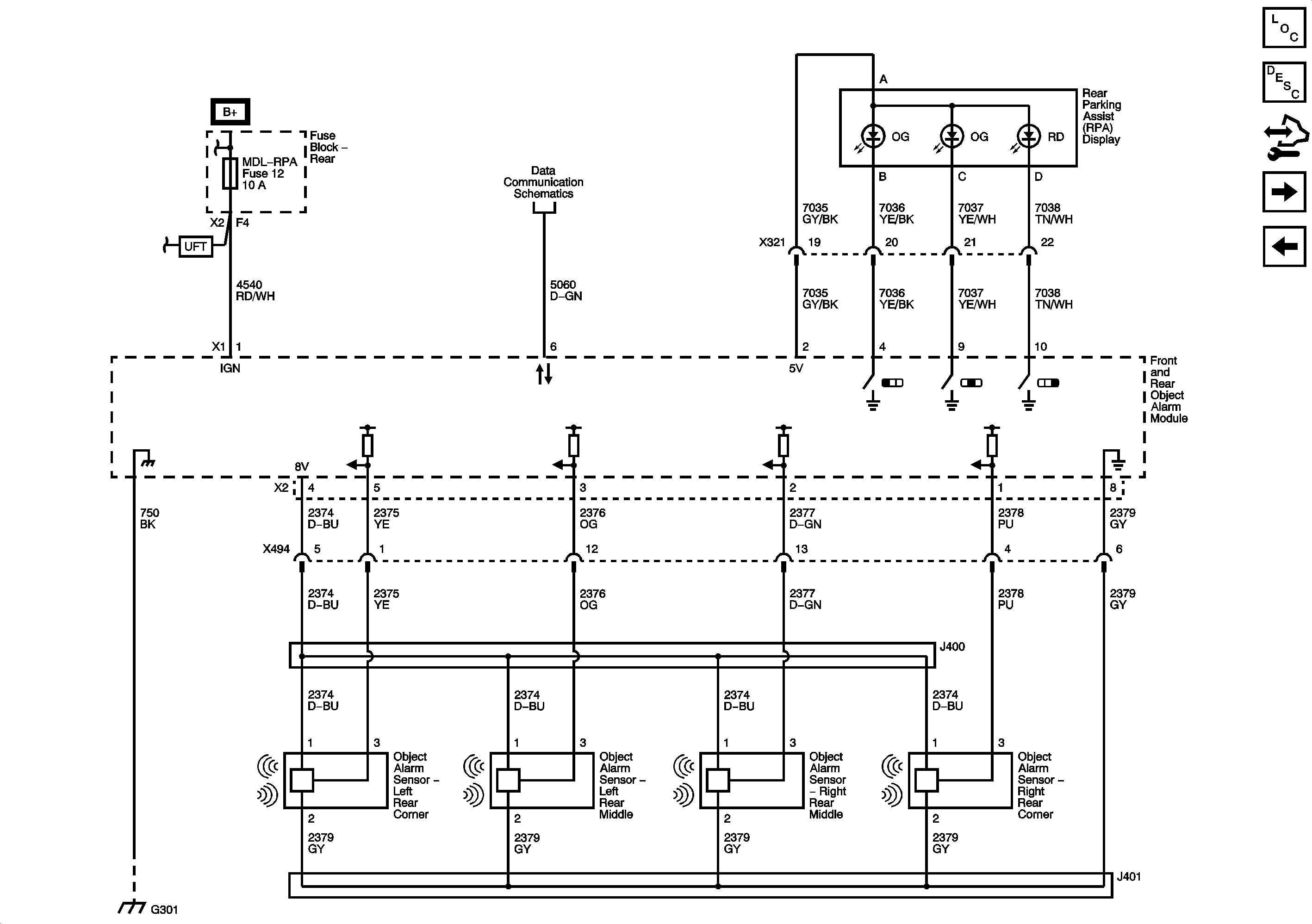
Rear Park Assist UFR
Figure
2:
Rear Park Assist - UFR
Master Electrical Component List
Object Detection Description and Operation (Rear Park Assist)
Control Module References
Front Park Assist UFR
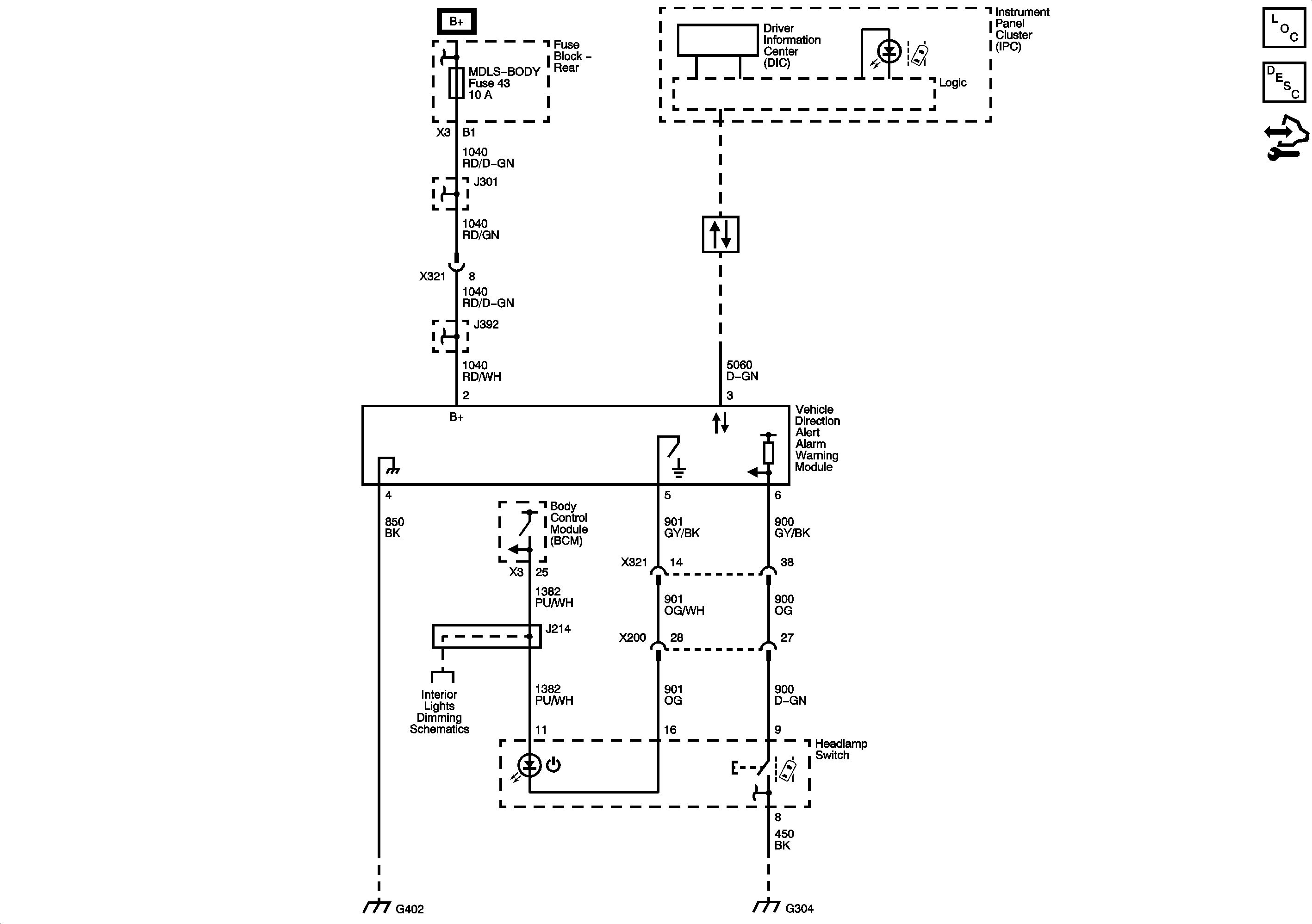
Lane Departure Warning System - UFL
Figure
3:
Lane Departure Warning System - UFL
Master Electrical Component List
Object Detection Description and Operation (VDAAW)
Control Module References
Rear Park Assist UFR
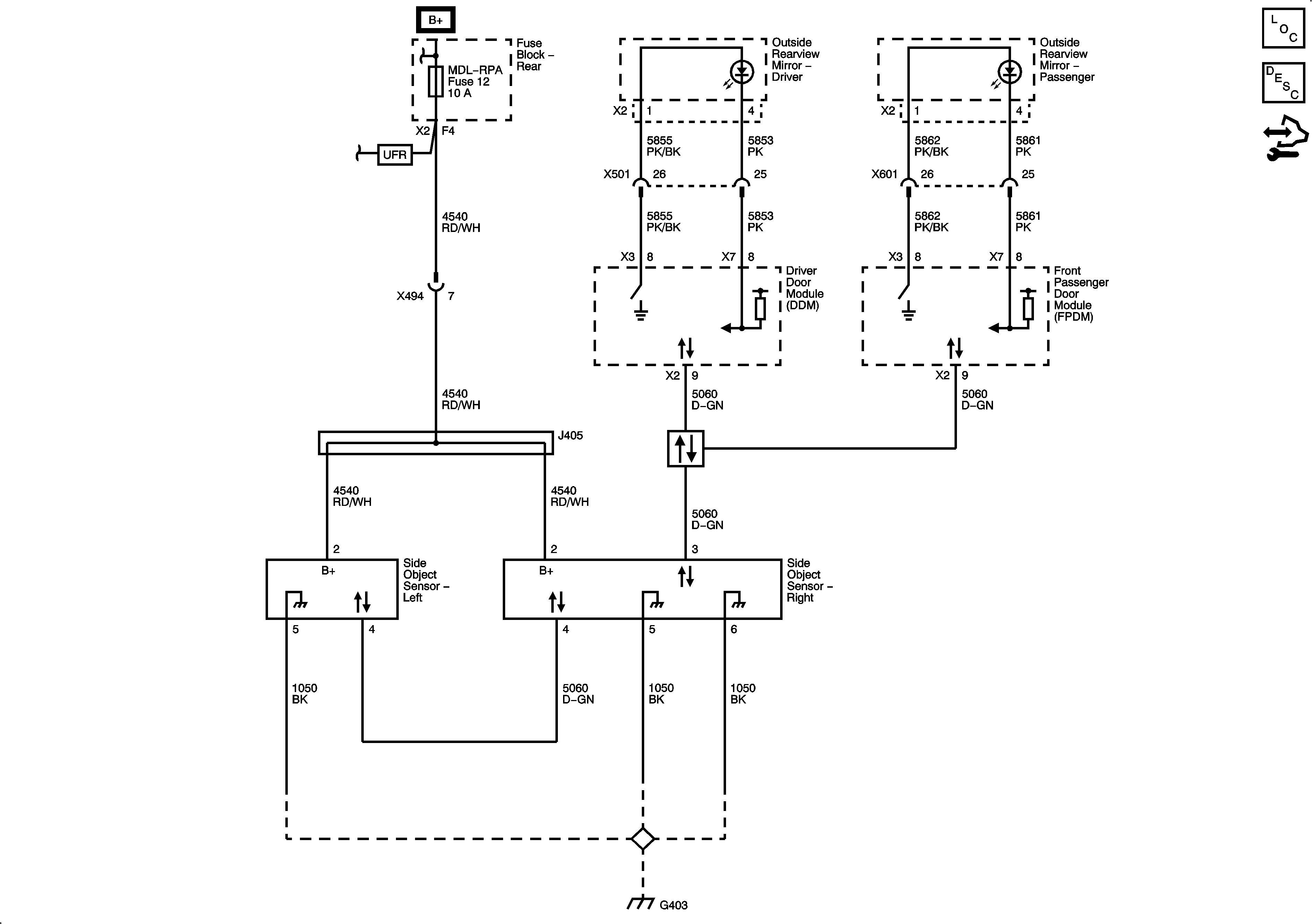
Side Object Detection - UFT
Figure
4:
Side Object Detection - UFT
Master Electrical Component List
Object Detection Description and Operation (SOD)
Control Module References
Lane Departure Warning System - UFL