GM Service Manual Online
For 1990-2009 cars only

Object Number: 1638526  Size: MF

Callout

Component Name

Caution: Refer to SIR Caution in the Preface section.

Caution: Refer to SIR Inflator Module Handling and Storage Caution in the Preface section.

Notice: Refer to Fastener Notice in the Preface section.

Fastener Tightening Specifications: Refer to Fastener Tightening Specifications .

Preliminary Procedure

  1. Disable the SIR. Refer to SIR Disabling and Enabling .
  2. Remove the instrument panel (I/P) upper trim panel. Refer to Instrument Panel Upper Trim Pad Replacement .

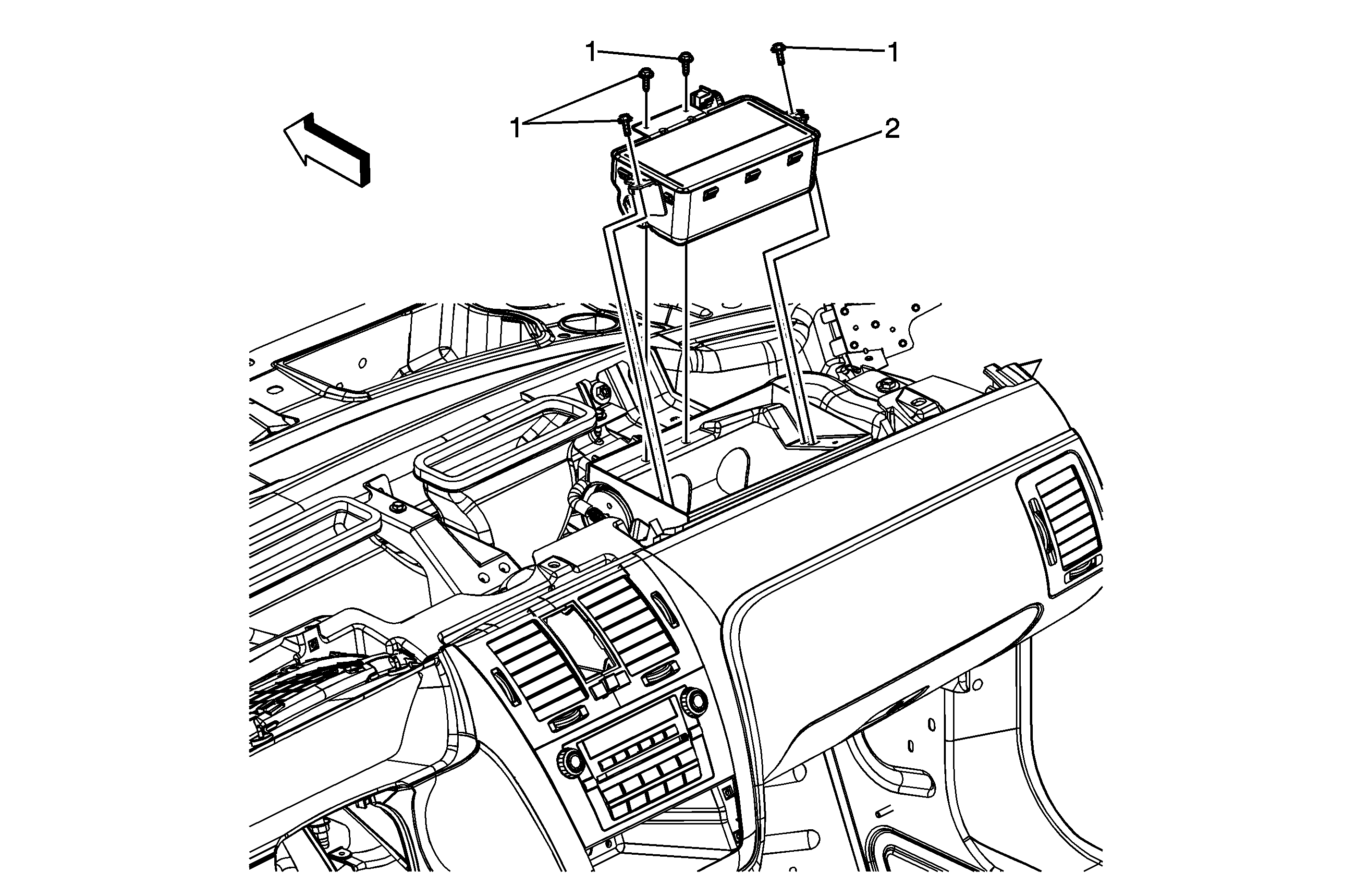
1

Inflatable Restraint I/P Module Bolt (Qty: 4)

Tighten
10 N·m (89 lb in)

2

Inflatable Restraint I/P Module Assembly