GM Service Manual Online
For 1990-2009 cars only

Removal Procedure


    Object Number: 521323  Size: SH
  1. Raise and support the vehicle. Refer to Lifting and Jacking the Vehicle .
  2. Support the engine assembly with a suitable jack.
  3. Remove the nuts (1) securing the transmission mount (2) to the transmission mount bracket (3).

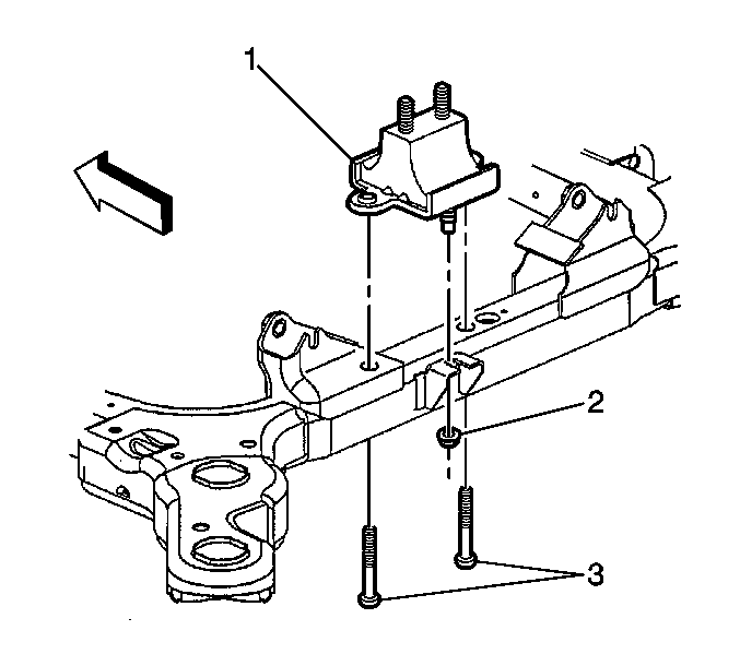
  4. Object Number: 521324  Size: SH
  5. Raise the jack allowing the engine assembly to lift from the engine frame slightly.
  6. Remove the bolts (3) securing the mount to the frame.
  7. Remove the one nut (2) securing the mount to the frame.
  8. Remove the mount (1).

Installation Procedure


    Object Number: 521324  Size: SH
  1. Install the mount (1).
  2. Notice: Use the correct fastener in the correct location. Replacement fasteners must be the correct part number for that application. Fasteners requiring replacement or fasteners requiring the use of thread locking compound or sealant are identified in the service procedure. Do not use paints, lubricants, or corrosion inhibitors on fasteners or fastener joint surfaces unless specified. These coatings affect fastener torque and joint clamping force and may damage the fastener. Use the correct tightening sequence and specifications when installing fasteners in order to avoid damage to parts and systems.

  3. Install the mount attaching bolts (3) and nut (2) securing the mount to the frame.
  4. Tighten
    Tighten the bolts and nut to 50 N·m (37 lb ft).

  5. Lower the transmission in position.

  6. Object Number: 521323  Size: SH
  7. Install the nuts (1) to the mount (2) and mount bracket (3).
  8. Tighten
    Tighten the mount nut to 50 N·m (37 lb ft).

  9. Remove the engine assembly support jack.
  10. Lower the vehicle.