GM Service Manual Online
For 1990-2009 cars only
Makes
🢒
Cadillac
🢒
2009
🢒
DTS
🢒
Diagnostic Navigation
🢒
Vehicle Diagnostic Information
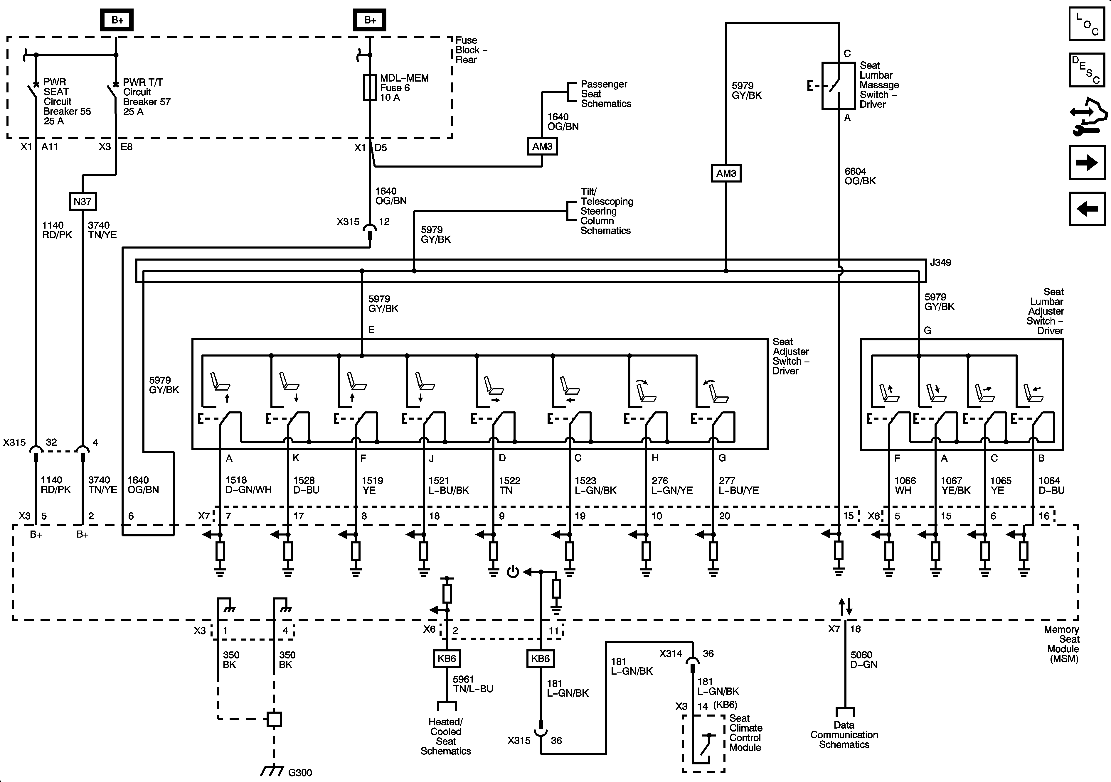
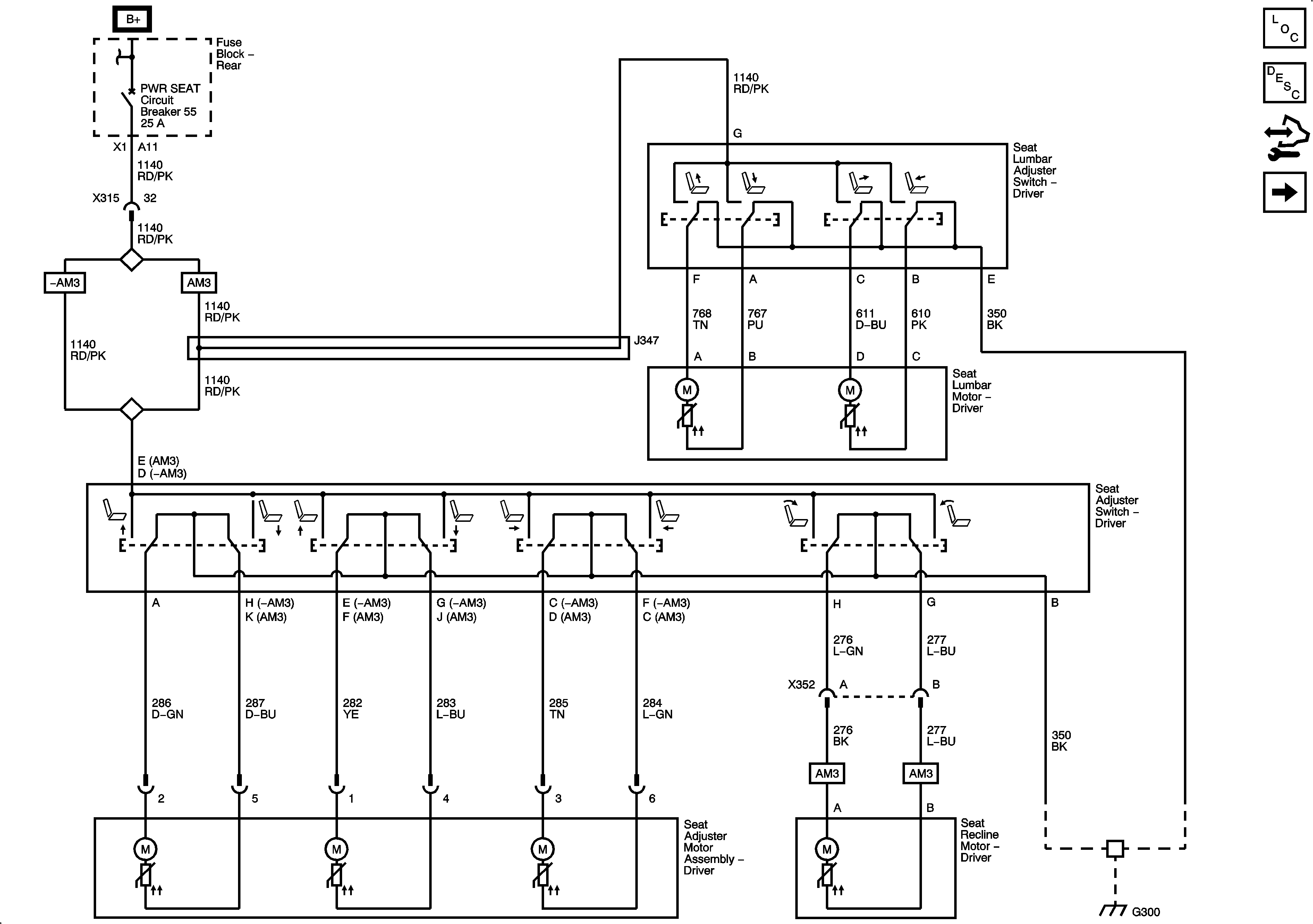
🢒 Driver Seat Schematics
Figure
1:
Without A45
Figure
2:
A45
Figure
3:
Position Sensors