GM Service Manual Online
For 1990-2009 cars only
Figure 1:

Radio Power and Ground


Object Number: 2082303  Size: FS
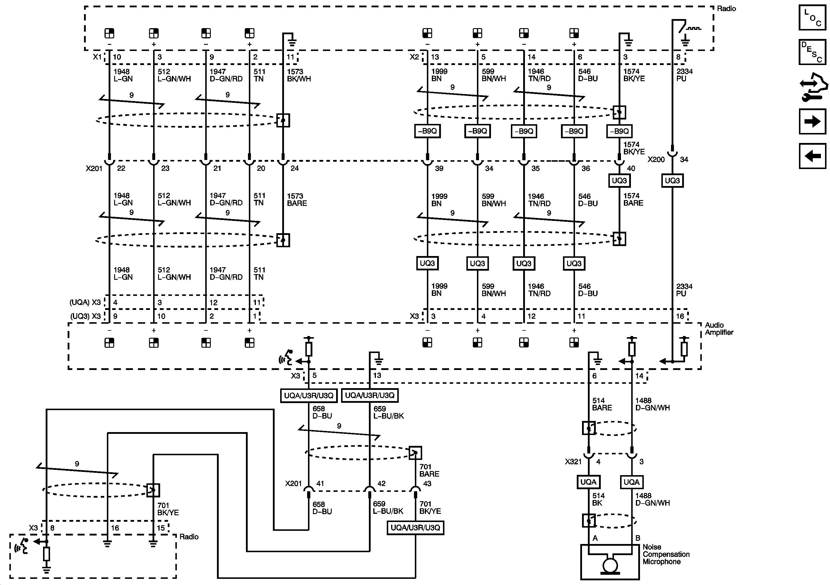
Figure 2:

Amplifier


Object Number: 2082304  Size: FS
Figure 3:

Speakers


Object Number: 2082306  Size: FS
Figure 4:

Redundant Steering Wheel Controls


Object Number: 2082307  Size: FS
Figure 5:

Traffic Information Receiver U3Q


Object Number: 2082308  Size: FS
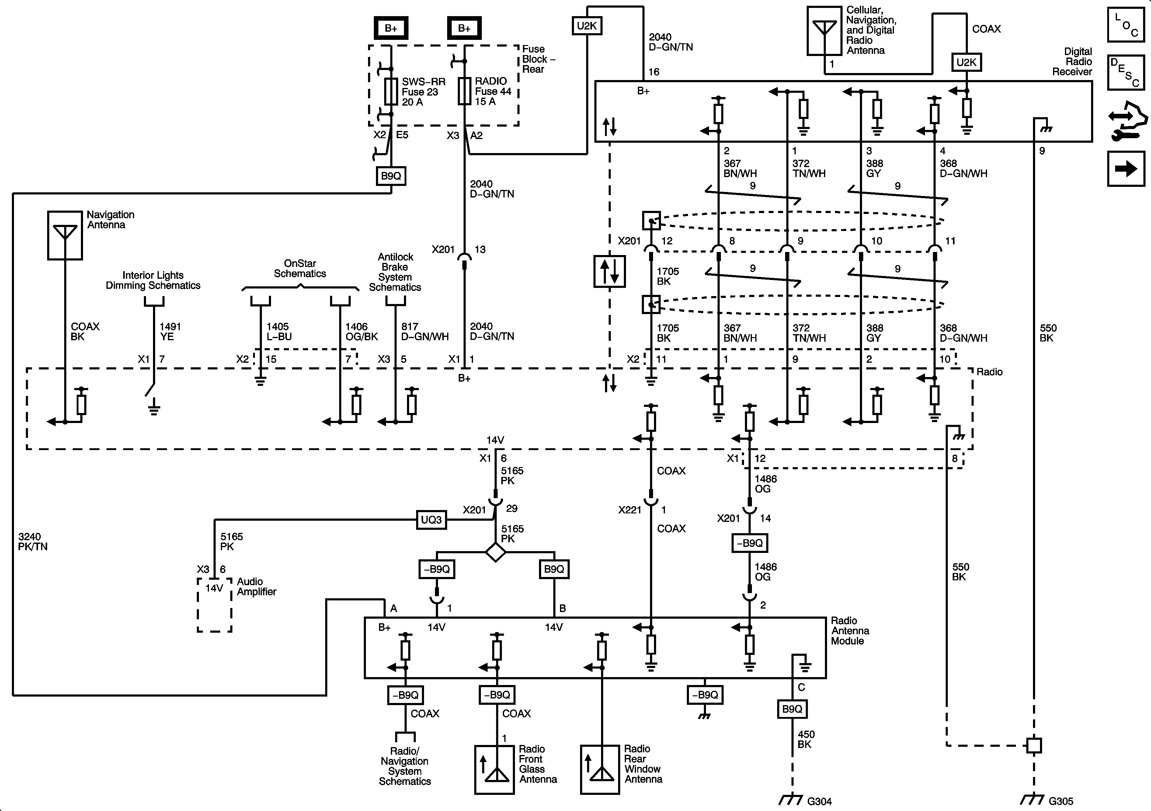
Figure 6:

Radio (without UE1)


Object Number: 2082311  Size: FS