GM Service Manual Online
For 1990-2009 cars only
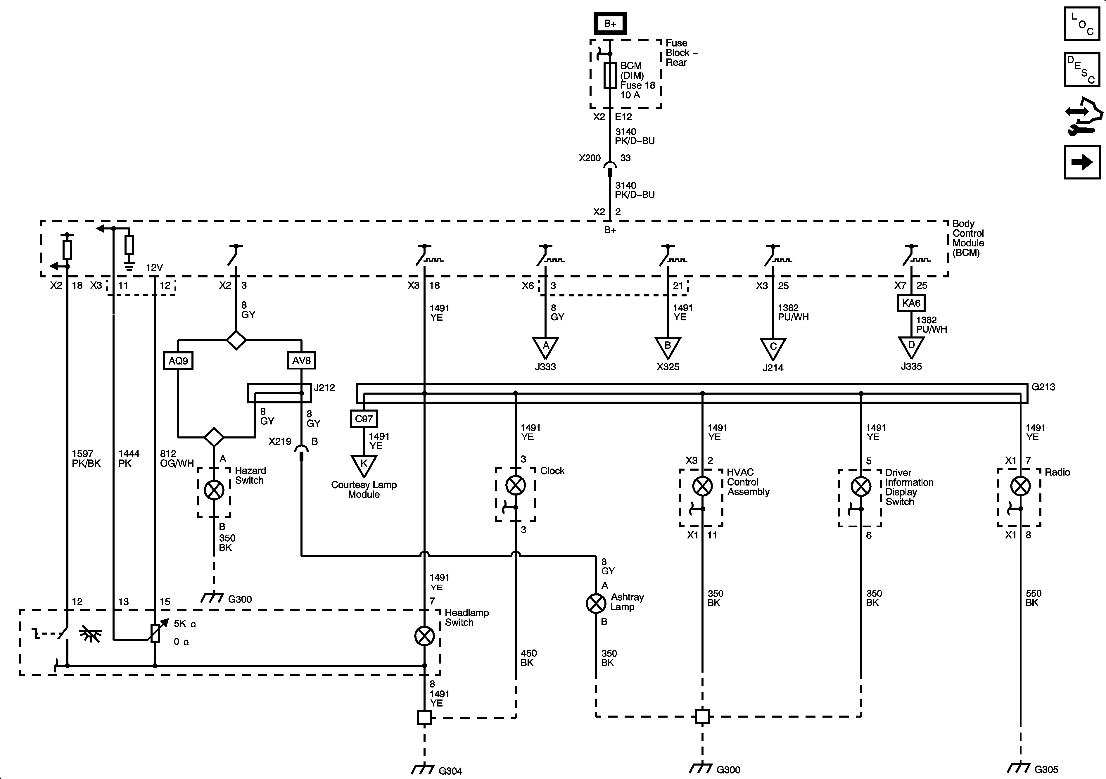
Figure 1:

Hazard, Headlamp, Driver Information Display Switches. Ashtray, HVAC Control Module, Radio, Clock


Object Number: 2082257  Size: FS
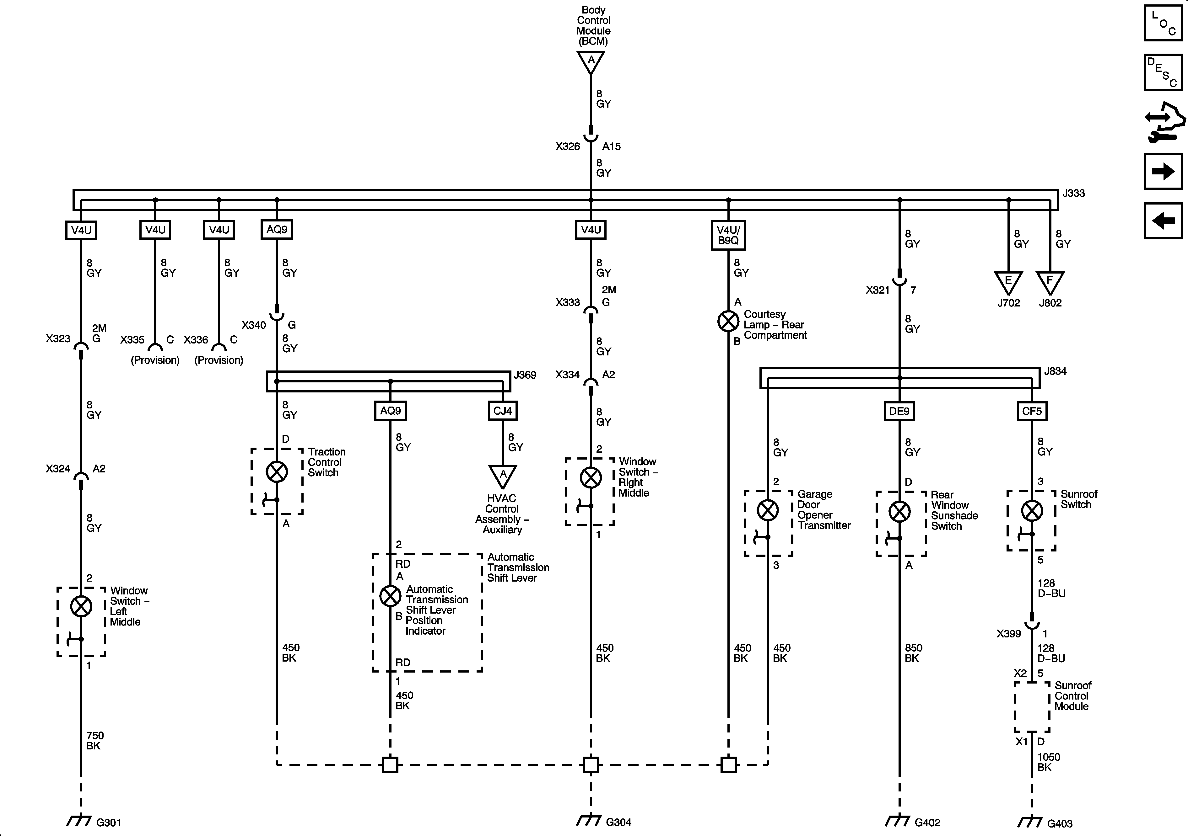
Figure 2:

Window, Traction Control, Sun Shade, Sunroof Switches, Reverse Lockout Solenoid, Garage Door Opener, Rear Compartment Courtesy Lamp


Object Number: 2082259  Size: FS
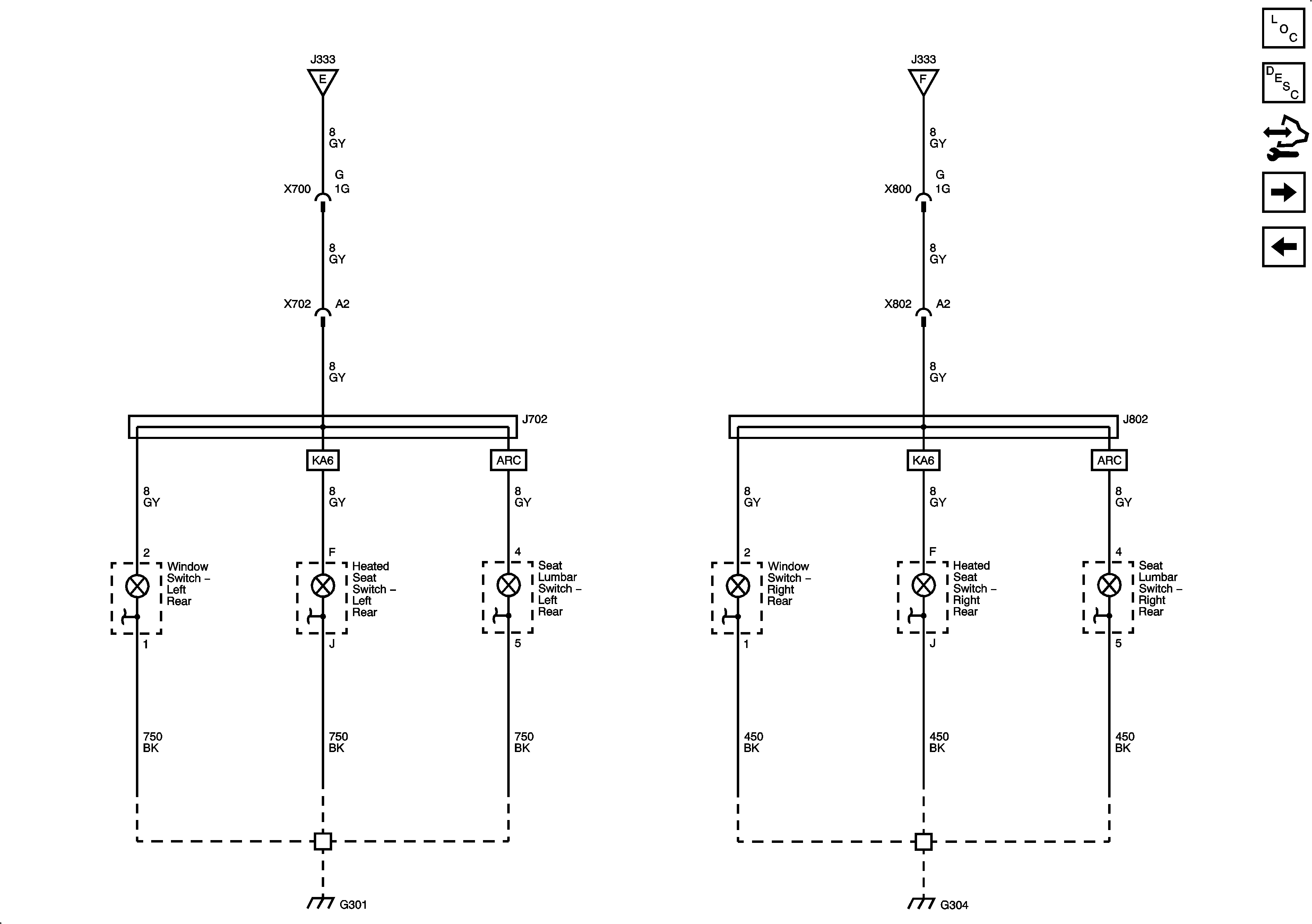
Figure 3:

Window, Heated Seat, Seat Lumbar Switches


Object Number: 2082261  Size: FS
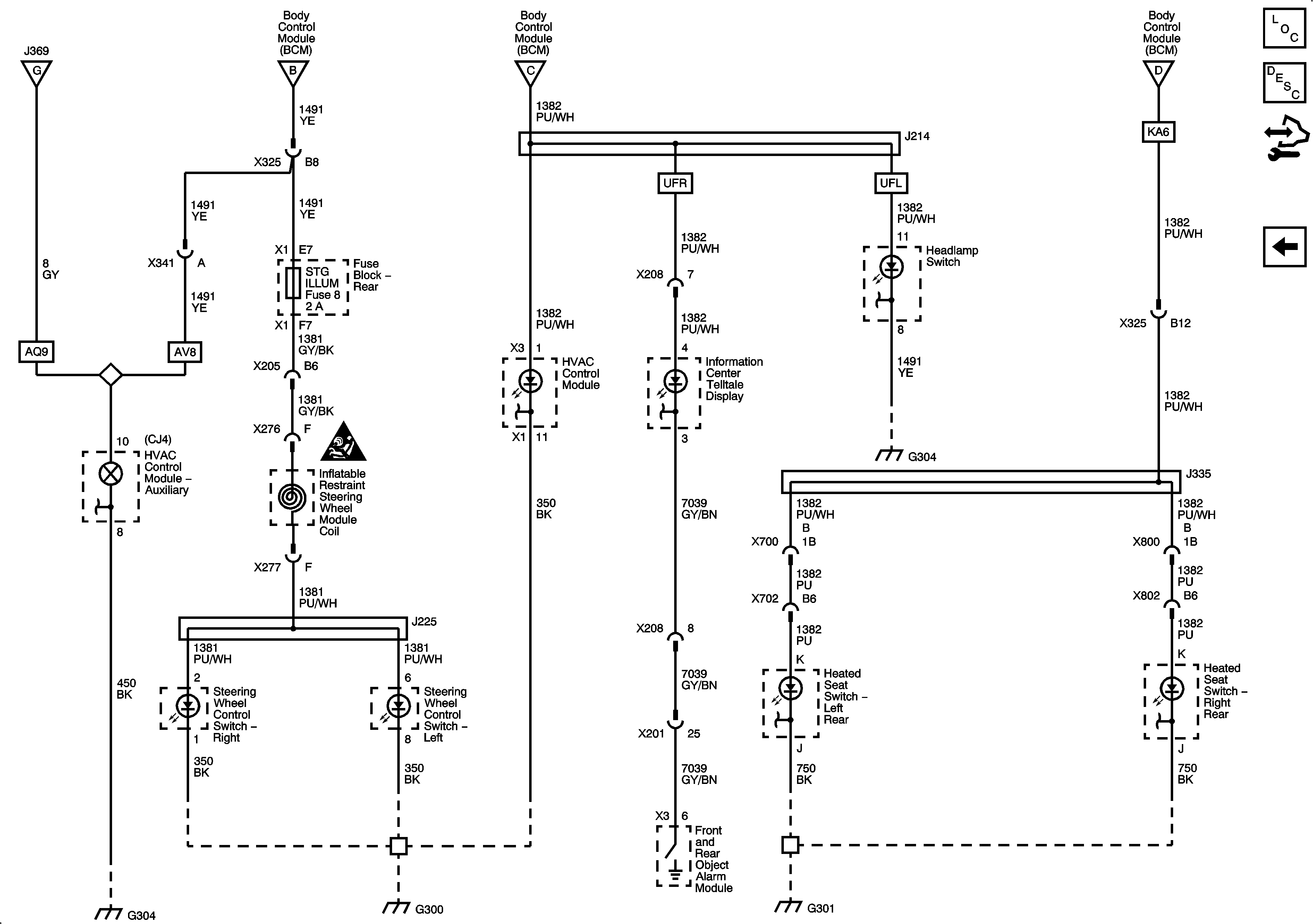
Figure 4:

HVAC Control Module, Steering Wheel, Heated Seat KA6, Telltale Assembly Info Center


Object Number: 2082262  Size: FS
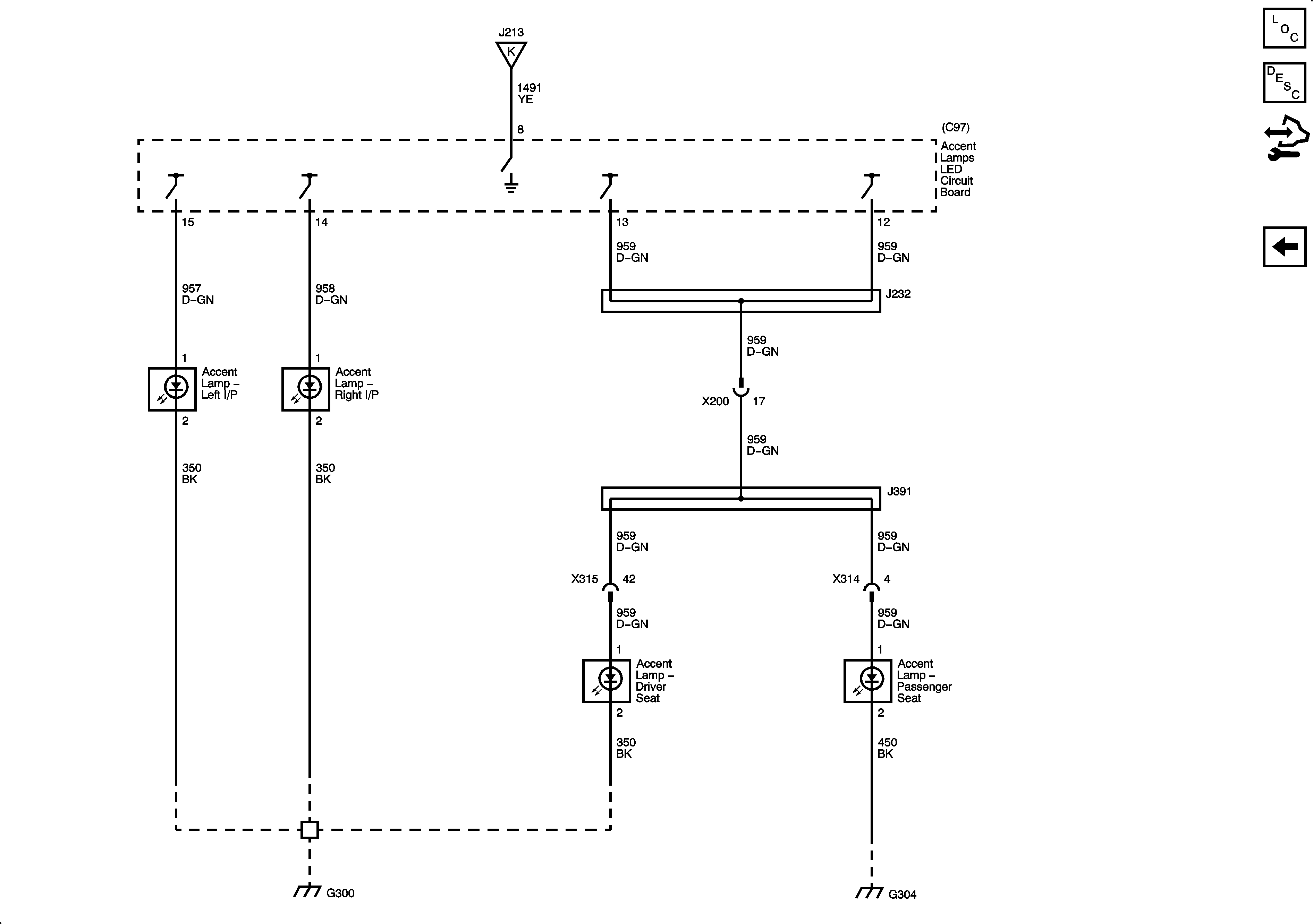
Figure 5:

Footwell Lighting - C97


Object Number: 2082434  Size: FS