GM Service Manual Online
For 1990-2009 cars only
Makes
🢒
Cadillac
🢒
2009
🢒
DTS
🢒
Suspension
🢒
Automatic Level Control
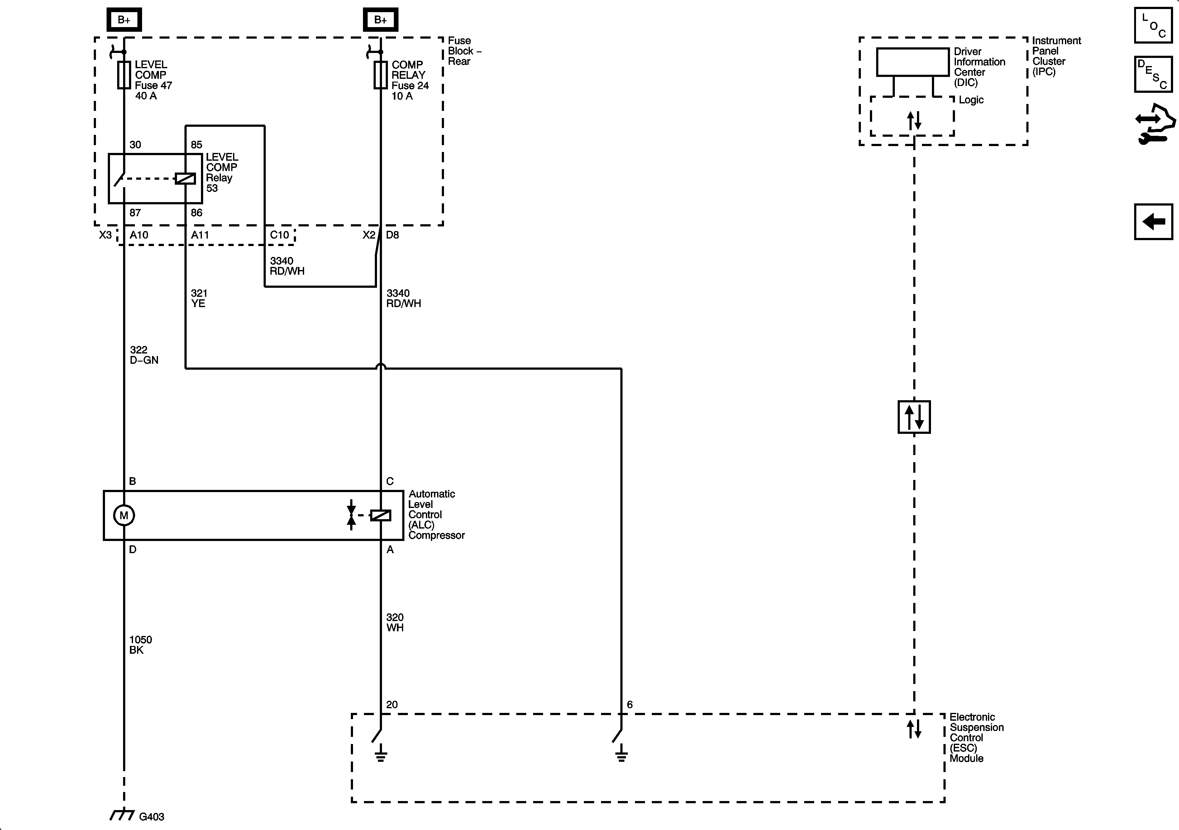
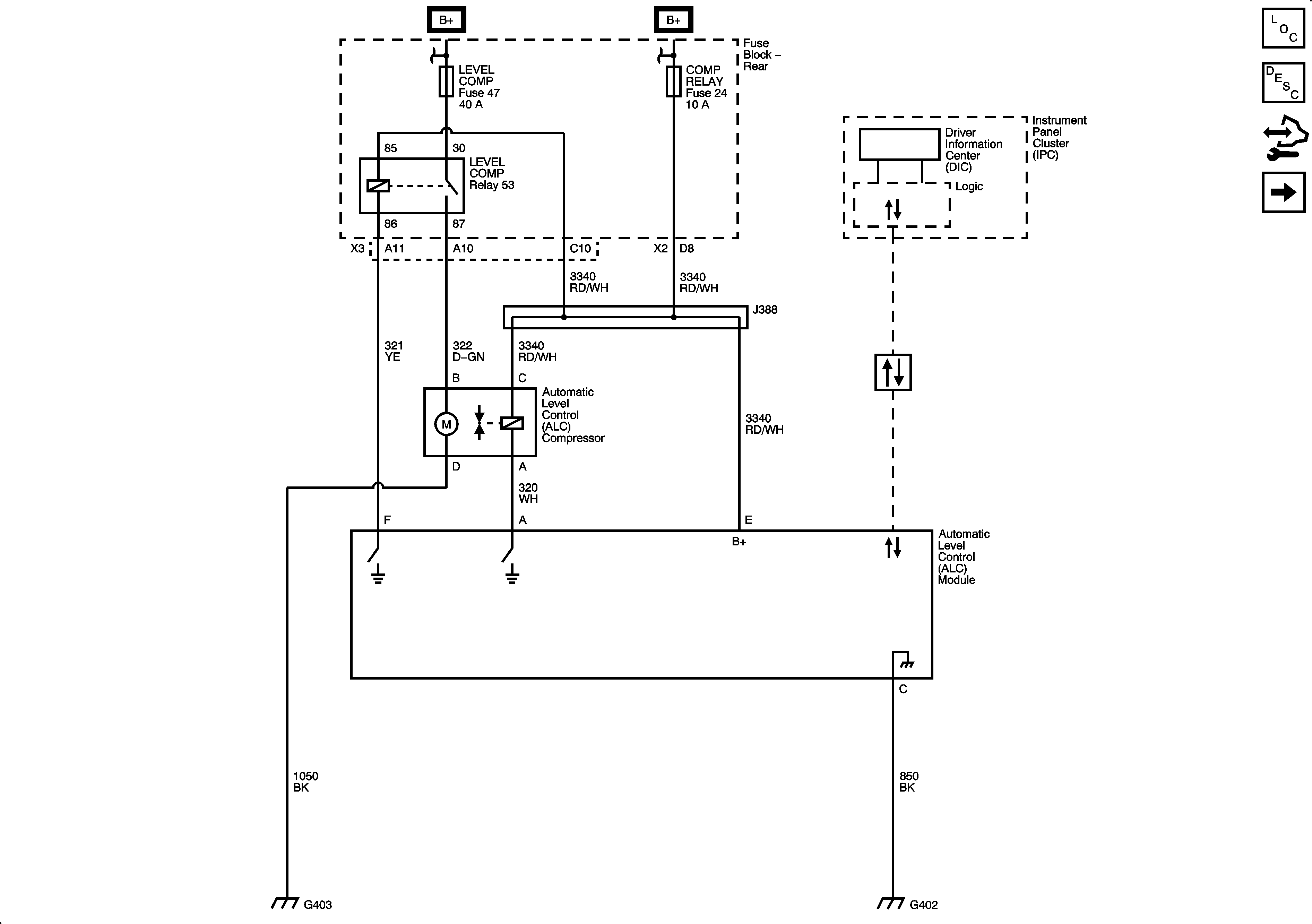
🢒 Automatic Level Control Schematics
Figure
1:
Automatic Level Control (ALC) (FE1)
Figure
2:
Automatic Level Control (ALC) (F55)