GM Service Manual Online
For 1990-2009 cars only
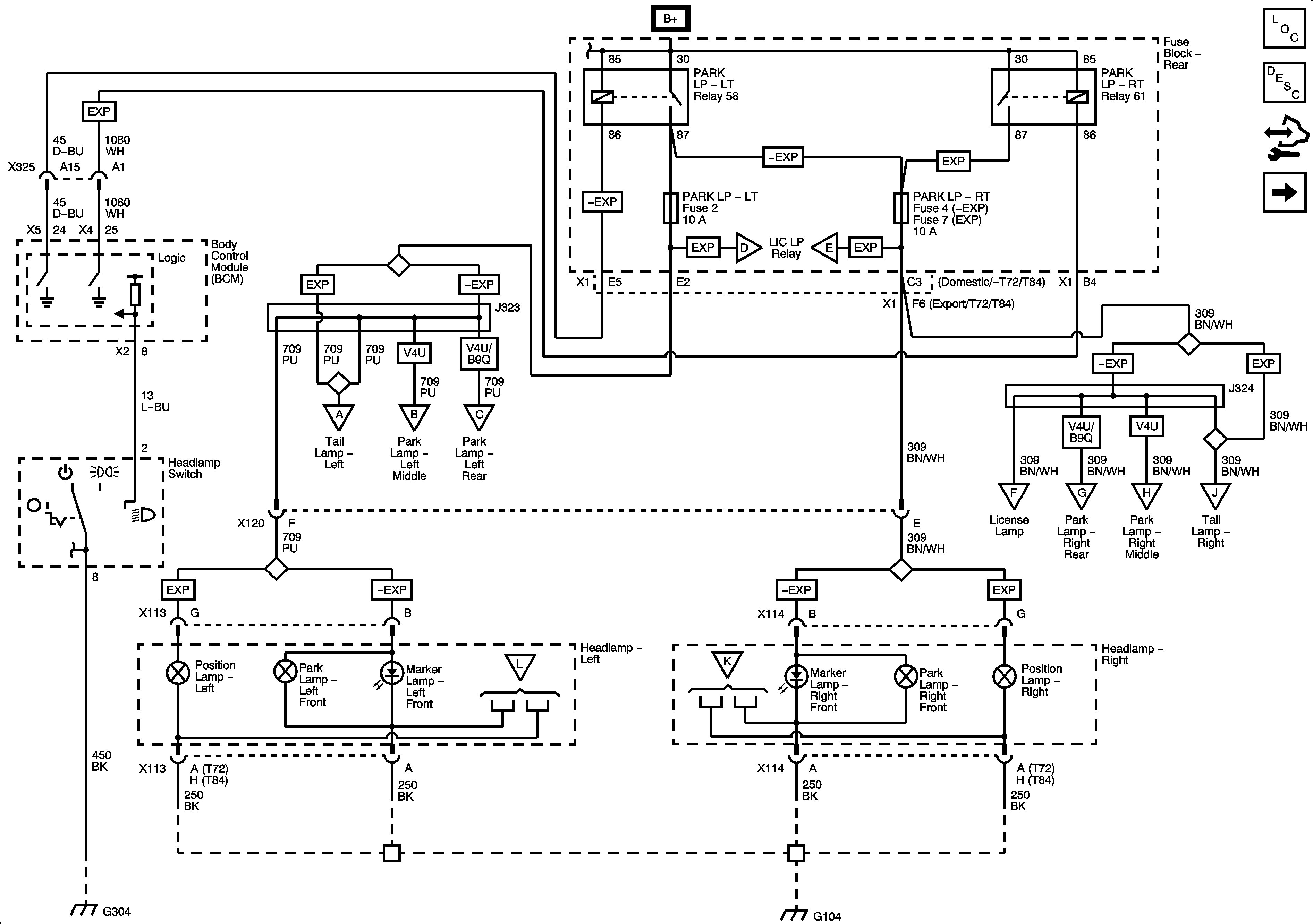
Figure 1:

Front Park, Marker, Position Lamps


Object Number: 2082230  Size: FS
Figure 2:

Rear Park and Tail Lamps


Object Number: 2082231  Size: FS
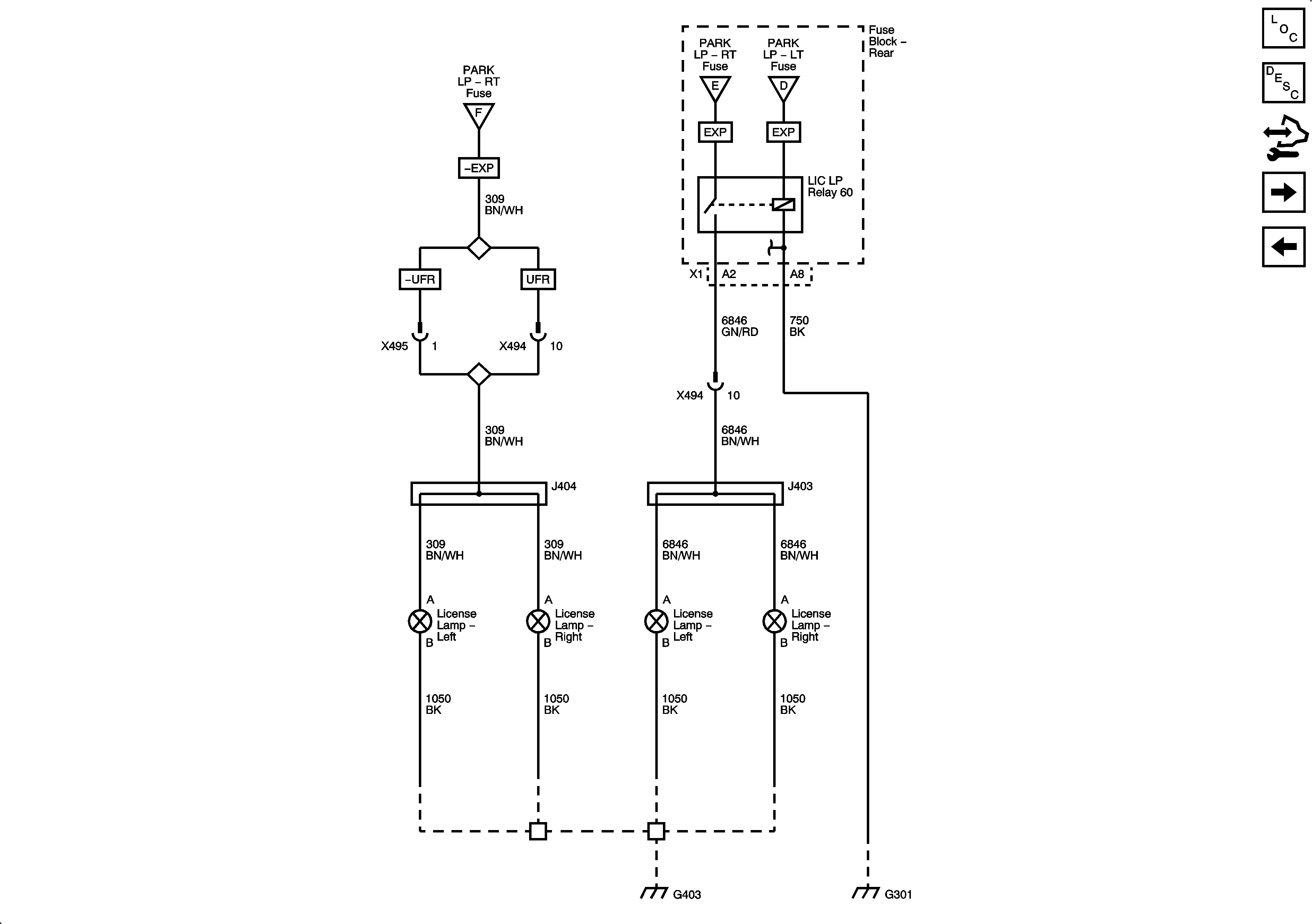
Figure 3:

License Lamps


Object Number: 2082232  Size: FS
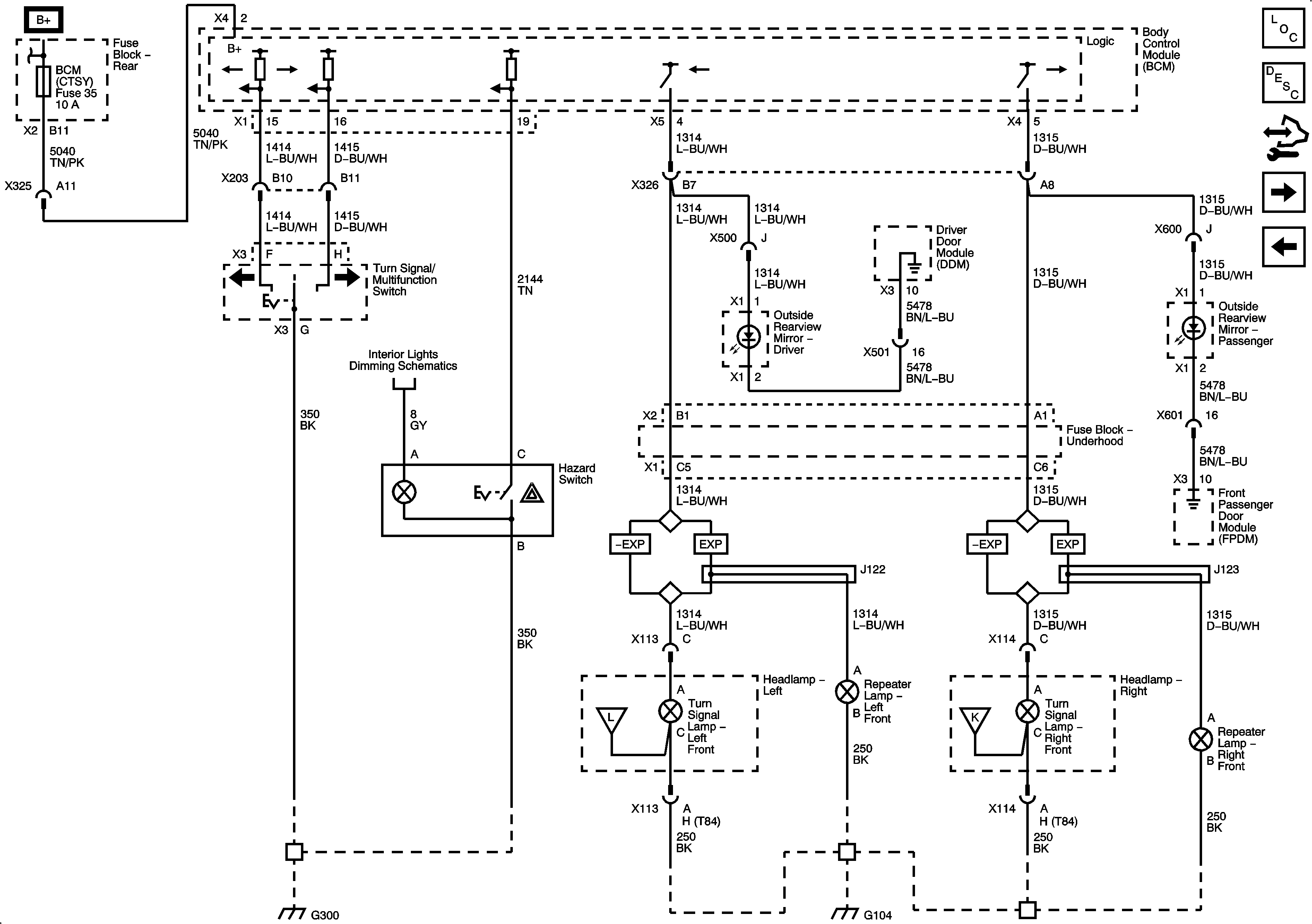
Figure 4:

Front Turn Signal/Hazard Lamps


Object Number: 2082233  Size: FS
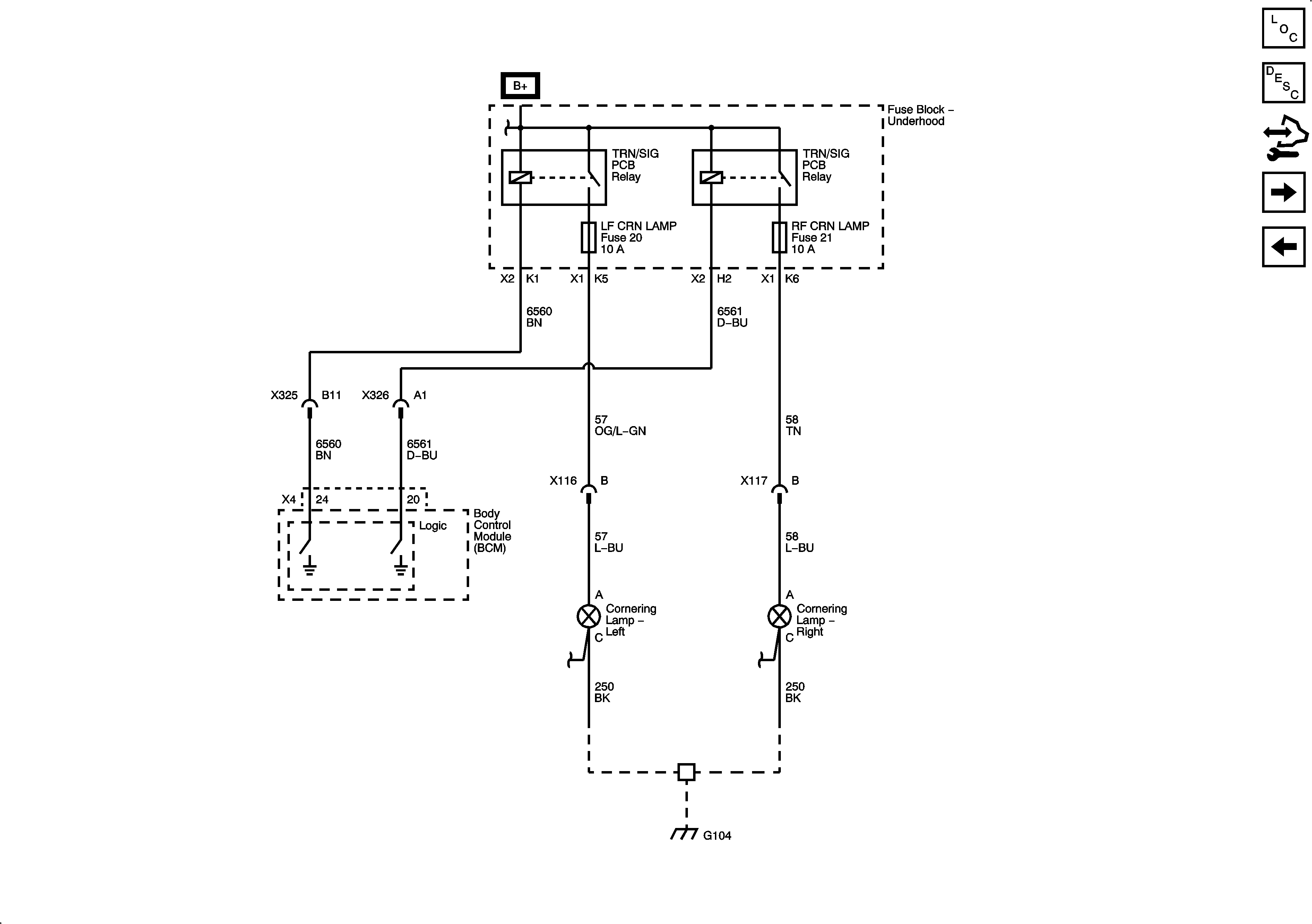
Figure 5:

Cornering Lamps


Object Number: 2082234  Size: FS
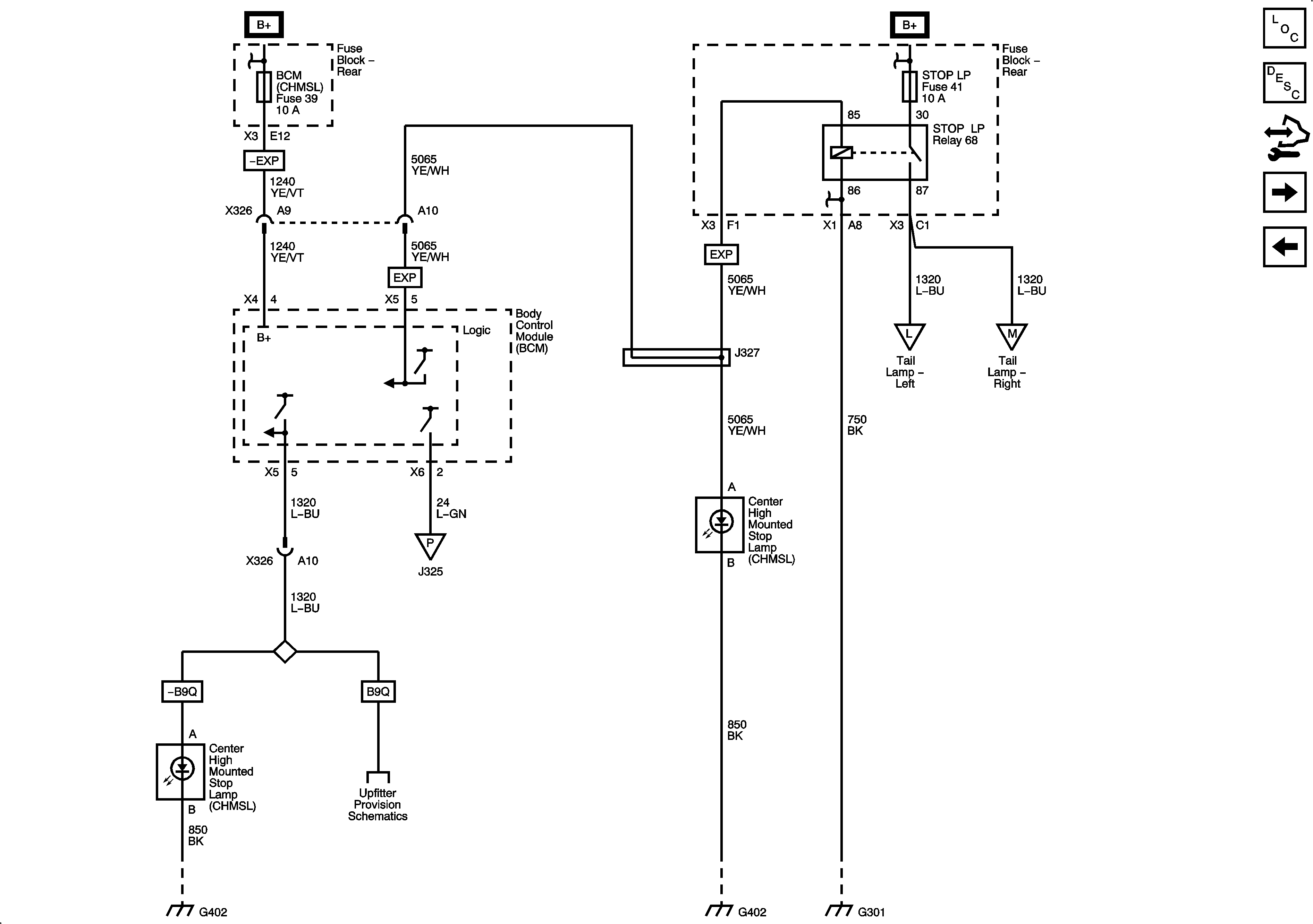
Figure 6:

Stop/Rear Turn Signal Lamps


Object Number: 2082235  Size: FS
Figure 7:

Center High-Mounted Stop Lamp


Object Number: 2082236  Size: FS
Figure 8:

Backup Lamps


Object Number: 2082238  Size: FS