GM Service Manual Online
For 1990-2009 cars only
Figure 1:

Power, Ground, Clock


Object Number: 2082315  Size: FS
Figure 2:

Indicators


Object Number: 2082317  Size: FS
Figure 3:

Inflatable Restraint I/P Module Indicator, Telltale Assembly


Object Number: 2082319  Size: FS
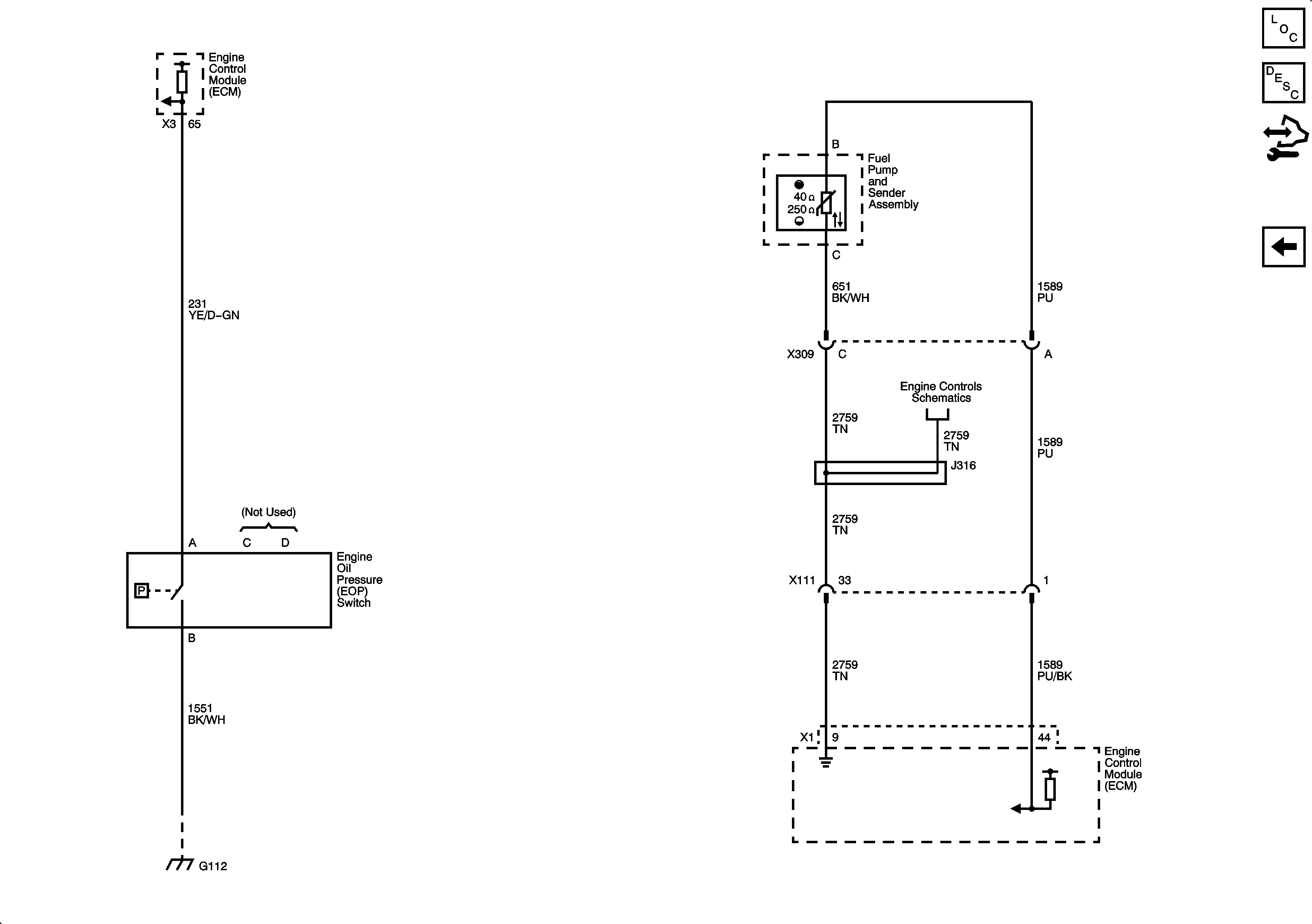
Figure 4:

EOP, Fuel Level Sensor


Object Number: 2082320  Size: FS