GM Service Manual Online
For 1990-2009 cars only
Makes
🢒
Cadillac
🢒
2009
🢒
DTS
🢒
Transmission
🢒
Automatic Transmission - 4T80-E
🢒 Automatic Transmission Controls Schematics
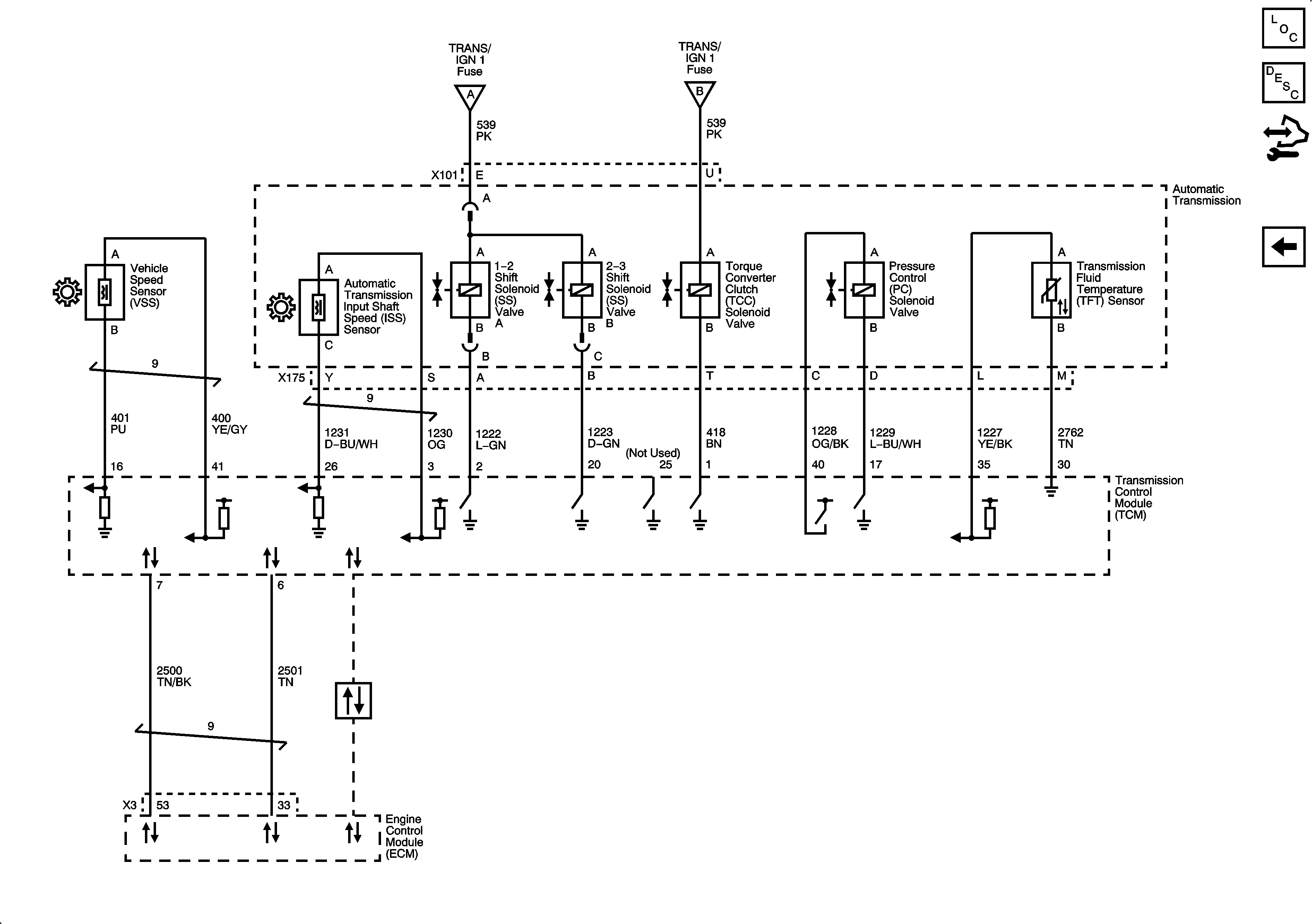
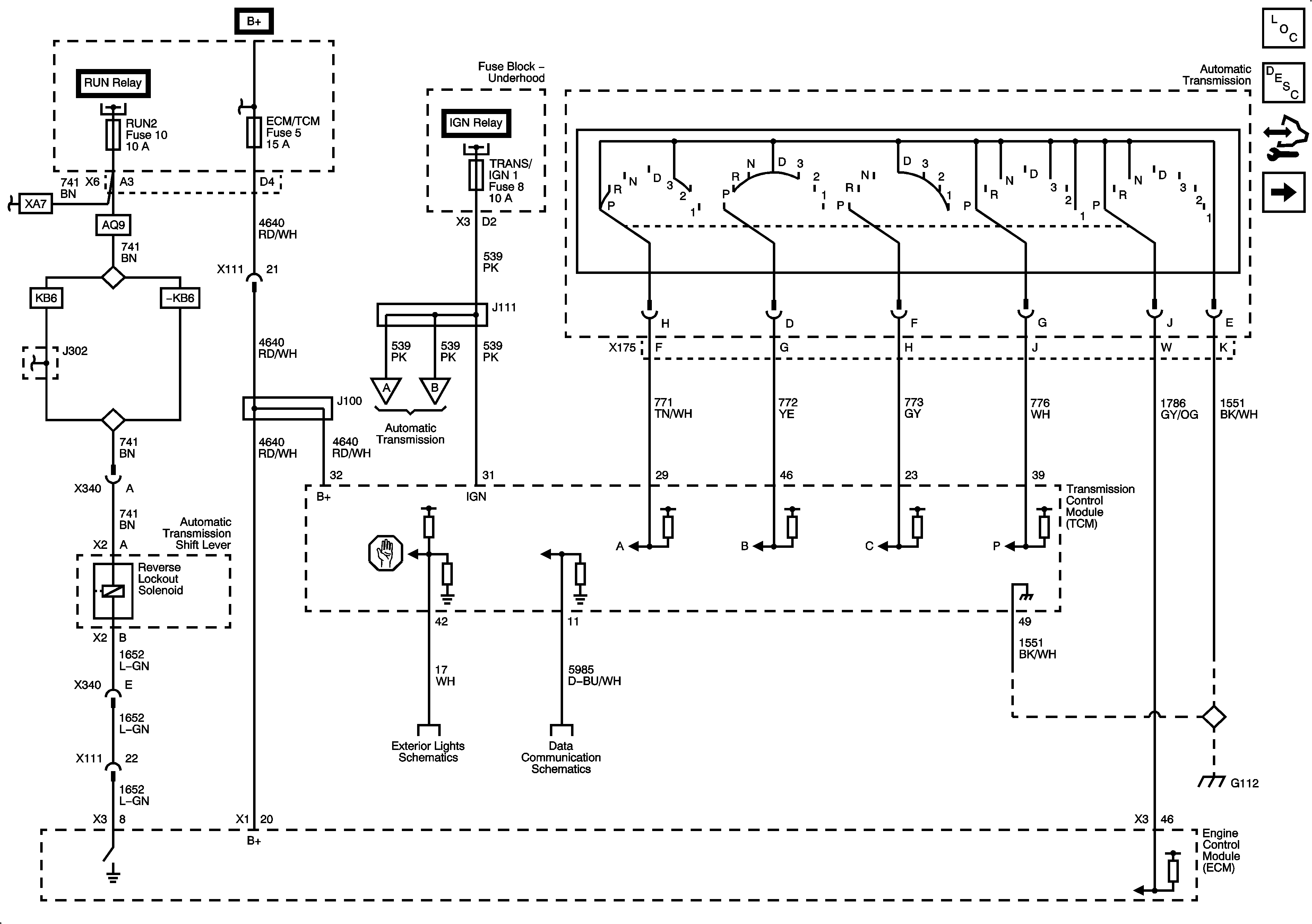
Figure
1:
TCM Power and Ground
Figure
2:
Transmission Solenoids and VSS