GM Service Manual Online
For 1990-2009 cars only

Object Number: 1616961  Size: MF

Callout

Component Name

Preliminary Procedures

  1. Remove the instrument panel lower trim panel. Refer to Instrument Panel Lower Trim Panel Replacement.
  2. Remove the left air distribution duct. Refer to Instrument Panel Outer Air Outlet Upper Duct Replacement - Left Side.
  3. Remove the right air distribution duct. Refer to Instrument Panel Outer Air Outlet Upper Duct Replacement - Right Side.
  4. Remove the center air outlet duct. Refer to Center Air Outlet Duct Replacement.
  5. Remove the floor air outlet duct. Refer to Floor Air Outlet Duct Replacement - Right Side.
  6. Remove the left side window defroster outlet duct. Refer to Side Window Defogger Outlet Duct Replacement - Left Side.
  7. Remove the right side window defroster outlet duct. Refer to Side Window Defogger Outlet Duct Replacement - Right Side.
  8. Remove the screws securing the windshield defroster nozzle duct to the carrier. Refer to Defroster Air Outlet Duct Replacement.

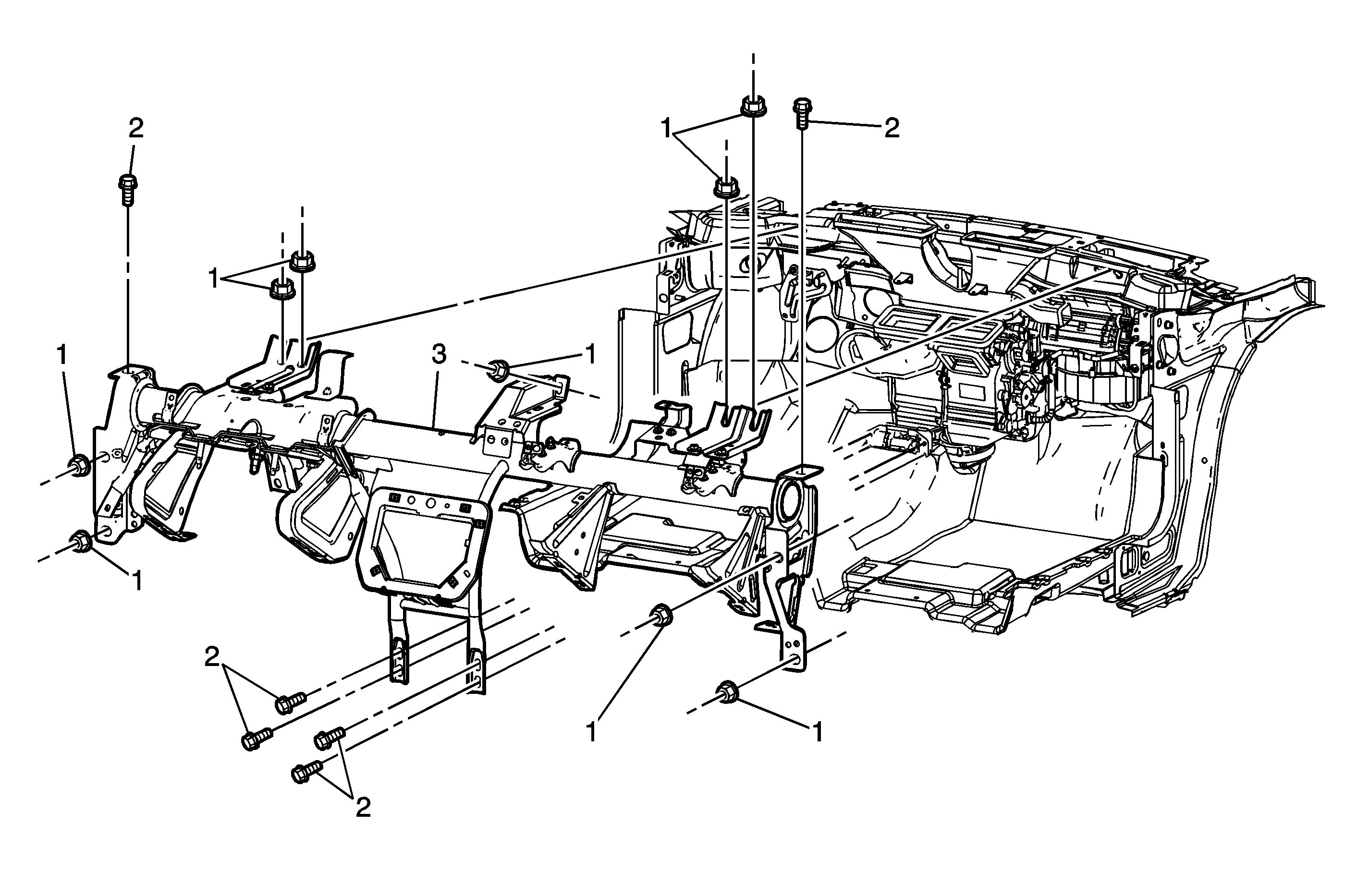
1

Instrument Panel Carrier Assembly Nuts (Qty: 9)

Caution: Refer to Fastener Caution in the Preface section.

Tighten
25 N·m (18 lb ft)

2

Instrument Panel Carrier Assembly Bolts (Qty: 6)

Tighten
25 N·m (18 lb ft)

3

Instrument Panel Carrier Assembly

Procedure

  1. Note the routing of the electric harness prior to removal of the carrier to ensure proper reinstallation.
  2. Disconnect the electrical harness connections.
  3. With the aid of an assistant, remove the carrier from the vehicle.