GM Service Manual Online
For 1990-2009 cars only
Figure 1:

Front Park Assist (UFR)


Object Number: 2082391  Size: FS
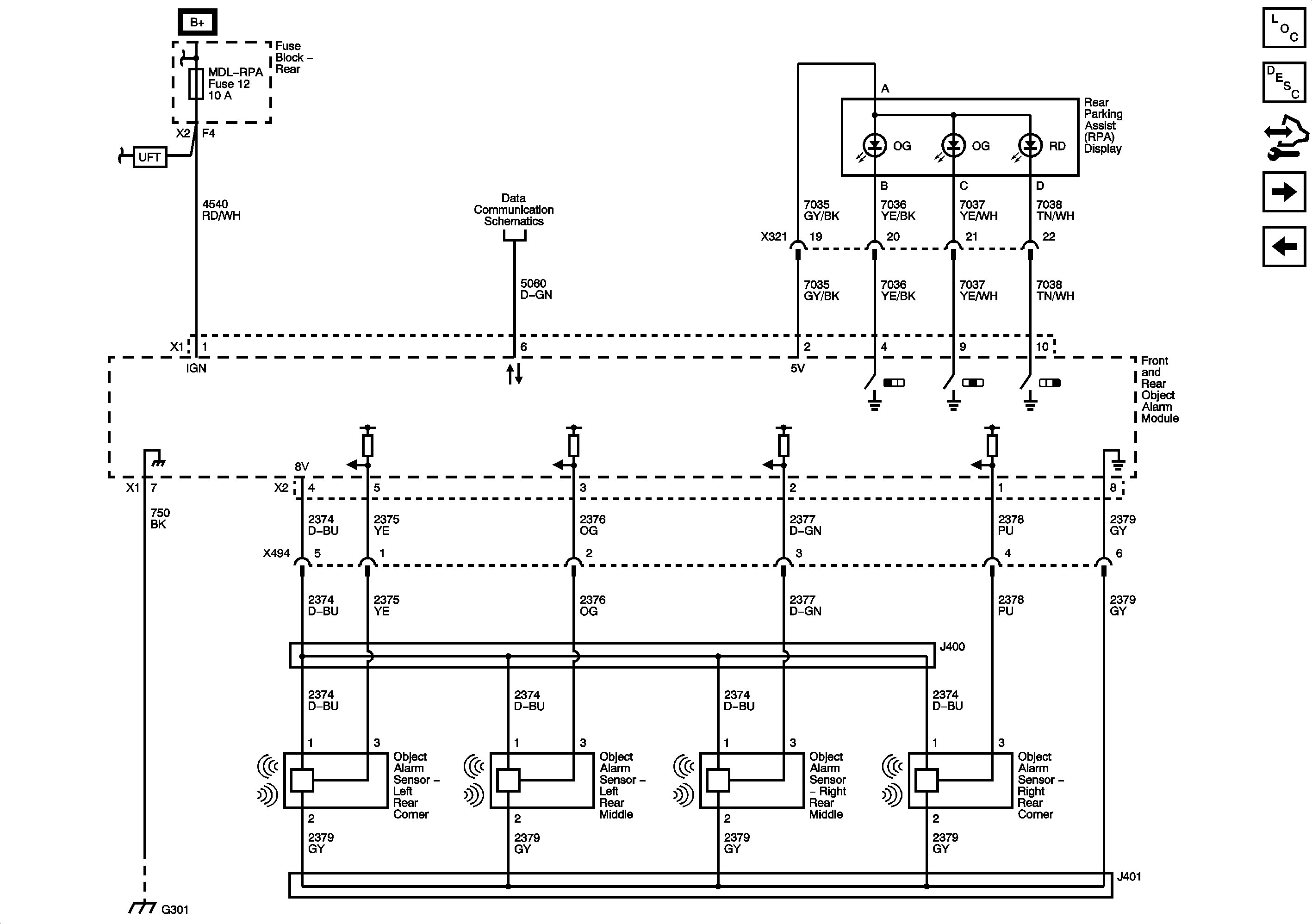
Figure 2:

Rear Park Assist (UFR)


Object Number: 2082392  Size: FS
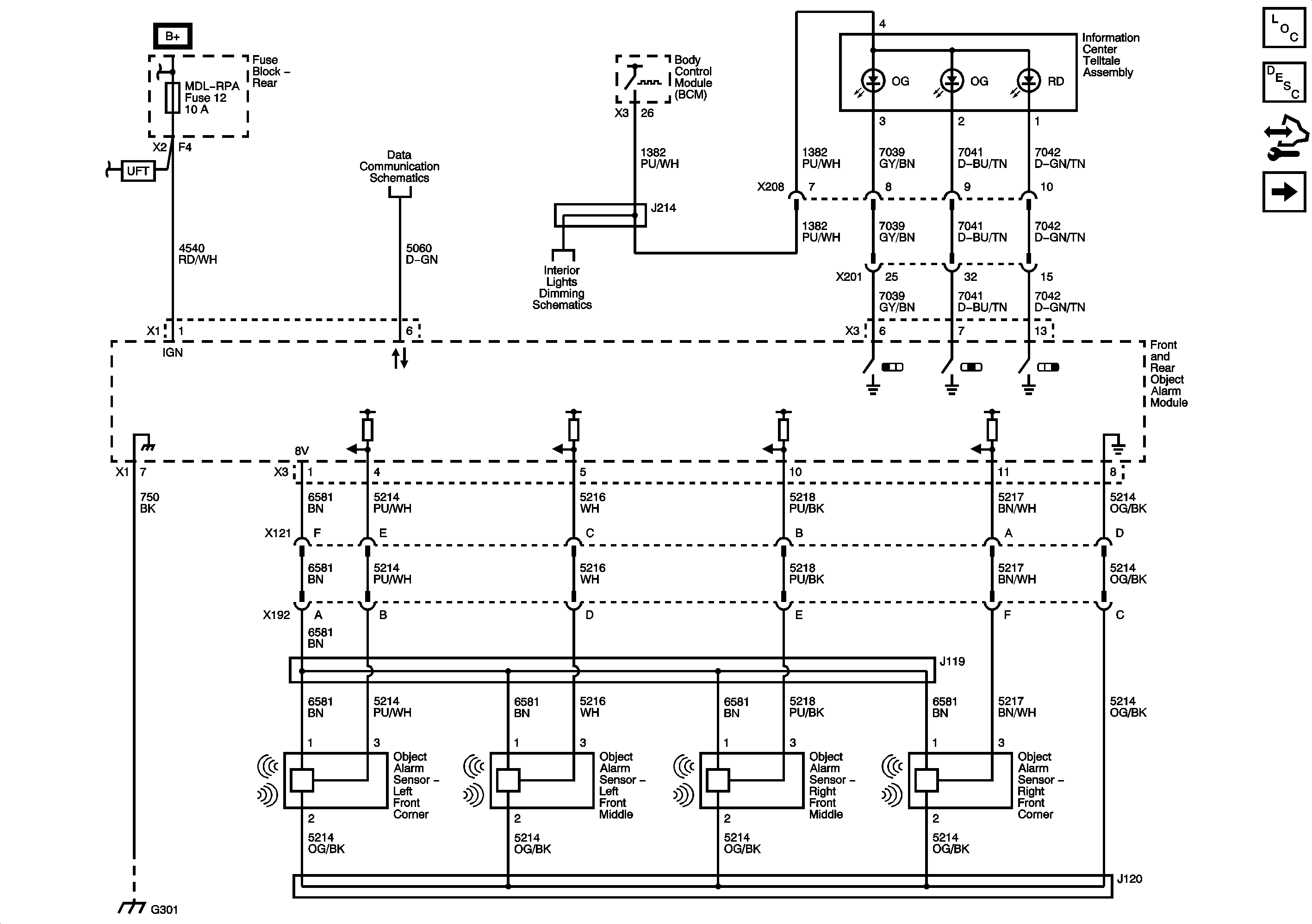
Figure 3:

Lane Departure Warning System (UFL)


Object Number: 2082393  Size: FS
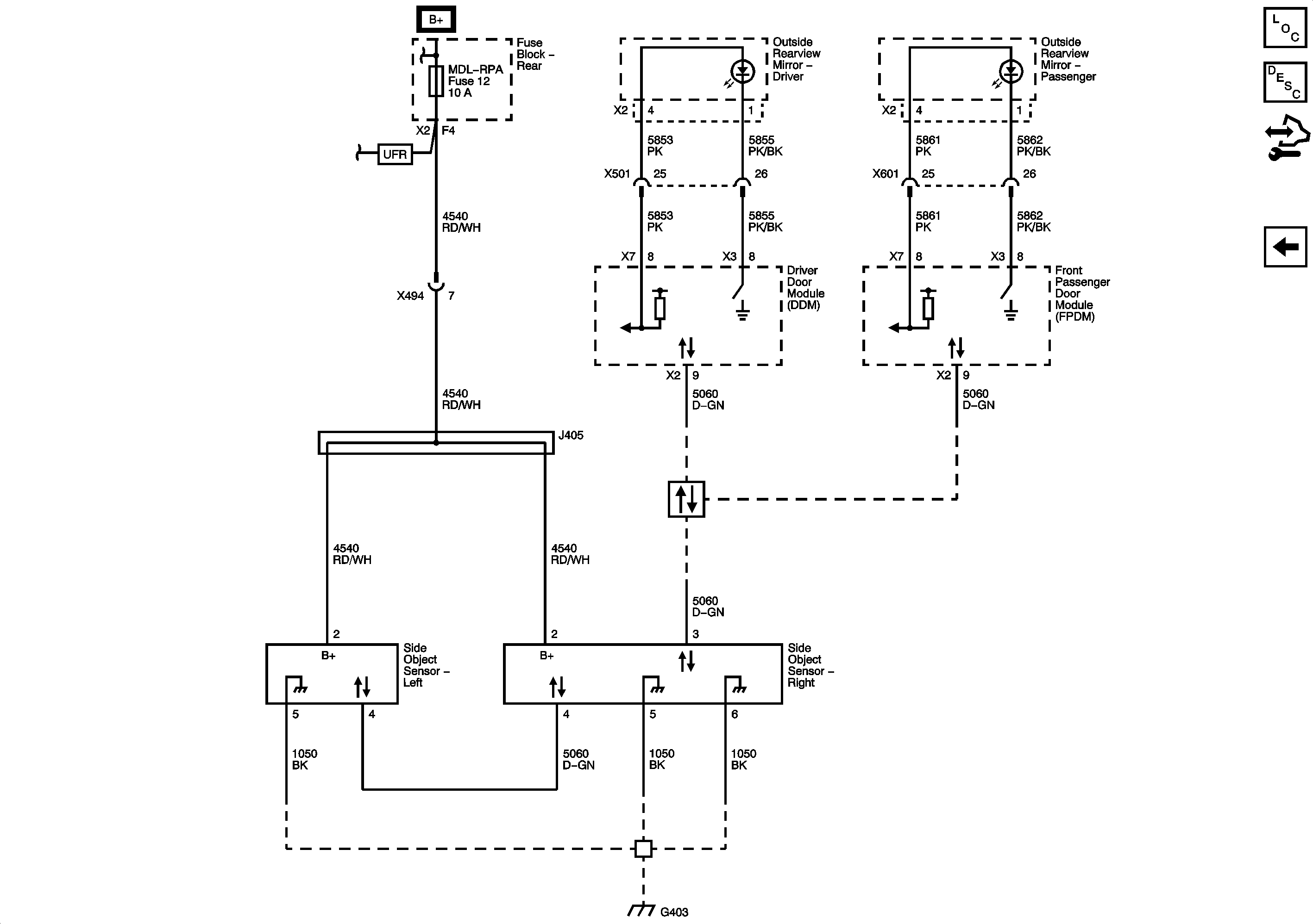
Figure 4:

Side Object Detection (UFT)


Object Number: 2082394  Size: FS