GM Service Manual Online
For 1990-2009 cars only

Removal Procedure


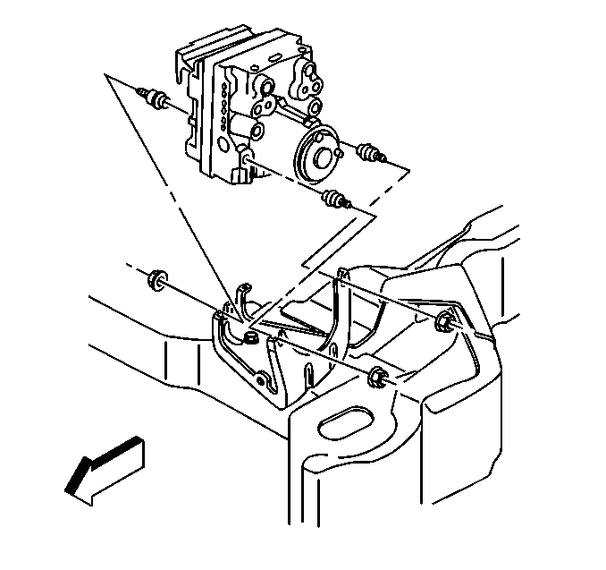
    Object Number: 143450  Size: SH

    Important: The EBTCM cannot be repaired. If faulty, the EBTCM must be replaced as an assembly.

    Caution: Unless directed otherwise, the ignition and start switch must be in the OFF or LOCK position, and all electrical loads must be OFF before servicing any electrical component. Disconnect the negative battery cable to prevent an electrical spark should a tool or equipment come in contact with an exposed electrical terminal. Failure to follow these precautions may result in personal injury and/or damage to the vehicle or its components.

  1. Disconnect the negative battery cable.
  2. Remove the air cleaner assembly. Refer to Air Cleaner Assembly Replacement in Engine Controls - 4.6L.
  3. Reposition the PCM in order to create access to the EBTCM.
  4. Raise the vehicle. Refer to Lifting and Jacking the Vehicle in General Information.
  5. Remove the lower radiator splash shield. Refer to Engine Splash Shield Replacement in Body Front End.
  6. Remove the left front wheel well splash shield. Refer to Wheelhouse Panel Replacement in Body Front End.
  7. Remove the 3 EBTCM/BPMV assembly bracket nuts.
  8. Remove the 2 lower EBTCM to BPMV bolts.
  9. Lower the vehicle. Refer to Lifting and Jacking the Vehicle in General Information.
  10. Disconnect the EBTCM connector.
  11. Remove the front insulator and insulator mounting bolt.
  12. Remove the 2 upper EBTCM to BPMV bolts.

  13. Object Number: 143452  Size: SH

    Caution: Do not pry the EBTCM from the BPMV as damage to the seal may result.

    Important: Do not damage the seal.

  14. Separate the EBTCM from the BPMV by gently pulling forward until separated.

Installation Procedure


    Object Number: 143452  Size: SH

    Important: When replacing the EBTCM, MagnaSteer® must be recalibrated. Refer to Variable Effort Steering Programming in Variable Effort Steering.

  1. Clean the seal and BPMV gasket surface with alcohol.
  2. Important: Do not tighten the bolts.

  3. Install the EBTCM to the BPMV with the 2 upper EBTCM to BPMV bolts.
  4. Raise the vehicle. Refer to Lifting and Jacking the Vehicle in General Information.

  5. Object Number: 143450  Size: SH

    Notice: Use the correct fastener in the correct location. Replacement fasteners must be the correct part number for that application. Fasteners requiring replacement or fasteners requiring the use of thread locking compound or sealant are identified in the service procedure. Do not use paints, lubricants, or corrosion inhibitors on fasteners or fastener joint surfaces unless specified. These coatings affect fastener torque and joint clamping force and may damage the fastener. Use the correct tightening sequence and specifications when installing fasteners in order to avoid damage to parts and systems.

  6. Install the 2 lower EBTCM to BPMV bolts.
  7. Tighten
    Tighten the 2 lower EBTCM to BPMV bolts to 5 N·m (40 lb in).

  8. Install the front insulator and insulator mounting bolt.
  9. Tighten
    Tighten the insulator mounting bolt to 14 N·m (10 lb ft).

  10. Install the 3 EBTCM/BPMV assembly bracket nuts.
  11. Tighten
    Tighten the 3 EBTCM/BPMV assembly bracket nuts to 10 N·m (89 lb in).

  12. Install the lower radiator splash shield. Refer to Engine Splash Shield Replacement in Body Front End.
  13. Install the left front wheel well splash shield. Refer to Wheelhouse Panel Replacement in Body Front End.
  14. Lower the vehicle. Refer to Lifting and Jacking the Vehicle in General Information.
  15. Tighten the 2 upper EBTCM to BPMV bolts.
  16. Tighten
    Tighten the 2 upper EBTCM to BPMV bolts to 5 N·m (40 lb in).

  17. Install the EBTCM electrical connector. Ensure that the EBTCM connector tab is locked down.
  18. Reposition the PCM to the proper position.
  19. Install the air cleaner assembly. Refer to Air Cleaner Assembly Replacement in Engine Controls.
  20. Install the negative battery cable.
  21. Perform the ABS Diagnostic System Check. Refer to Diagnostic System Check .