GM Service Manual Online
For 1990-2009 cars only

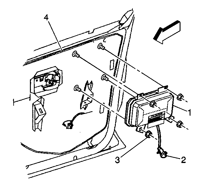
Removal Procedure

Caution: When you are carrying an undeployed inflator module:

   • Do not carry the inflator module by the wires or connector on the inflator module
   • Make sure the bag opening points away from you
When you are storing an undeployed inflator module, make sure the bag opening points away from the surface on which the inflator module rests. When you are storing a steering column, do not rest the column with the bag opening facing down and the column vertical. Provide free space for the air bag to expand in case of an accidental deployment. Otherwise, personal injury may result.

  1. Disable the frontal SIR system and the RH side air bag. Refer to Disabling the SIR System .

  2. Object Number: 235701  Size: SH
  3. Remove the inflatable restraint side impact inflator module mounting nuts (3).
  4. Remove the inflatable restraint side impact inflator module (1) from the door (4).
  5. Fully deploy the module before disposal. If the module was replaced under warranty, fully deploy and dispose of the module after the required retention period. Refer to Inflator Module Handling, Shipping, and Scrapping .

Installation Procedure


    Object Number: 235701  Size: SH

    Important: 

       • The inflatable restraint side impact inflator module is installed after the door water deflector.
       • Ensure that the arrow is pointing toward the front of the vehicle.

  1. Slide the inflatable restraint side impact inflator module (1) onto the studs.
  2. Apply thread locking compound GM P/N 12345382 or equivalent to the threads of the studs.
  3. Notice: Use the correct fastener in the correct location. Replacement fasteners must be the correct part number for that application. Fasteners requiring replacement or fasteners requiring the use of thread locking compound or sealant are identified in the service procedure. Do not use paints, lubricants, or corrosion inhibitors on fasteners or fastener joint surfaces unless specified. These coatings affect fastener torque and joint clamping force and may damage the fastener. Use the correct tightening sequence and specifications when installing fasteners in order to avoid damage to parts and systems.

  4. Install all of the inflatable restraint side impact inflator module mounting nuts (2).
  5. Tighten
    Tighten the nuts to 9 N·m (80 lb in).

  6. Enable the frontal SIR system and the RH side air bag. Refer to Enabling the SIR System .