GM Service Manual Online
For 1990-2009 cars only
Makes
🢒
Cadillac
🢒
1998
🢒
DeVille
🢒
Body and Accessories
🢒
Lighting Systems
🢒 Interior Lights Schematics
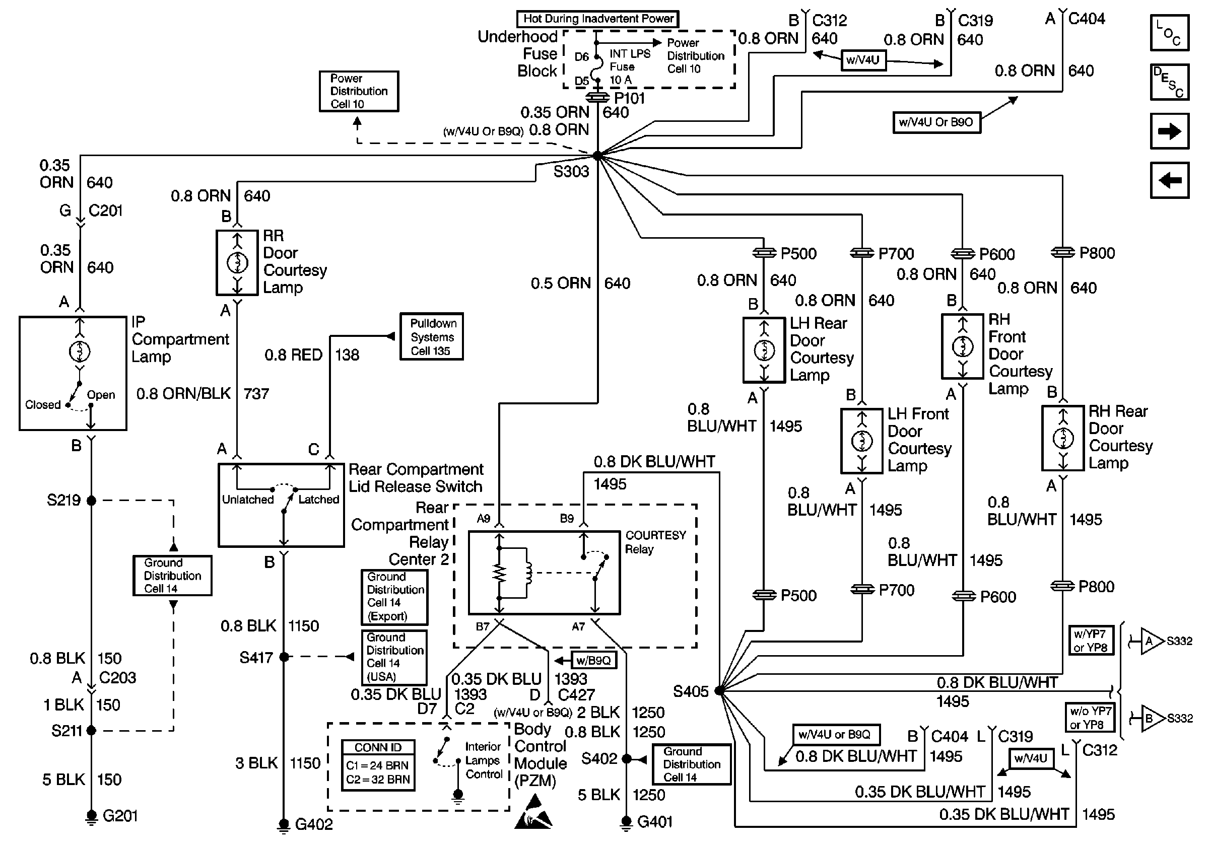
Figure
1:
Cell 114: Inputs; DeVille
Lighting Systems Components
Interior Lights Circuit Description
Cell 114: Door Courtesy, IP Compartment, and Rear Compartment Lamps; DeVille
Power Distribution Schematics
Body Control System Connector End Views
Handling ESD Sensitive Parts Notice
Handling ESD Sensitive Parts Notice
Ground Distribution Schematics
Ground Distribution Schematics
Ground Distribution Schematics
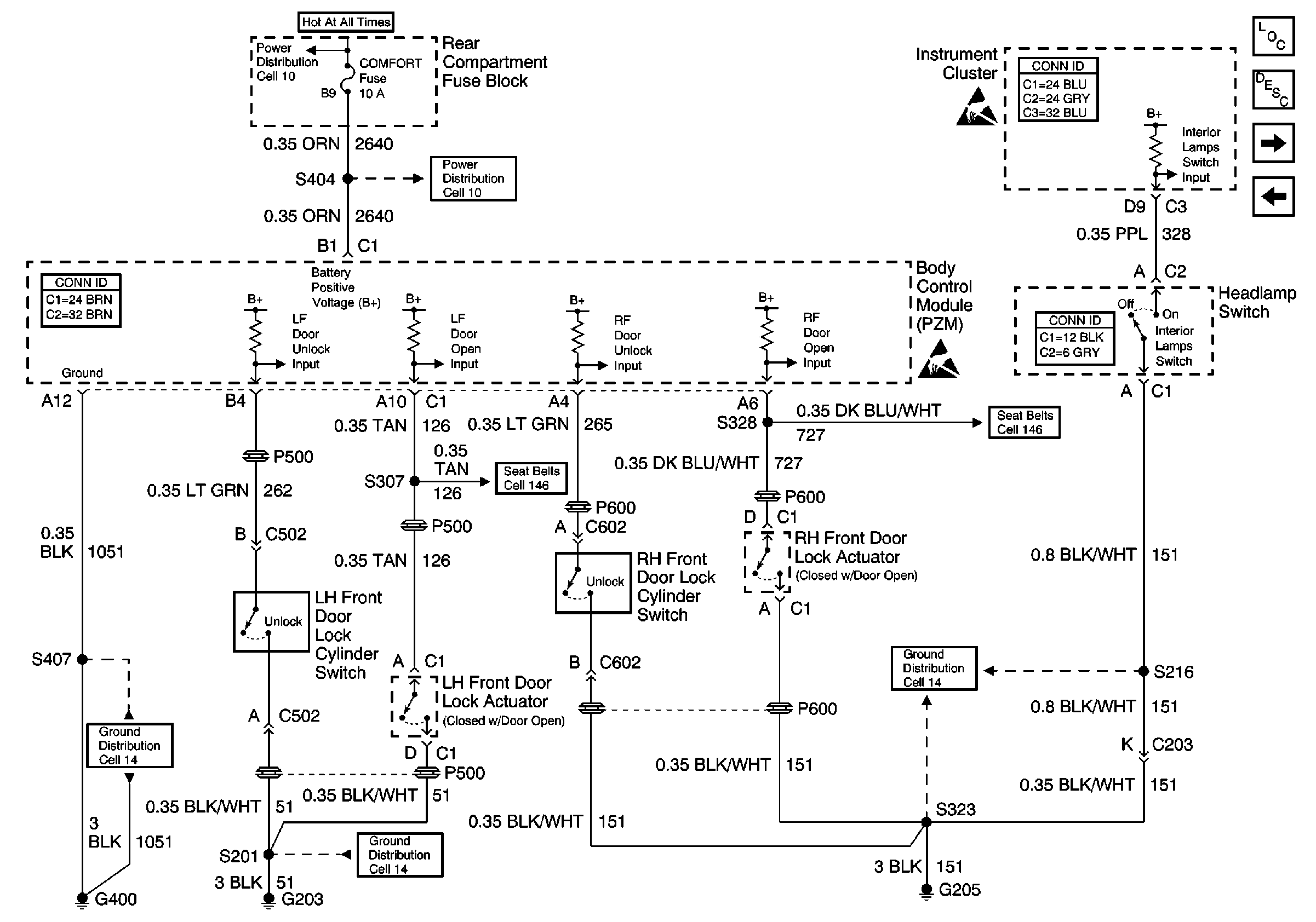
Instrument Panel, Gages, and Console Connector End Views
Lighting Systems Connector End Views
Figure
2:
Cell 114: Door Courtesy, IP Compartment, and Rear Compartment Lamps; DeVille
Lighting Systems Components
Interior Lights Circuit Description
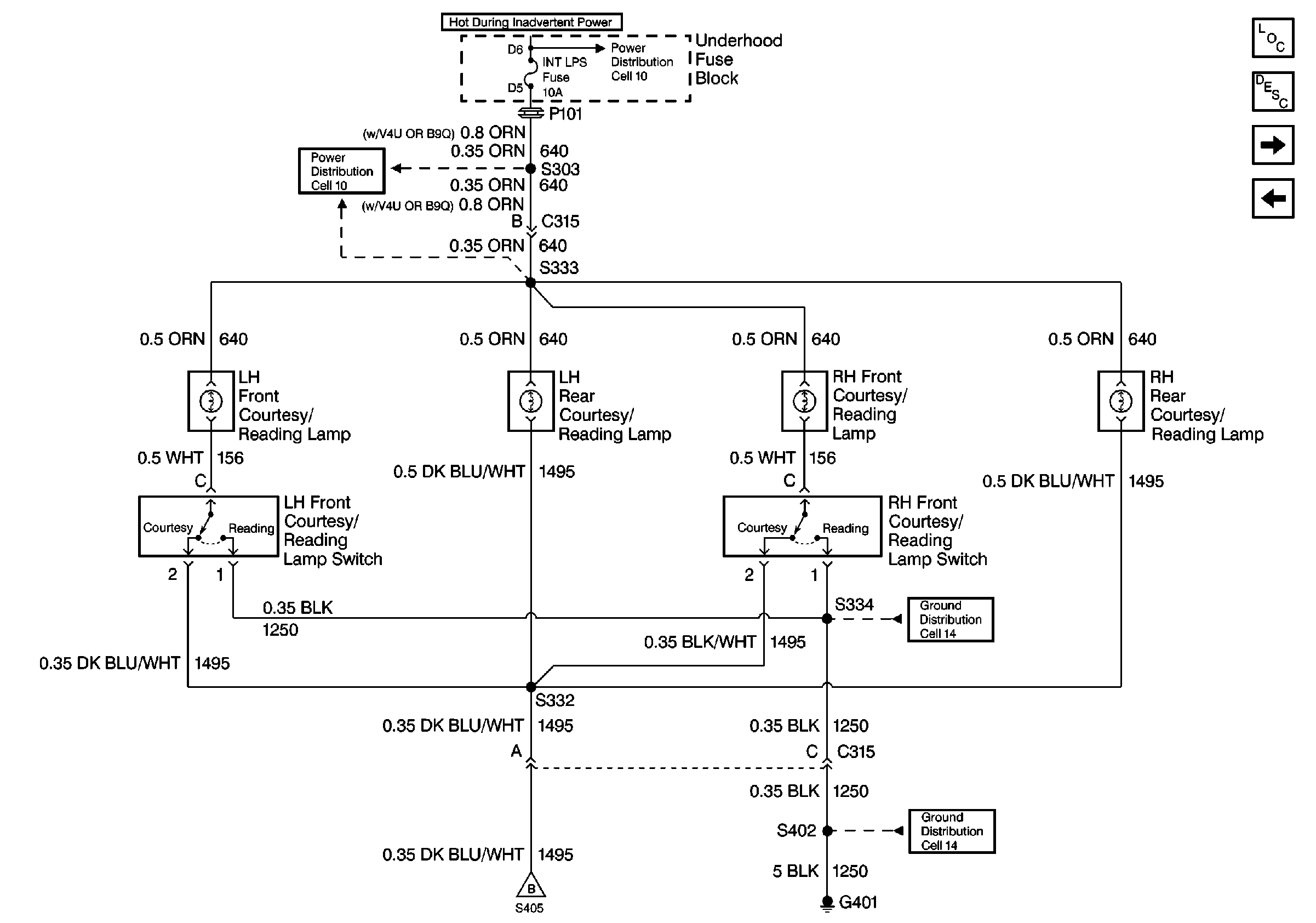
Cell 114: Courtesy/Reading Lamps - DeVille
Cell 114: Inputs; DeVille
Power Distribution Schematics
Power Distribution Schematics
Handling ESD Sensitive Parts Notice
Cell 135
Ground Distribution Schematics
Ground Distribution Schematics
Ground Distribution Schematics
Ground Distribution Schematics
Cell 114: Courtesy/Reading Lamps w/YP7 or YP8 - DeVille
Cell 114: Courtesy/Reading Lamps - DeVille
Body Control System Connector End Views
Figure
3:
Cell 114: Courtesy/Reading Lamps -- DeVille
Lighting Systems Components
Interior Lights Circuit Description
Cell 114: Courtesy/Reading Lamps w/YP7 or YP8 - DeVille
Cell 114: Door Courtesy, IP Compartment, and Rear Compartment Lamps; DeVille
Power Distribution Schematics
Cell 114: Door Courtesy, IP Compartment, and Rear Compartment Lamps; DeVille
Ground Distribution Schematics
Ground Distribution Schematics
Power Distribution Schematics
Figure
4:
Cell 114: Courtesy/Reading Lamps w/YP7 or YP8 -- DeVille
Lighting Systems Components
Interior Lights Circuit Description
Cell 114: Vanity Mirrors; DeVille
Cell 114: Courtesy/Reading Lamps - DeVille
Power Distribution Schematics
Ground Distribution Schematics
Ground Distribution Schematics
Power Distribution Schematics
Cell 114: Door Courtesy, IP Compartment, and Rear Compartment Lamps; DeVille
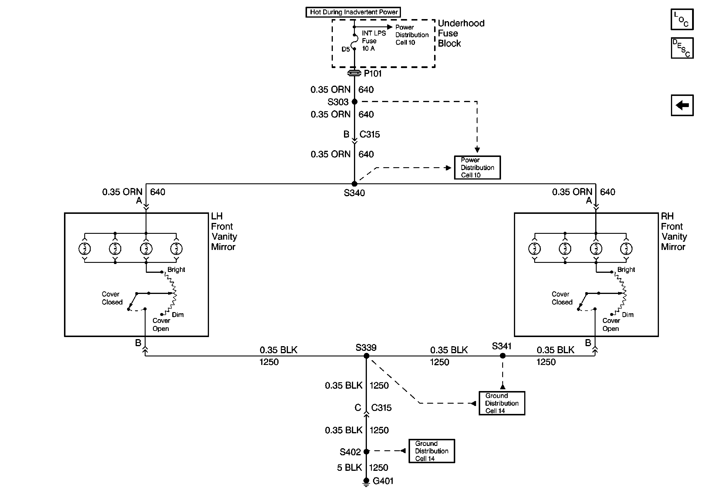
Figure
5:
Cell 114: Vanity Mirrors; DeVille
Lighting Systems Components
Interior Lights Circuit Description
Cell 114: Courtesy/Reading Lamps w/YP7 or YP8 - DeVille
Ground Distribution Schematics
Ground Distribution Schematics
Power Distribution Schematics
Power Distribution Schematics
Cell 114: Inputs; Eldorado
Figure
6:
Cell 114: Inputs; Eldorado
Ground Distribution Schematics
Ground Distribution Schematics
Ground Distribution Schematics
Lighting Systems Connector End Views
Handling ESD Sensitive Parts Notice
Body Control System Connector End Views
Power Distribution Schematics
Power Distribution Schematics
Handling ESD Sensitive Parts Notice
Instrument Panel, Gages, and Console Connector End Views
Lighting Systems Components
Interior Lights Circuit Description
Cell 114: Door Courtesy, IP Compartment, and Rear Compartment Lamps - Eldorado
Cell 114: Vanity Mirrors; DeVille
Cell 146
Cell 146
Figure
7:
Cell 114: Door Courtesy, IP Compartment, and Rear Compartment Lamps -- Eldorado
Cell 114: Courtesy/Reading Lamps; Eldorado
Power Distribution Schematics
Ground Distribution Schematics
Handling ESD Sensitive Parts Notice
Body Control System Connector End Views
Ground Distribution Schematics
Ground Distribution Schematics
Ground Distribution Schematics
Power Distribution Schematics
Cell 135
Lighting Systems Components
Interior Lights Circuit Description
Cell 114: Courtesy/Reading Lamps; Eldorado
Cell 114: Inputs; Eldorado
Figure
8:
Cell 114: Courtesy/Reading Lamps; Eldorado
Power Distribution Schematics
Power Distribution Schematics
Cell 114: Door Courtesy, IP Compartment, and Rear Compartment Lamps - Eldorado
Ground Distribution Schematics
Ground Distribution Schematics
Lighting Systems Components
Interior Lights Circuit Description
Cell 114: Vanity Mirrors; Eldorado
Cell 114: Door Courtesy, IP Compartment, and Rear Compartment Lamps - Eldorado
Figure
9:
Cell 114: Vanity Mirrors; Eldorado
Power Distribution Schematics
Power Distribution Schematics
Ground Distribution Schematics
Ground Distribution Schematics
Cell 114: Courtesy/Reading Lamps; Eldorado
Lighting Systems Components
Interior Lights Circuit Description