GM Service Manual Online
For 1990-2009 cars only

Cell 151


Object Number: 316747  Size: FS
Handling ESD Sensitive Parts Notice
Power Distribution Schematics
Ground Distribution Schematics
Entertainment Components
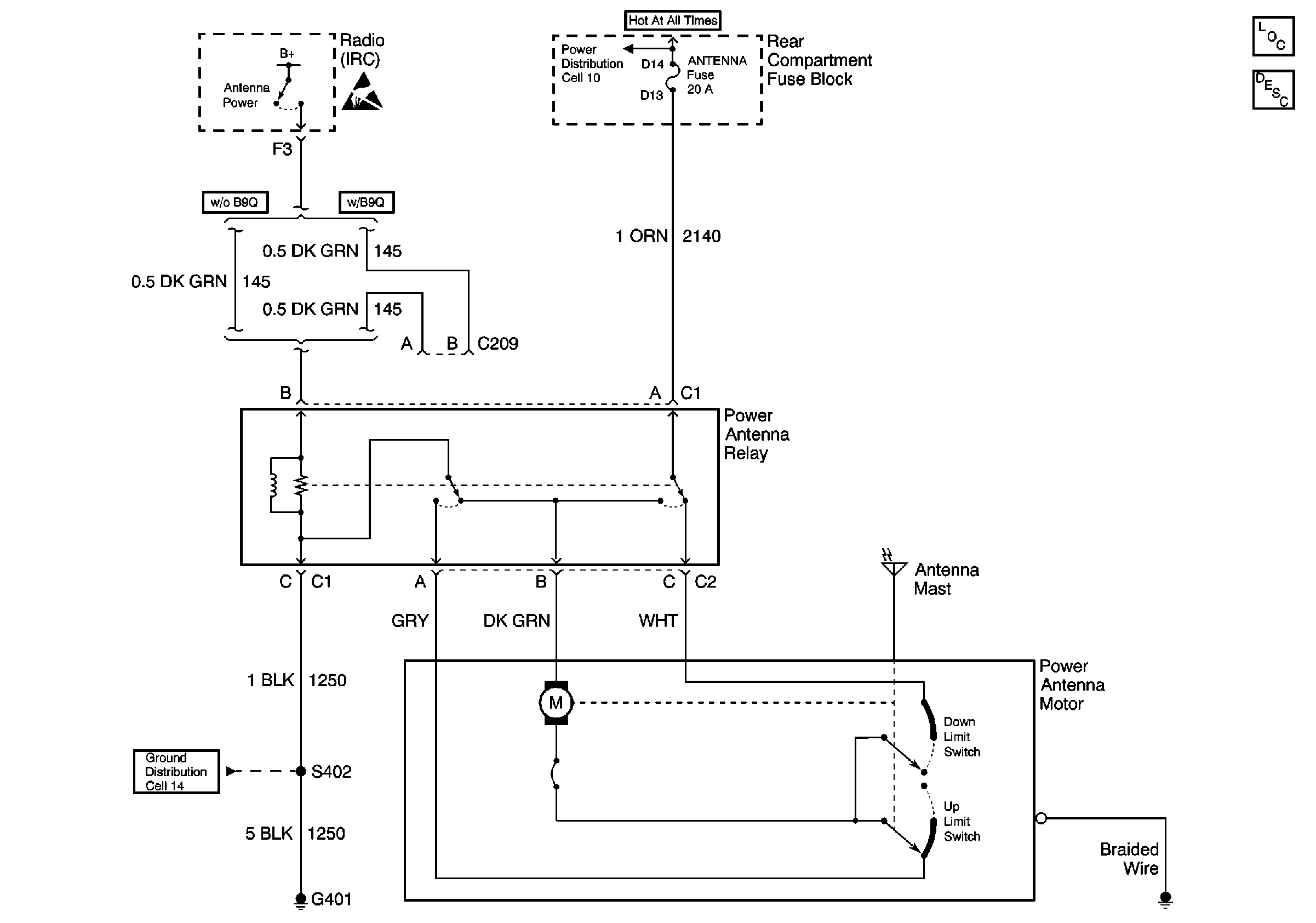
Power Antenna System Circuit Description