GM Service Manual Online
For 1990-2009 cars only
Figure 1:

Engine Compartment, Near the Left Strut Tower


Object Number: 321318  Size: LF
(1)Engine Compartment Fuse/Relay Center
(2)Inadvertant Power Relay
(3)S112
(4)Engine Compartment Relay Center
(5)Starter Enable Relay
(6)Ignition 1 Relay
(7)Right MaxiFuse® Block
(8)S121
(9)S119
(10)Left MaxiFuse® Block
(11)S154
(12)S122
(13)C101
(14)S105
(15)S104
Figure 2:

Engine Compartment, Left Front


Object Number: 321315  Size: LF
(1)G101
(2)G110
(3)S106
Figure 3:

Engine Compartment, Right Front Corner


Object Number: 321328  Size: LF
(1)G100
(2)Daytime Running Lamps (DRL) Resistor (DeVille)
(3)Battery
Figure 4:

Engine, on the Lower Left Front Corner


Object Number: 321347  Size: LF
(1)C100
(2)G107
(3)S118
Figure 5:

Engine, RH Front


Object Number: 321360  Size: LF
(1)G100
(2)Battery
(3)G105
Figure 6:

Instrument Panel, Below the Left Side


Object Number: 321367  Size: LF
(1)G203 (Hidden)
(2)S200
(3)S202
(4)G204
(5)S201
(6)S205
Figure 7:

IP, Below the Right Side


Object Number: 321386  Size: LF
(1)G201
(2)S323
(3)S203
(4)G205
Figure 8:

Passenger Compartment, Below the Left Front Seat


Object Number: 321396  Size: LF
(1)S313
(2)G302
(3)S314
(4)S312
(5)S311
(6)C302
(7)C305
(8)C316 (left), C317 (right)
Figure 9:

Passenger Compartment, Below the Left Front Seat


Object Number: 321397  Size: LF
(1)Inflatable Restraint Sensing and Diagnostic Module (SDM)
(2)G306
Figure 10:

Passenger Compartment, Behind the Rear Seat


Object Number: 321412  Size: LF
(1)Continuously Variable Road Sensing Suspension (CVRSS) Module
(2)G403
(3)Remote Function Actuator (RFA) Module
(4)Radio Amplifier/Radio Interface Module (RIM)
(5)Rear Compartment Fuse Block
(6)Body Control Module (PZM)
(7)S410
(8)S430
(9)Rear Compartment Relay Block # 4
(10)Rear Compartment Relay Block # 3
(11)Rear Compartment Relay Block # 2
(12)Rear Compartment Relay Block # 1
(13)P400
(14)Rear Compartment Relay Block # 5
(15)S431
(16)Power Door Lock Relay
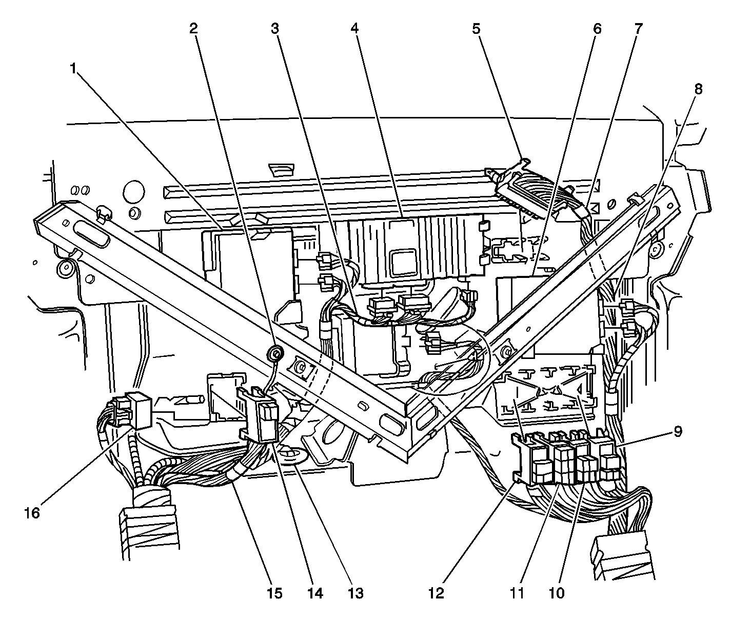
Figure 11:

Passenger Compartment, Below the Rear Seat


Object Number: 321417  Size: LF
(1)#4 Bar
(2)G400
(3)G401
(4)S402
(5)S405
(6)S401
(7)S407
(8)S406 (DeVille)
(9)S404
(10)S408
(11)S409
Figure 12:

Rear of the Rear Compartment


Object Number: 321431  Size: LF
(1)S457, S450, S423 (Hidden)
(2)P404
(3)S481
(4)S457
(5)C420
(6)S423
(7)G402
(8)C426
(9)S424
(10)S458
(11)S480
(12)P406
(13)C422
(14)Rear Compartment Lid Pull Down Motor