GM Service Manual Online
For 1990-2009 cars only
Makes
🢒
Cadillac
🢒
1998
🢒
DeVille
🢒
Body and Accessories
🢒
Instrument Panel, Gauges, and Console
🢒 Audible Warnings Schematics
Figure
1:
Cell 76: Left Front Seat Belt Switch, Left Door Jamb Switch
Instrument Cluster and HUD Components
Instrument Cluster Description
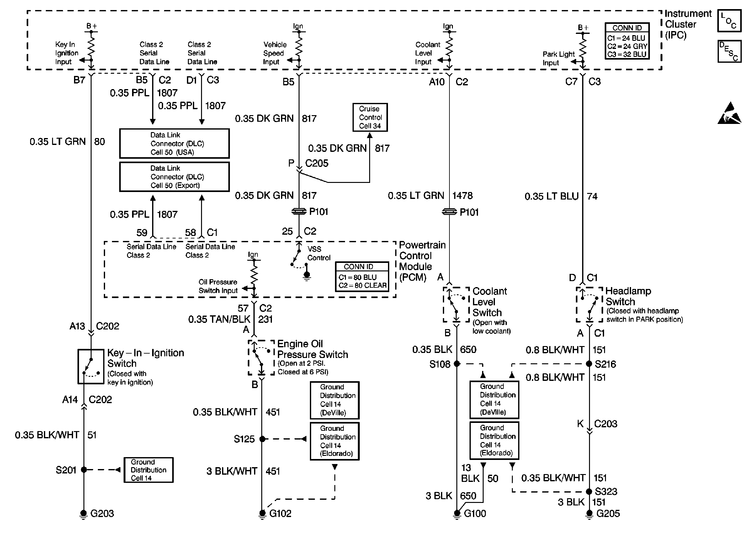
Cell 76: Key-in-Ignition, Engine Oil Pressure, Coolant Level, and Headlamp Switches
Handling ESD Sensitive Parts Notice
Data Link Connector Schematics
Data Link Connector Schematics
Ground Distribution Schematics
Ground Distribution Schematics
Ground Distribution Schematics
Ground Distribution Schematics
Ground Distribution Schematics
Cruise Control Schematics
Figure
2:
Cell 76: Key-in-Ignition, Engine Oil Pressure, Coolant Level, and Headlamp Switches
Instrument Cluster and HUD Components
Instrument Cluster Description
Cell 76: Left Front Seat Belt Switch, Left Door Jamb Switch
Handling ESD Sensitive Parts Notice
OBD II Symbol Description Notice
Cruise Control Schematics
Data Link Connector Schematics
Handling ESD Sensitive Parts Notice
Cell 76: Left Front Seat Belt Switch, Left Door Jamb Switch
Ground Distribution Schematics
Ground Distribution Schematics