GM Service Manual Online
For 1990-2009 cars only
Figure 1:

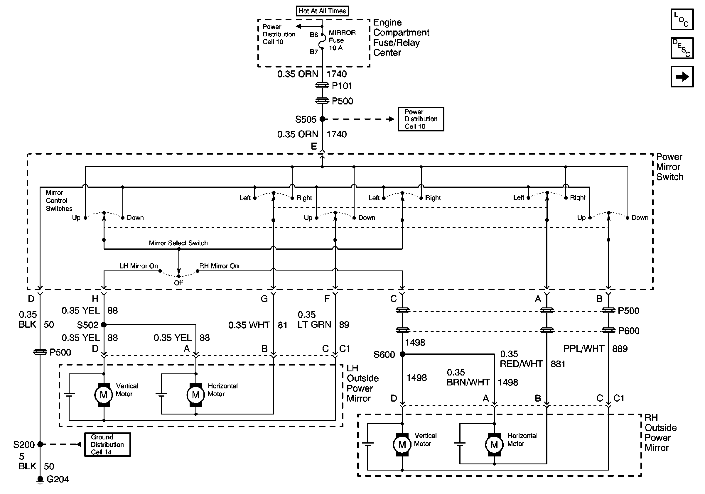
Cell 147: DeVille w/o Memory Mirrors


Object Number: 506424  Size: FS
Power Door Systems Components
Outside Mirrors Circuit Description
Cell 147: Eldorado w/o Memory Mirrors
Cell 10: MIRROR, FOG, and DRL Fuses
Cell 10: MIRROR, FOG, and DRL Fuses
Cell 14: G204
Figure 2:

Cell 147: Eldorado w/o Memory Mirrors


Object Number: 506432  Size: FS
Power Door Systems Components
Outside Mirrors Circuit Description
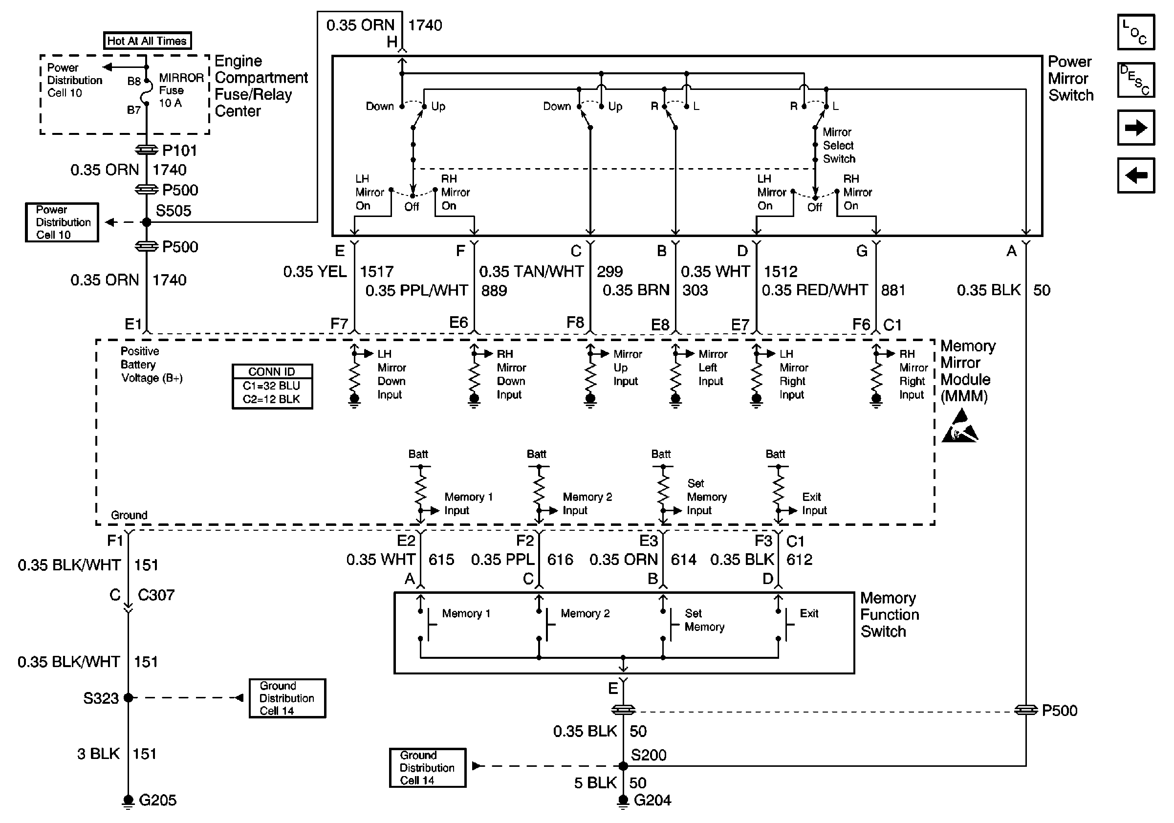
Cell 147: Power Mirror Switch - DeVille w/ Memory Mirrors
Cell 147: DeVille w/o Memory Mirrors
Cell 10: MIRROR, FOG, and DRL Fuses
Cell 10: MIRROR, FOG, and DRL Fuses
Cell 14: G204
Figure 3:

Cell 147: Power Mirror Switch -- DeVille w/ Memory Mirrors


Object Number: 506440  Size: FS
Power Door Systems Components
Outside Mirrors Circuit Description
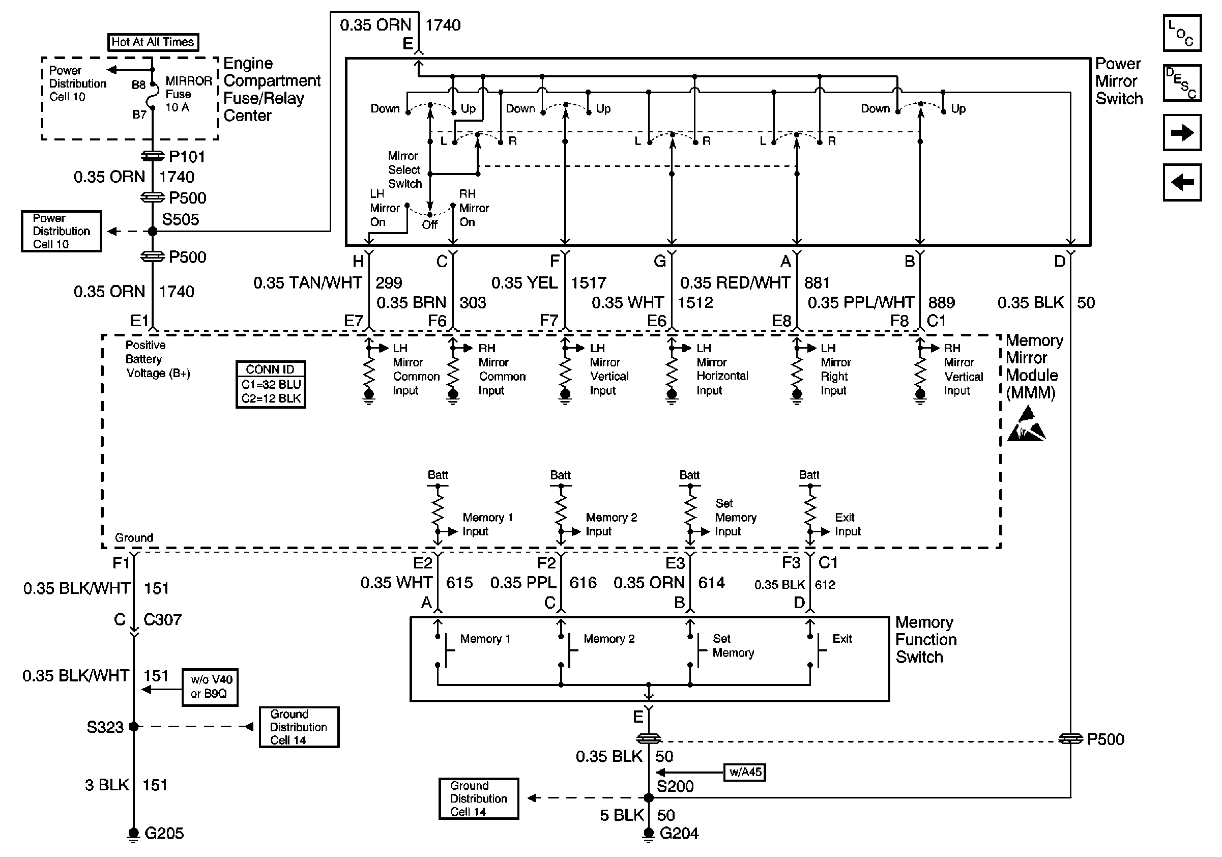
Cell 147: Outside Power Mirrors - DeVille w/ Memory Mirrors
Cell 147: Eldorado w/o Memory Mirrors
Cell 10: MIRROR, FOG, and DRL Fuses
Cell 10: MIRROR, FOG, and DRL Fuses
Handling ESD Sensitive Parts Notice
Cell 14: G205
Cell 14: G204
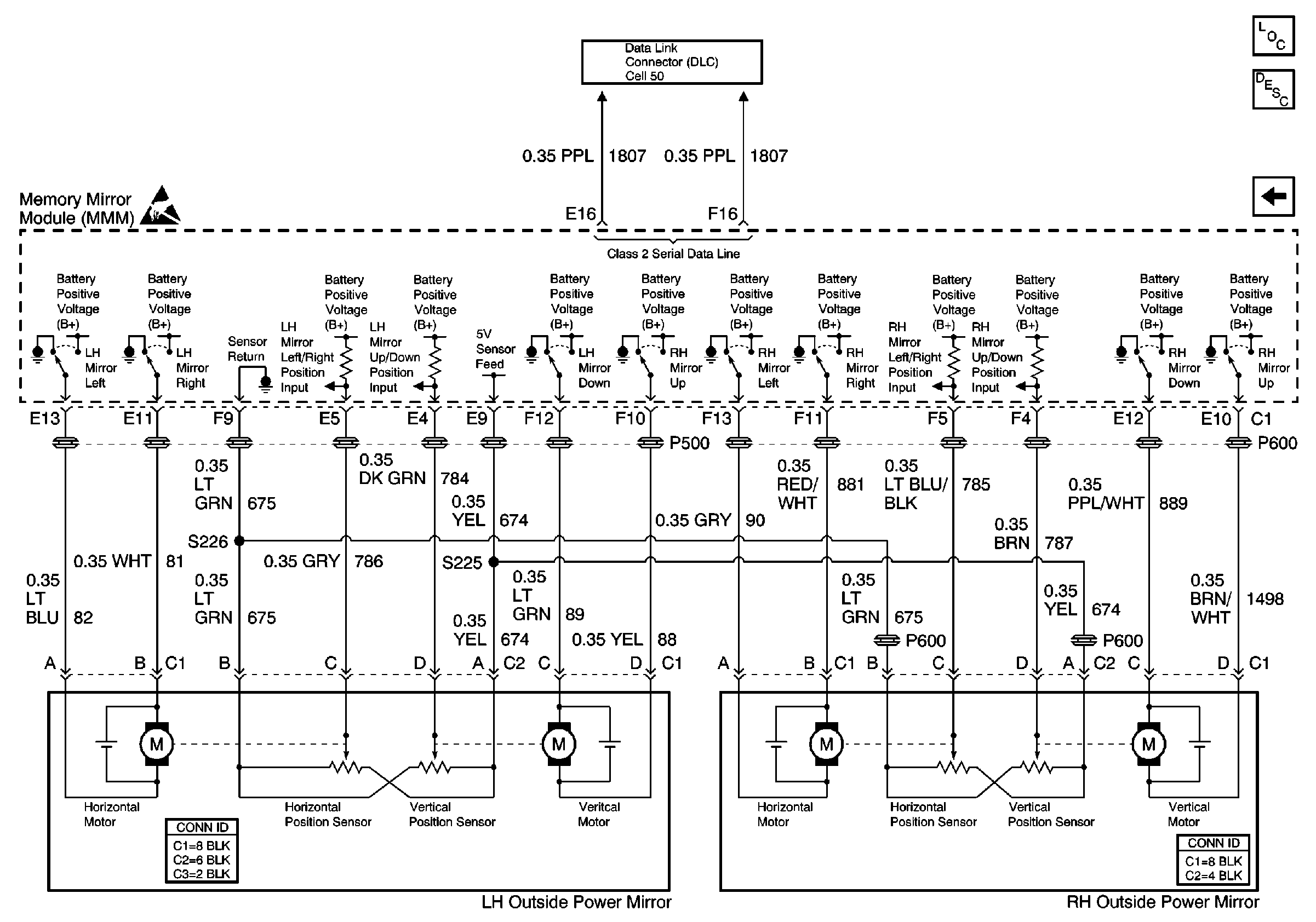
Figure 4:

Cell 147: Outside Power Mirrors -- DeVille w/ Memory Mirrors


Object Number: 506448  Size: FS
Power Door Systems Components
Outside Mirrors Circuit Description
Cell 147: Power Mirror Switch - Eldorado w/ Memory Mirrors
Cell 147: Power Mirror Switch - DeVille w/ Memory Mirrors
Handling ESD Sensitive Parts Notice
Cell 50: Class 2
Figure 5:

Cell 147: Power Mirror Switch -- Eldorado w/ Memory Mirrors


Object Number: 506454  Size: FS
Power Door Systems Components
Outside Mirrors Circuit Description
Cell 147: Outside Power Mirrors - Eldorado w/ Memory Mirrors
Cell 147: Outside Power Mirrors - DeVille w/ Memory Mirrors
Cell 10: MIRROR, FOG, and DRL Fuses
Cell 10: MIRROR, FOG, and DRL Fuses
Handling ESD Sensitive Parts Notice
Cell 14: G205
Cell 14: G204
Figure 6:

Cell 147: Outside Power Mirrors -- Eldorado w/ Memory Mirrors


Object Number: 506458  Size: FS
Power Door Systems Components
Outside Mirrors Circuit Description
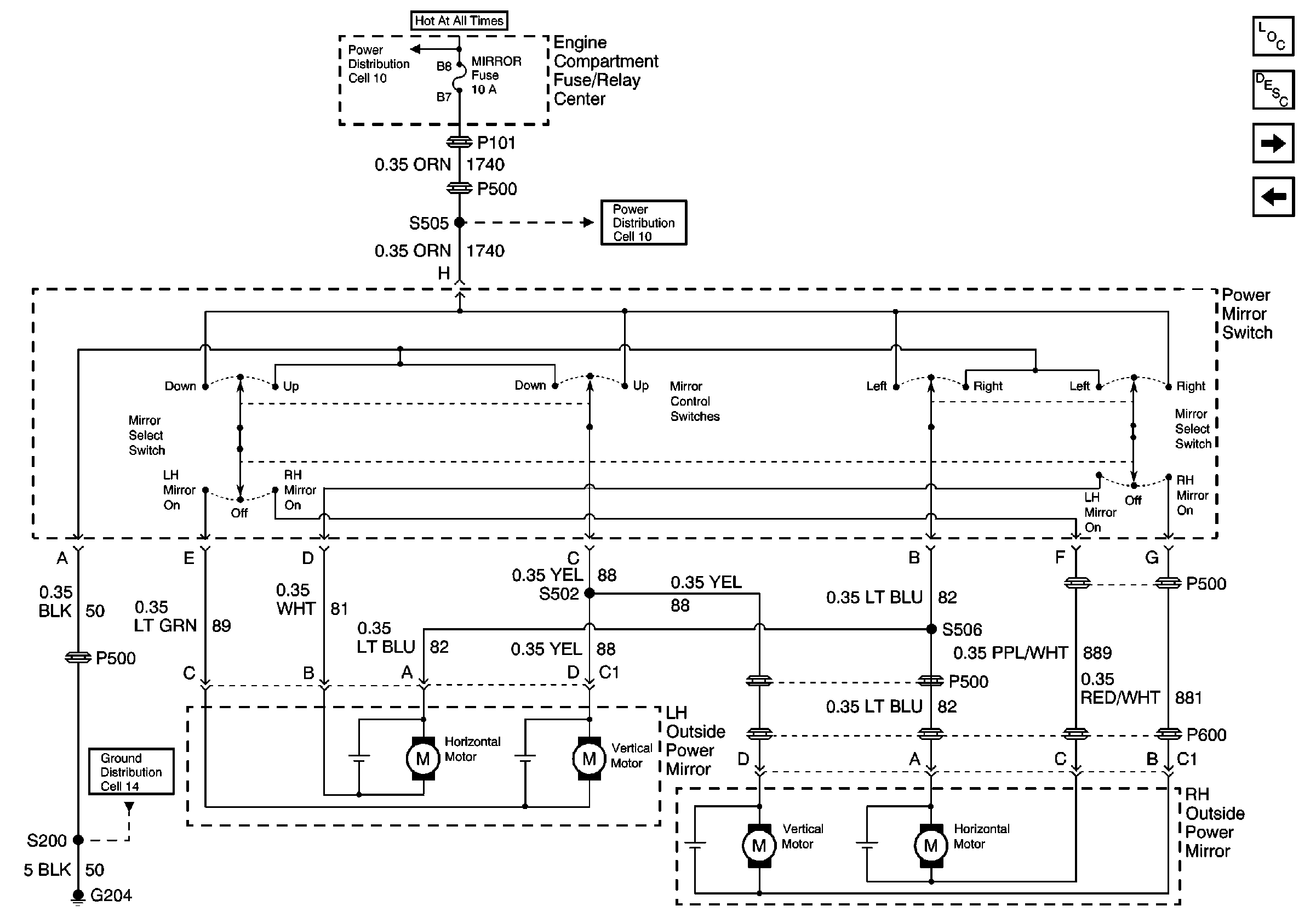
Cell 147: Power Mirror Switch - Eldorado w/ Memory Mirrors
Cell 50: Class 2
Handling ESD Sensitive Parts Notice