GM Service Manual Online
For 1990-2009 cars only

Removal Procedure

  1. Remove the rear compartment front trim panel. Refer to one of the following procedures:
  2. •  Rear Compartment Trim Panel Replacement
    •  Rear Compartment Trim Panel Replacement
    •  Rear Compartment Trim Panel Replacement
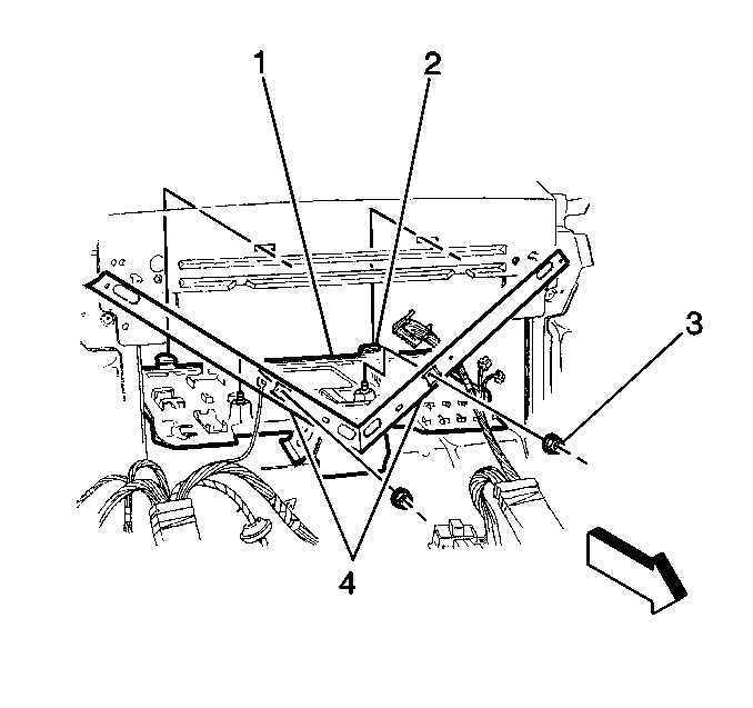
  3. Remove the 2 nuts from the upper section of the board.

  4. Object Number: 367526  Size: SH
  5. Remove the 2 nuts (3) from the lower section of the bay board (1).
  6. Lay the bay board (1) into the rear compartment.
  7. Remove any modules, if necessary.

Installation Procedure


    Object Number: 367526  Size: SH
  1. Install the bay board (1) to the pass-through panel.
  2. Install the upper fasteners to the rear compartment.
  3. Install the lower 2 nuts (3).
  4. Install the rear compartment front trim panel. Refer to one of the following procedures:
  5. •  Rear Compartment Trim Panel Replacement
    •  Rear Compartment Trim Panel Replacement
    •  Rear Compartment Trim Panel Replacement