GM Service Manual Online
For 1990-2009 cars only
Makes
🢒
Cadillac
🢒
1998
🢒
DeVille
🢒 Oxygen Sensors
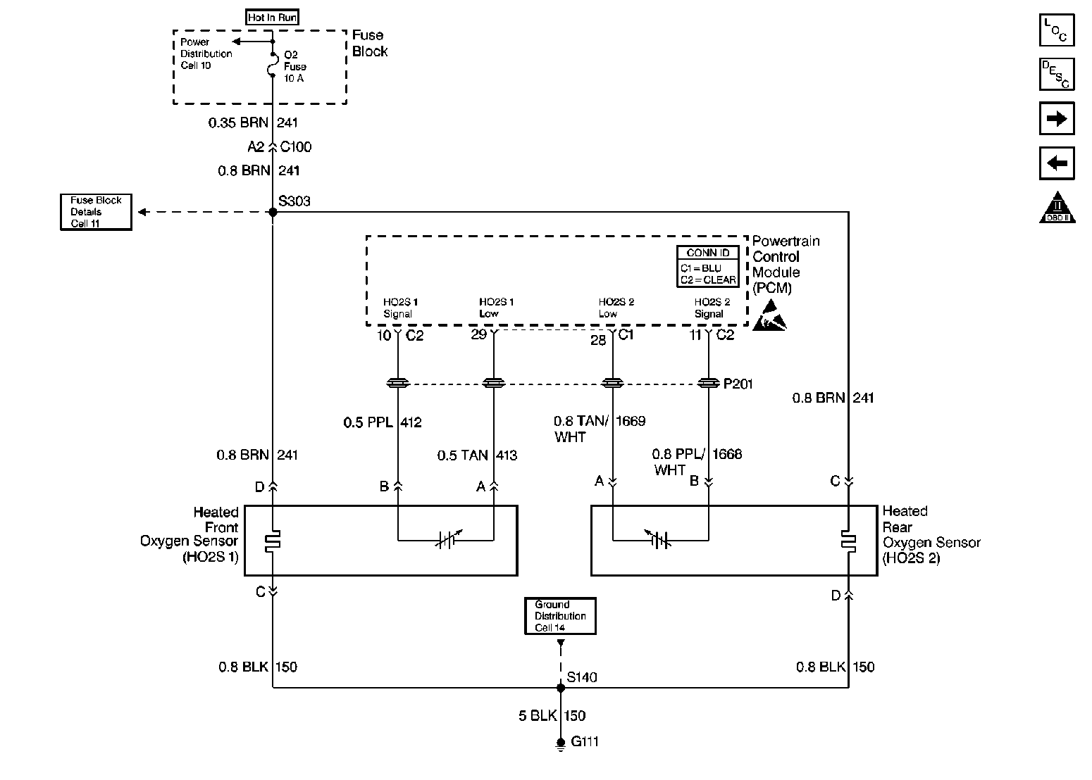
Oxygen Sensors
Oxygen Sensors
Engine Controls Components
Information Sensors/Switches Description
IAC Valve, Generator, TR, Oil, and Coolant Switches
EVAP and EGR Controls
OBDII Symbol Description Notice
Handling Electrostatic Discharge Sensitive Parts Notice