GM Service Manual Online
For 1990-2009 cars only
Makes
🢒
Cadillac
🢒
1998
🢒
DeVille
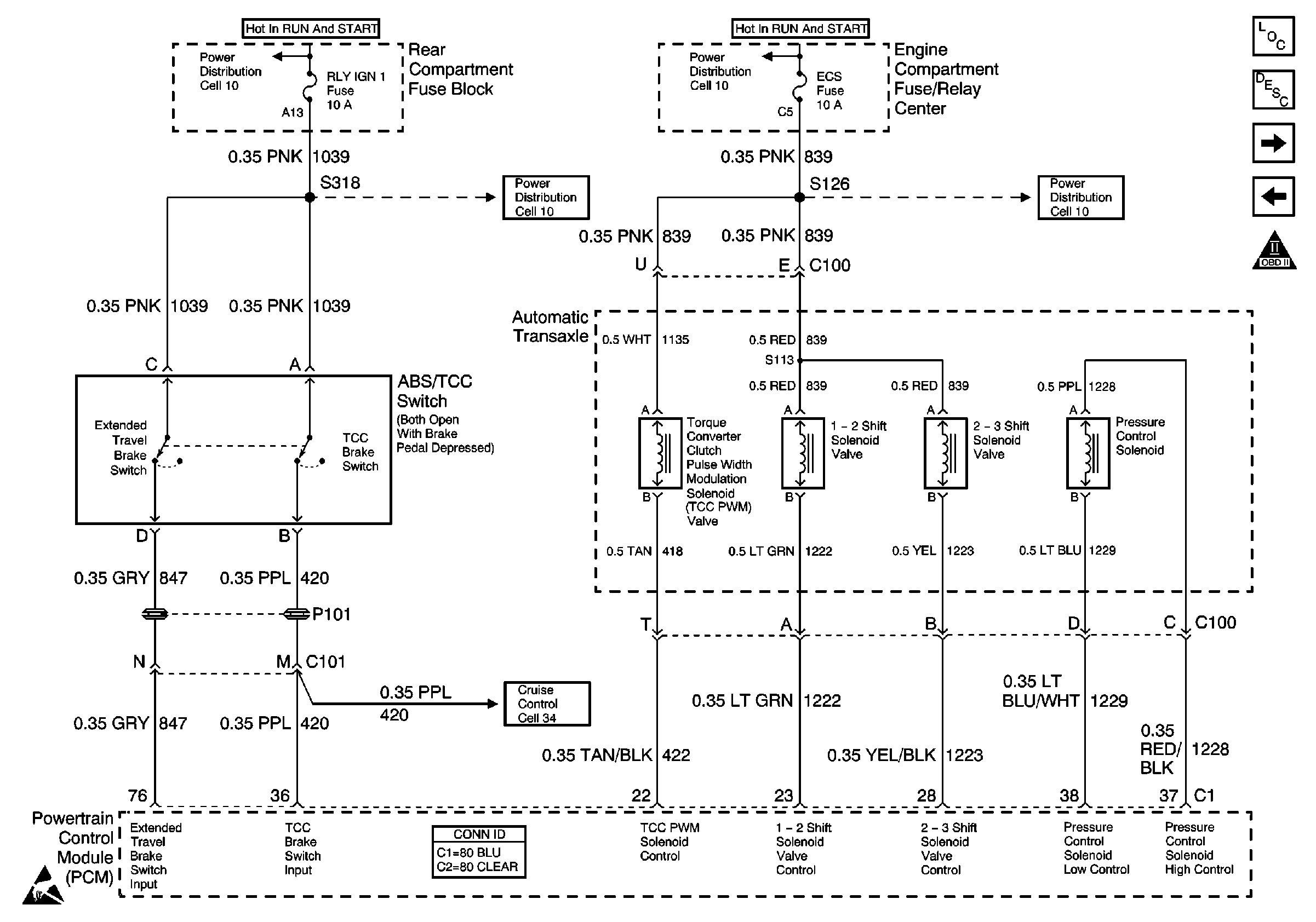
🢒 Cell 20: ABS/TCC Switch and Transaxle Solenoids
Cell 20: ABS/TCC Switch and Transaxle Solenoids
Cell 20: ABS/TCC Switch and Transaxle Solenoids
Engine Controls Component Views
Powertrain Control Module Description
Cell 20: Transaxle Sensors and TR Switch
Cell 20: Vehicle Speed Output and Cruise Control Module
OBD II Symbol Description Notice
Engine Controls Schematic References
Engine Controls Schematic References
Engine Controls Schematic References
Engine Controls Schematic References
Engine Controls Schematic References
Handling ESD Sensitive Parts Notice
Powertrain Control Module Connector End Views