GM Service Manual Online
For 1990-2009 cars only
Makes
🢒
Cadillac
🢒
1998
🢒
DeVille
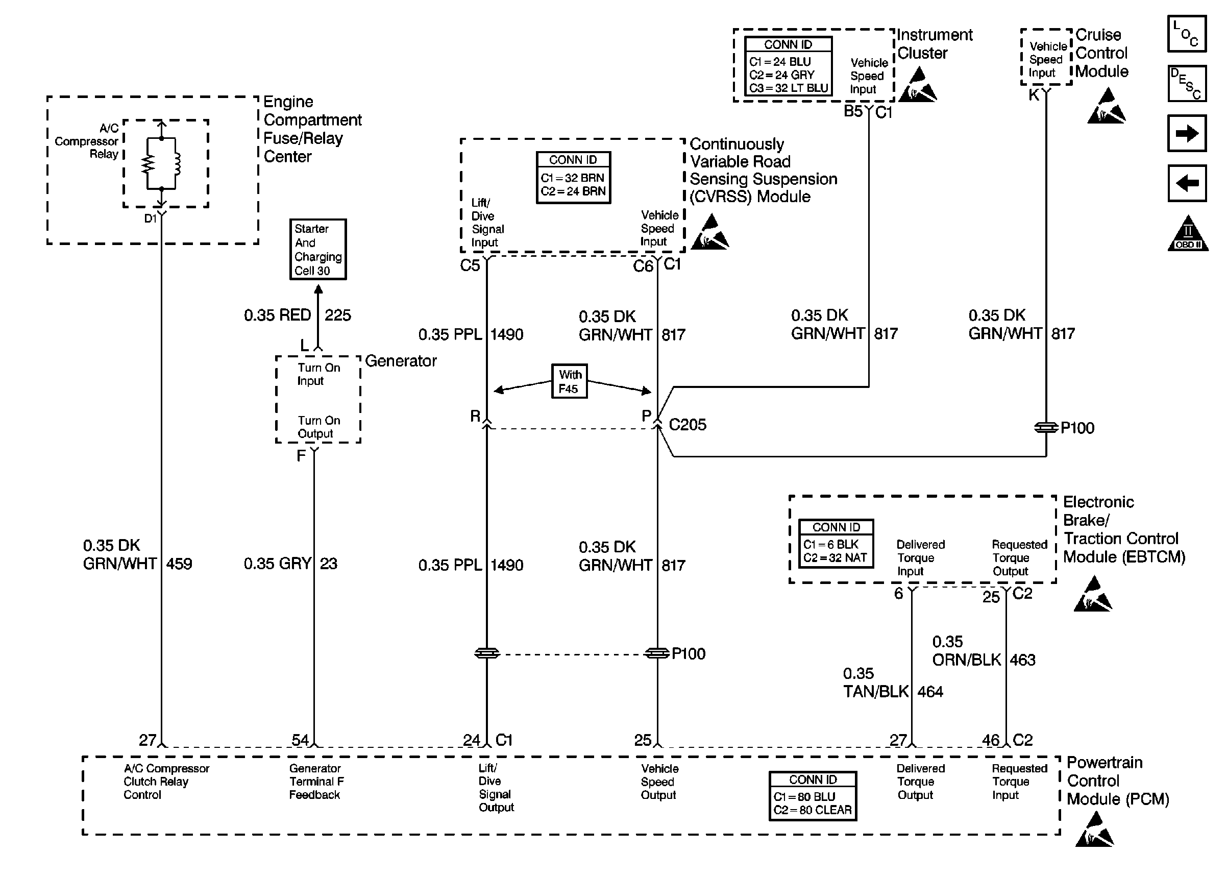
🢒 Cell 20: EBTCM, Generator, A/C Relay and RSS
Cell 20: EBTCM, Generator, A/C Relay and RSS
Cell 20: EBTCM, Generator, A/C Relay and RSS
Engine Controls Component Views
Powertrain Control Module Description
Cell 20: Cooling Fans and Relays
Cell 20: Transaxle Sensors and TR Switch
OBD II Symbol Description Notice
Powertrain Control Module Connector End Views
Handling ESD Sensitive Parts Notice
Handling ESD Sensitive Parts Notice
Handling ESD Sensitive Parts Notice
Handling ESD Sensitive Parts Notice
Powertrain Control Module Connector End Views
Handling ESD Sensitive Parts Notice