GM Service Manual Online
For 1990-2009 cars only
Makes
🢒
Cadillac
🢒
1998
🢒
DeVille
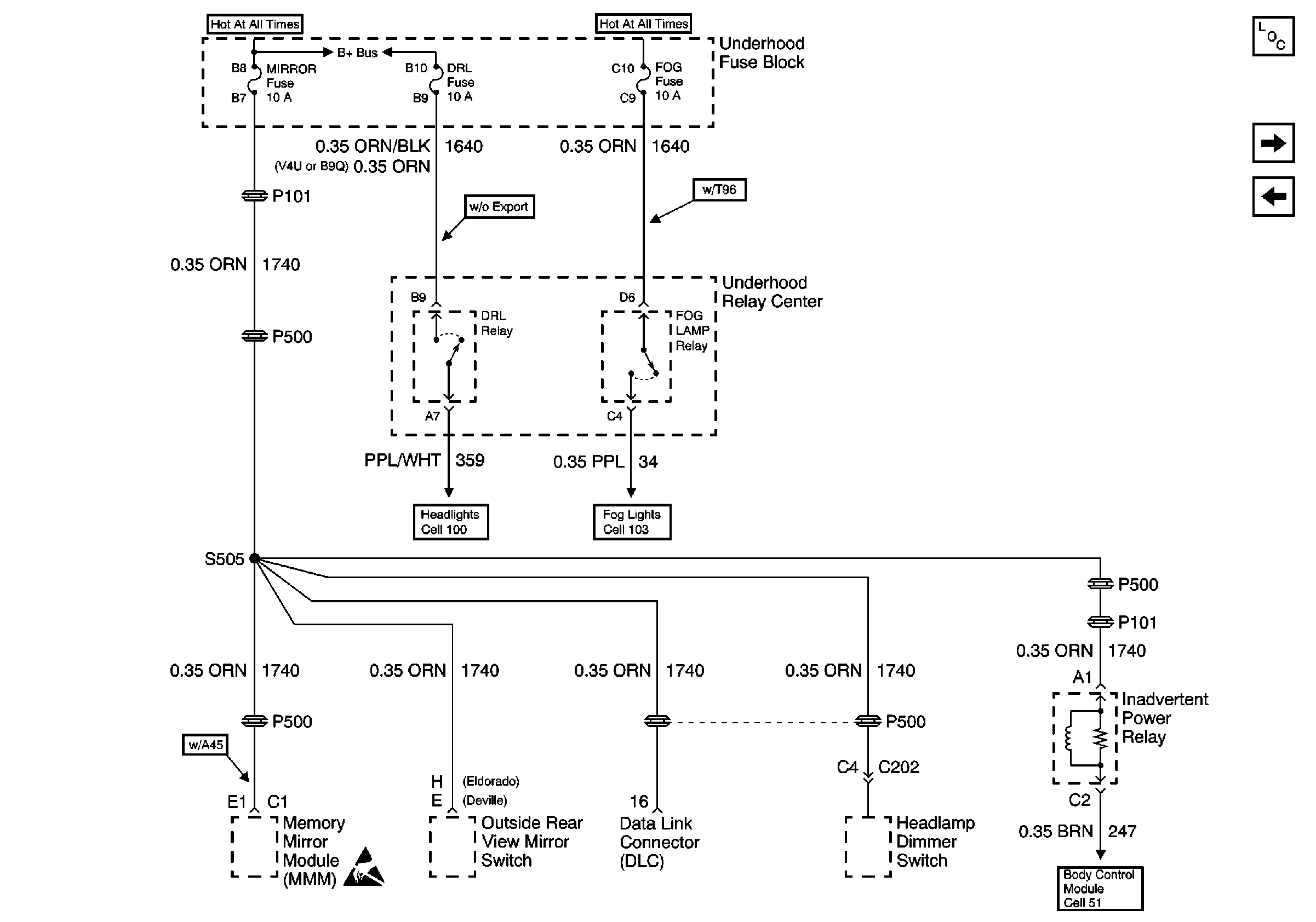
🢒 Cell 10: MIRROR, FOG, and DRL Fuses
Cell 10: MIRROR, FOG, and DRL Fuses
Cell 10: MIRROR, FOG, and DRL Fuses
Power and Grounding Components
Cell 10: INJ Fuses
Cell 10: HDLPS, DRL, L HDLP LO, L HDLP HI, R HDLP LO, and R HDLP HI Fuses
Handling ESD Sensitive Parts Notice
Cell 10: LAMPS Fuse
Fog Lights Schematics Front
Headlights Schematics DeVille USA