GM Service Manual Online
For 1990-2009 cars only
Makes
🢒
Cadillac
🢒
1998
🢒
DeVille
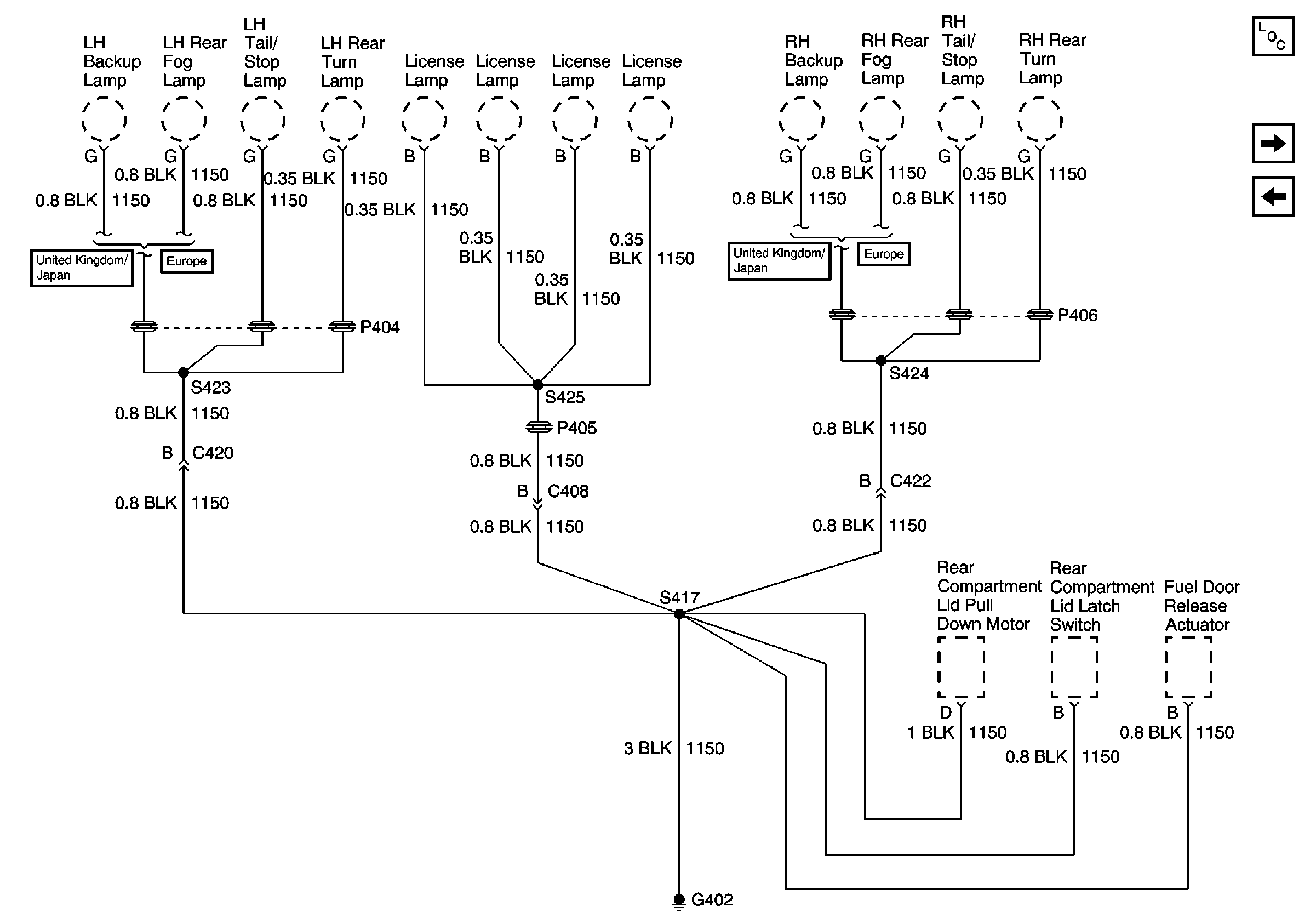
🢒 Cell 14: G402 (Export Eldorado)
Cell 14: G402 (Export Eldorado)
Cell 14: G402 (Export Eldorado)
Power and Grounding Components
Cell 14: G402 (Domestic Eldorado)
Cell 14: G402 (Export DeVille)