GM Service Manual Online
For 1990-2009 cars only
Makes
🢒
Cadillac
🢒
1998
🢒
DeVille
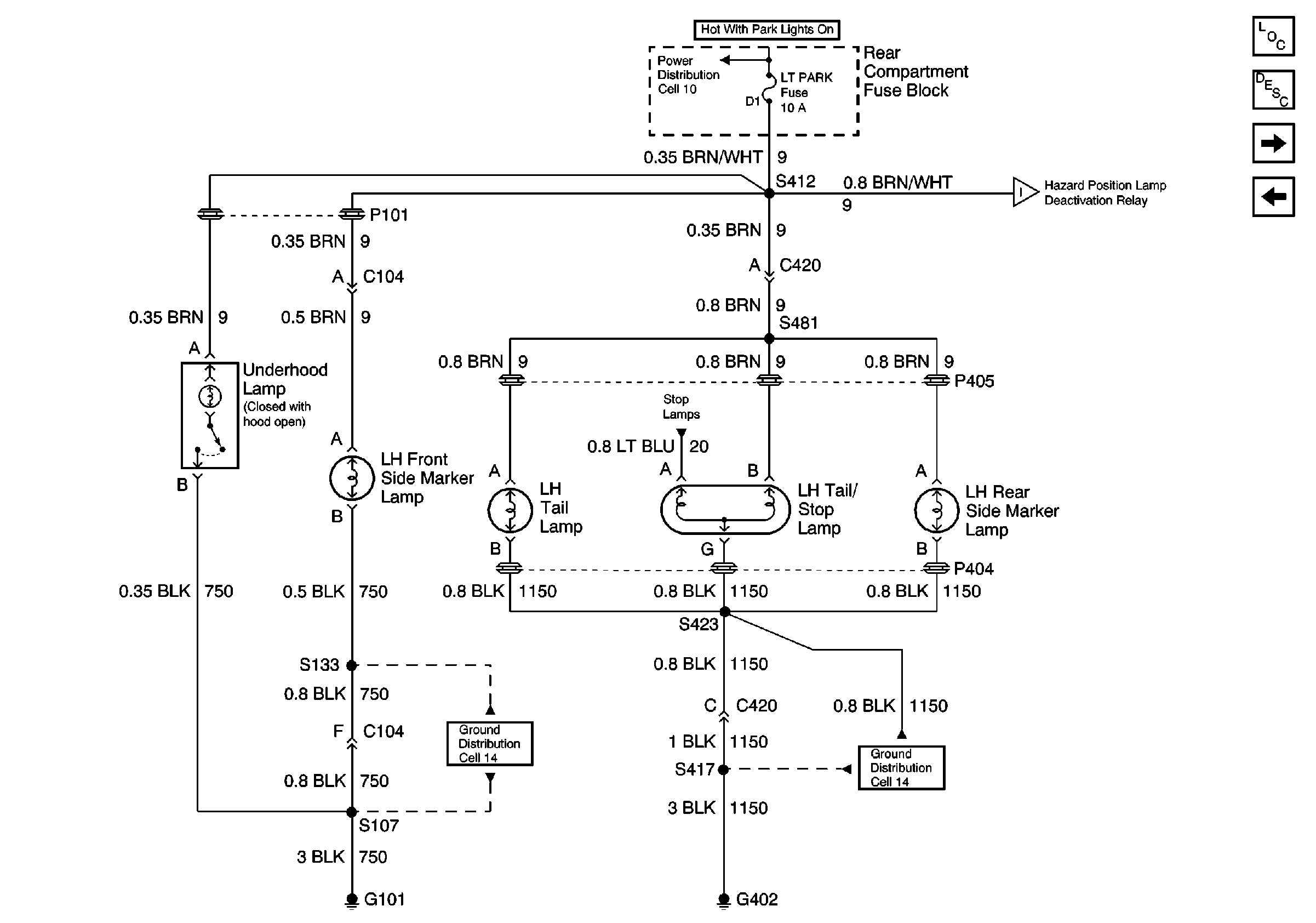
🢒 Cell 110: LH Park Lamps; DeVille Export
Cell 110: LH Park Lamps; DeVille Export
Cell 110: LH Park Lamps; DeVille Export
Lighting Systems Components
Exterior Lights Circuit Description
Cell 110: RH Park Lamps; DeVille Export
Cell 110: Cornering Lamps; DeVille
Cell 110: Cornering Lamps; DeVille Export
Power Distribution Schematics
Ground Distribution Schematics
Ground Distribution Schematics
Cell 110: Turn Signal Flasher, Hazard Flasher, and Stoplamp/BTSI Switch; DeVilLe Export