GM Service Manual Online
For 1990-2009 cars only
Makes
🢒
Cadillac
🢒
1998
🢒
DeVille
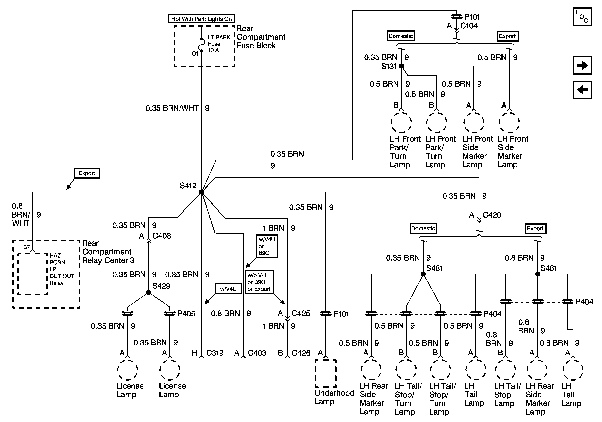
🢒 Cell 10: LT PARK Fuse (DeVille)
Cell 10: LT PARK Fuse (DeVille)
Cell 10: LT PARK Fuse (DeVille)
Power and Grounding Components
Cell 10: LT PARK Fuse (Eldorado)
Cell 10: RT PARK Fuse (Eldorado)