GM Service Manual Online
For 1990-2009 cars only
Makes
🢒
Cadillac
🢒
1998
🢒
DeVille
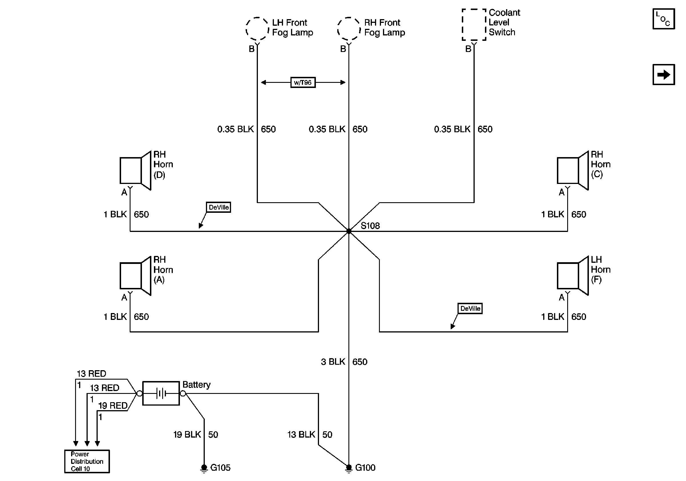
🢒 Cell 14: G100, G105
Cell 14: G100, G105
Cell 14: G100, G105
Power and Grounding Components
Cell 14: G101 (Deville)
Power Distribution Schematics