GM Service Manual Online
For 1990-2009 cars only
Makes
🢒
Cadillac
🢒
1998
🢒
DeVille
🢒 Cell 14: G401 (Eldorado 1 of 2)
Cell 14: G401 (Eldorado 1 of 2)
Cell 14: G401 (Eldorado 1 of 2)
Power and Grounding Components
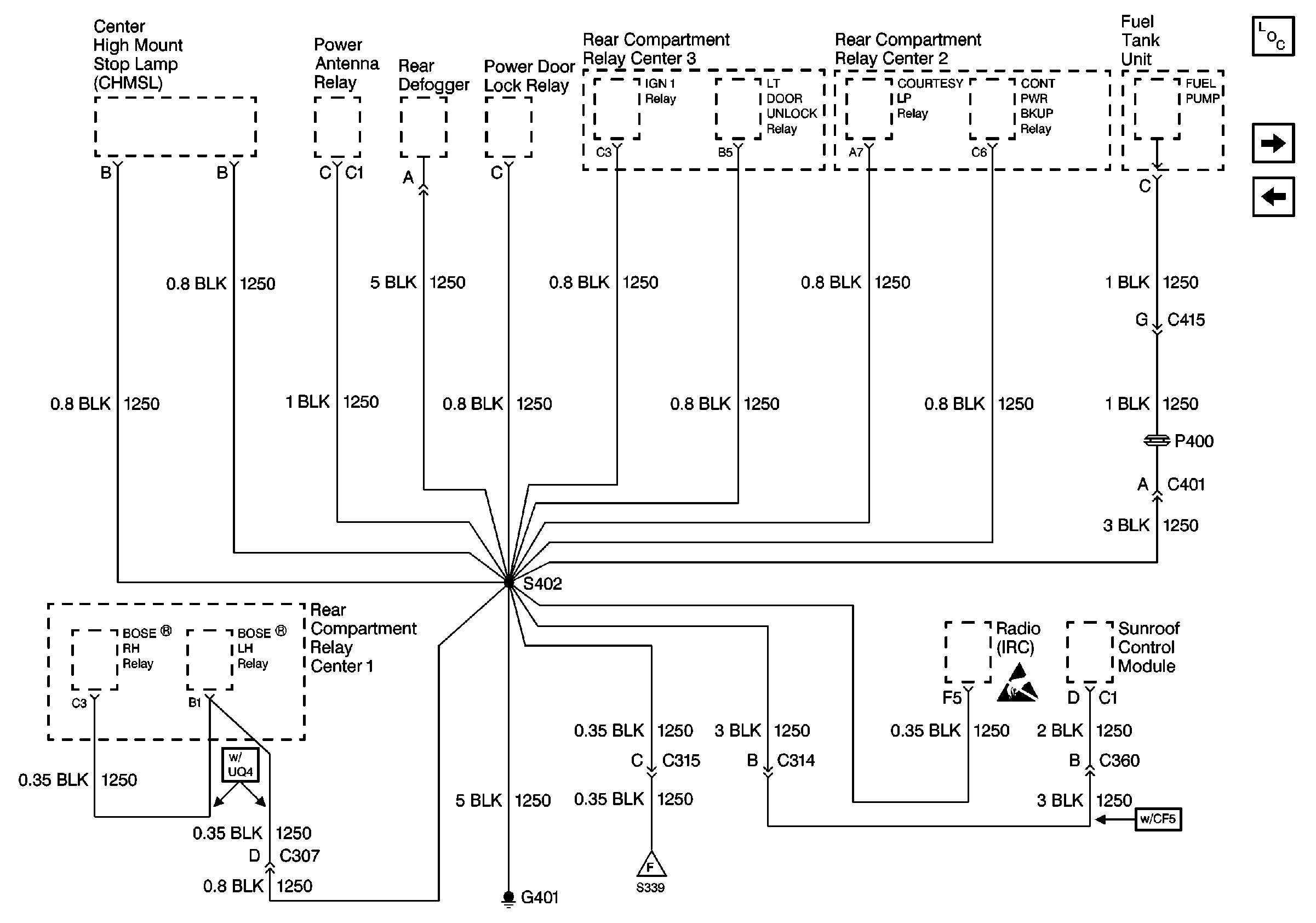
Cell 14: G401 (Eldorado 2 of 2)
Cell 14: G401 (DeVille 2 of 2)
Cell 14: G401 (Eldorado 2 of 2)
Handling ESD Sensitive Parts Notice