GM Service Manual Online
For 1990-2009 cars only
Makes
🢒
Cadillac
🢒
1999
🢒
DeVille
🢒
Body and Accessories
🢒
Keyless Entry
🢒 Remote Control Door Lock Receiver Replacement
Removal Procedure
Remove the rear seat back. Refer to
Rear Seat Back Replacement
in Seats.
Disconnect the electrical connector.
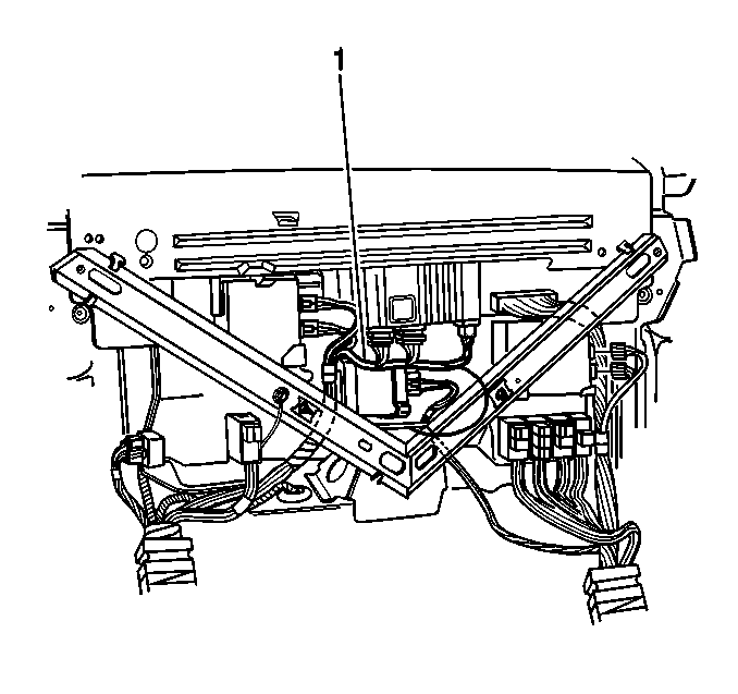
Press on the locking tabs in order to remove the remote function actuator (RFA) module (1) from the electronics bay board.
Installation Procedure
Install the remote function actuator (RFA) module (1) onto the electronics bay board.
Connect the electrical connector.
Install the rear seat back. Refer to
Rear Seat Back Replacement
in Seats.
Reprogram the transmitters. Refer to
Transmitter Programming
.