GM Service Manual Online
For 1990-2009 cars only
Makes
🢒
Cadillac
🢒
1999
🢒
DeVille
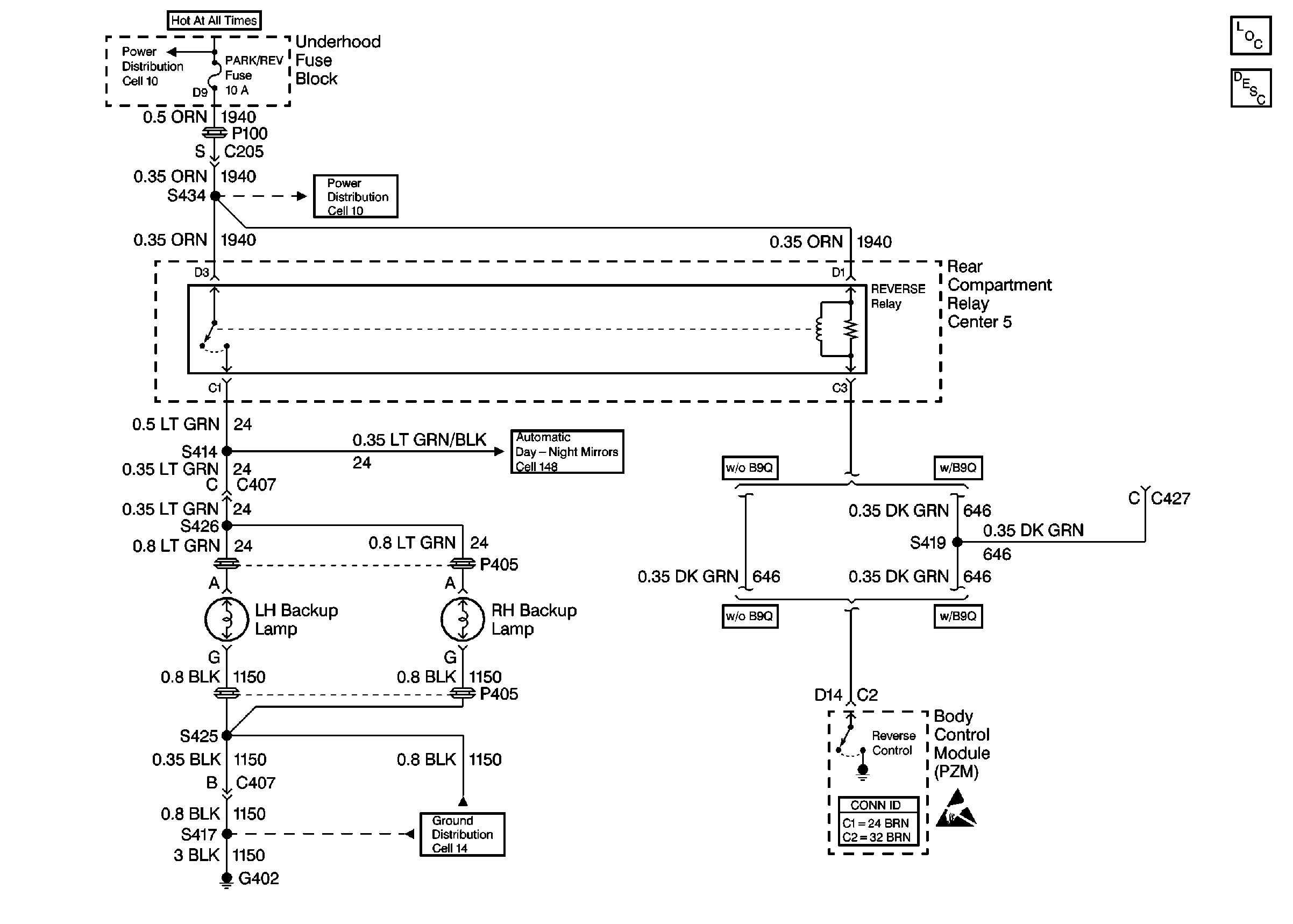
🢒 Cell 112: Backup Lamps
Cell 112: Backup Lamps
Cell 112: Backup Lamps
Lighting Systems Components
Backup Lamp Circuit Description
Power Distribution Schematics
99 E/Ksp Cell 148
Ground Distribution Schematics
Body Control System Connector End Views
Handling ESD Sensitive Parts Notice
Power Distribution Schematics