GM Service Manual Online
For 1990-2009 cars only
Makes
🢒
Cadillac
🢒
1999
🢒
DeVille
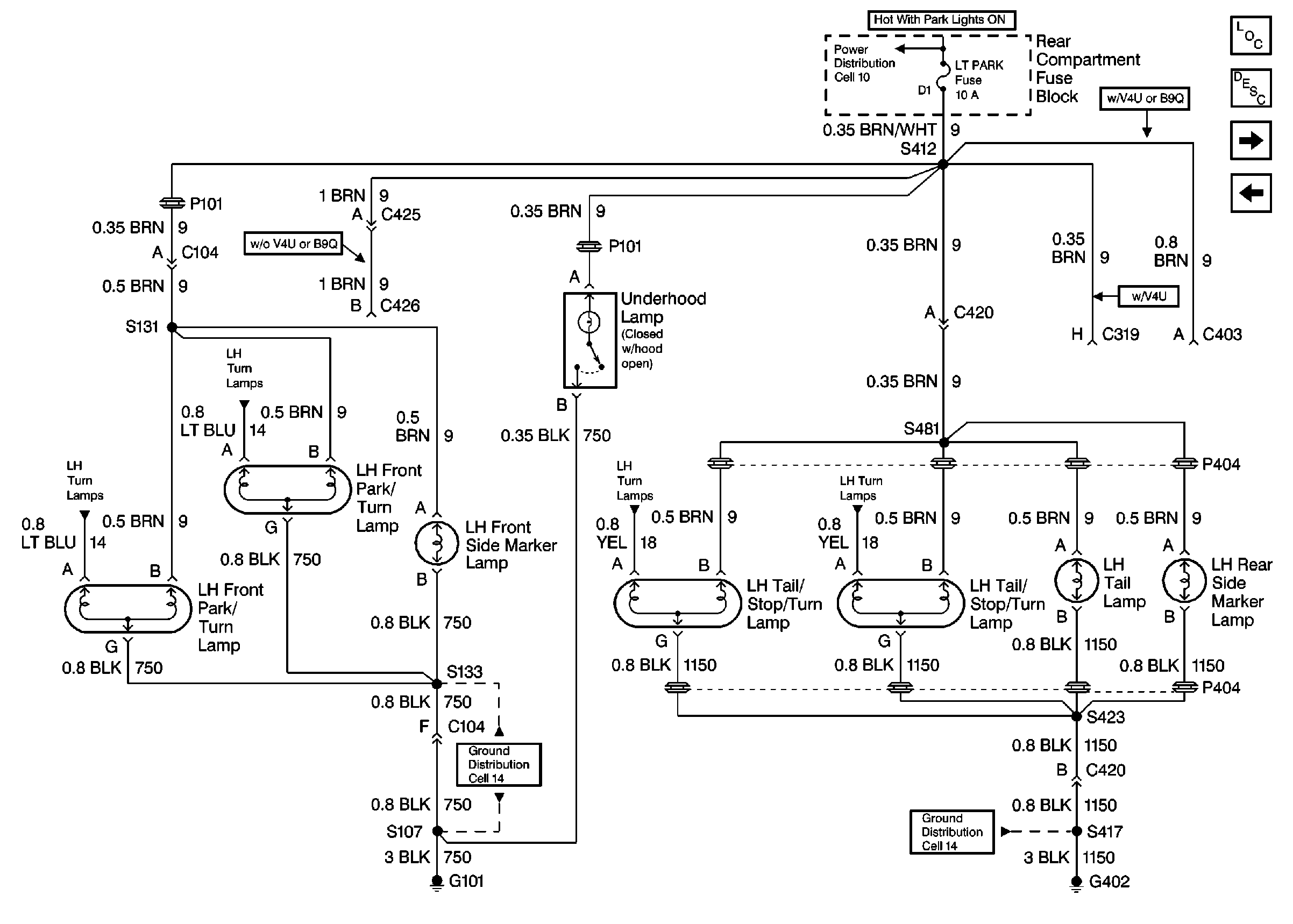
🢒 Cell 110: LH Park Lamps
Cell 110: LH Park Lamps
Cell 110: LH Park Lamps
Lighting Systems Components
Exterior Lights Circuit Description
Cell 110: RH Park Lamps
Cell 110: Headlamp Switch and Park Lamp Control
Ground Distribution Schematics
Ground Distribution Schematics
Power Distribution Schematics
Cell 110: Front Turn Lamps
Cell 110: Front Turn Lamps
Cell 110: Rear Turn Lamps
Cell 110: Rear Turn Lamps