GM Service Manual Online
For 1990-2009 cars only
Makes
🢒
Cadillac
🢒
1999
🢒
DeVille
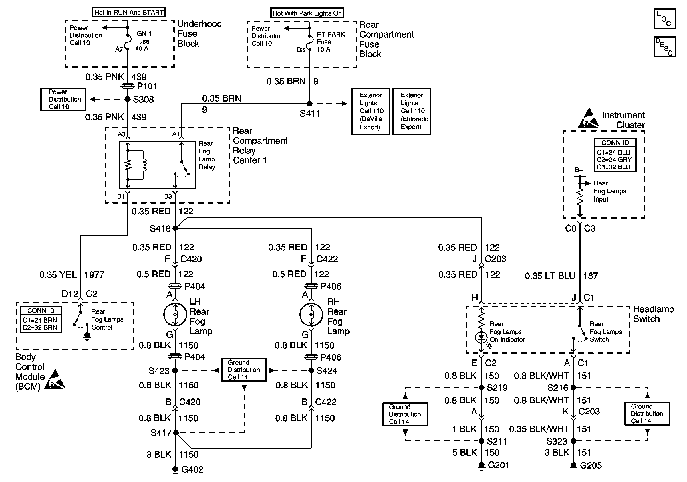
🢒 Cell 103: Rear Fog Lamps
Cell 103: Rear Fog Lamps
Cell 103: Rear Fog Lamps
Lighting Systems Components
Fog Lights Circuit Description
Power Distribution Schematics
Power Distribution Schematics
Power Distribution Schematics
Cell 110: RH Park Lamps
Cell 110: RH Park Lamps
Handling ESD Sensitive Parts Notice
Ground Distribution Schematics
Handling ESD Sensitive Parts Notice
Ground Distribution Schematics
Ground Distribution Schematics
Body Control System Connector End Views
Instrument Panel, Gages, and Console Connector End Views