GM Service Manual Online
For 1990-2009 cars only
Makes
🢒
Cadillac
🢒
1999
🢒
DeVille
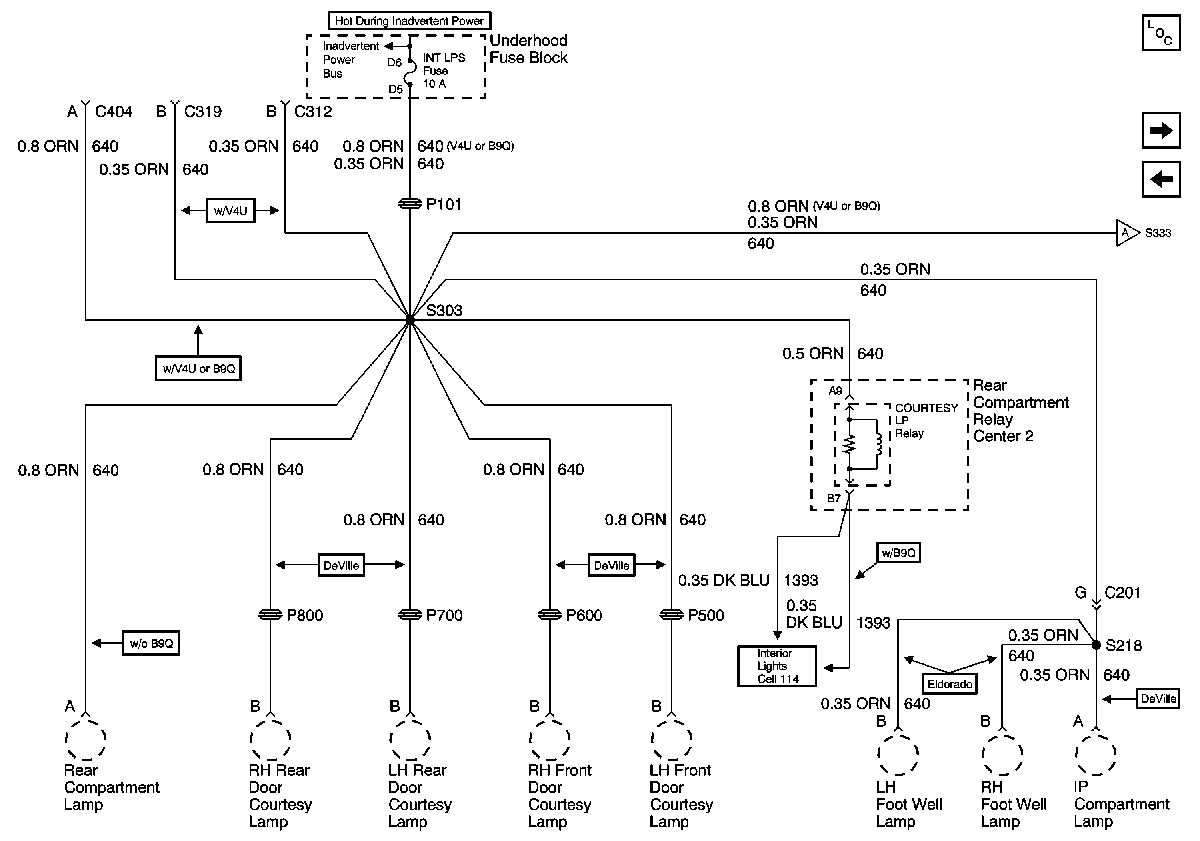
🢒 Cell 10: INT LPS Fuse (1 of 2)
Cell 10: INT LPS Fuse (1 of 2)
Cell 10: INT LPS Fuse (1 of 2)
Power and Grounding Components
Cell 10: INT LPS Fuse (2 of 2)
Cell 10: SEATS Circuit Breaker
Interior Lights Schematics DeVille
Cell 10: INT LPS Fuse (2 of 2)
Cell 10: INADVERT Fuse