GM Service Manual Online
For 1990-2009 cars only
Makes
🢒
Cadillac
🢒
1999
🢒
DeVille
🢒 Cell 10: BODY 3 Fuse
Cell 10: BODY 3 Fuse
Cell 10: BODY 3 Fuse
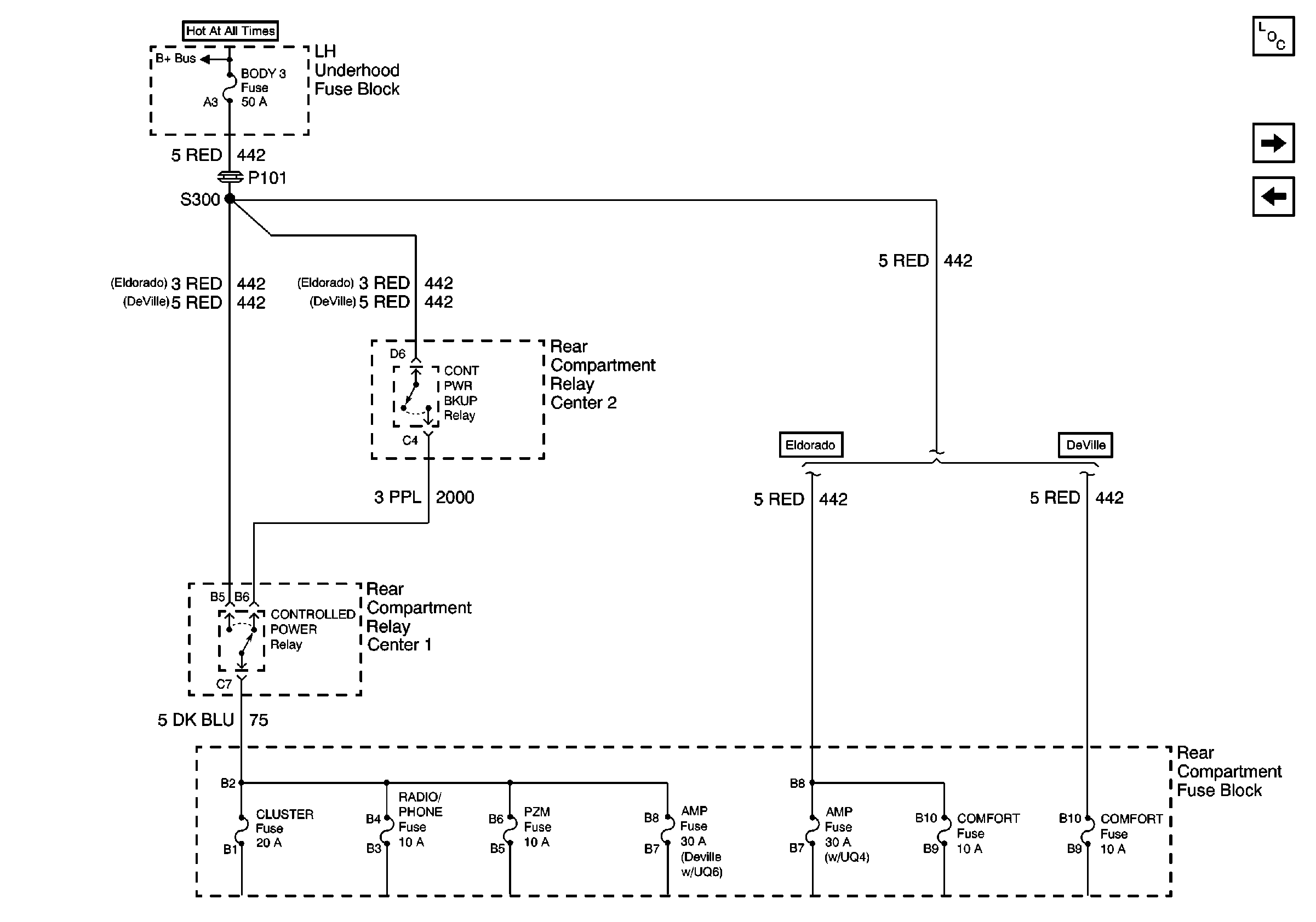
Power and Grounding Components
Cell 10: INADVERT Fuse
Cell 10: BODY 2 Fuse
Cell 10: Battery Power to Fuse Blocks