GM Service Manual Online
For 1990-2009 cars only
Makes
🢒
Cadillac
🢒
1999
🢒
DeVille
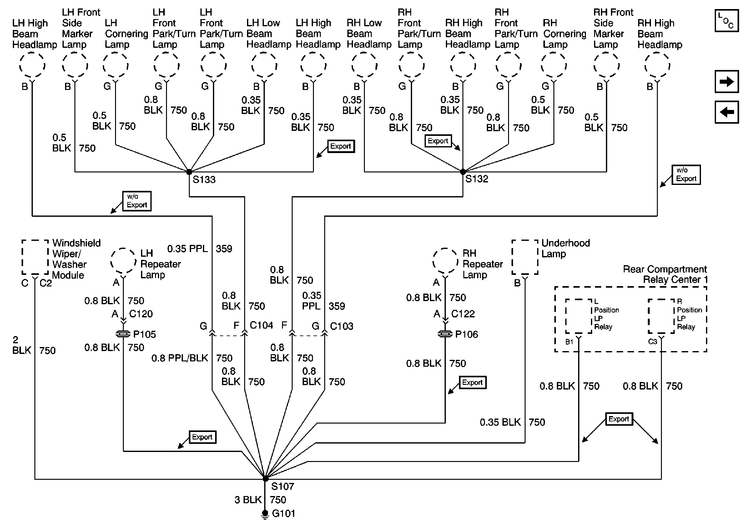
🢒 Cell 14: G101 (DeVille)
Cell 14: G101 (DeVille)
Cell 14: G101 (DeVille)
Power and Grounding Components
Cell 14: G101 (Eldorado)
Cell 14: G100 and G105